(纹波)振荡是一种很常见的自然现象,钟摆周而复始地左右摆动,是一种机械振荡。拉提琴时,琴弦在振动,使周围的空气忽而紧缩,忽而稀疏,空气质点紧缩和稀疏的交替变化传到我们耳朵里,我们就听到了声音。所以声音也是一种振荡。
电振荡是电流或电压的周期性变化。它是无线电技术中最常见的一种现象。在这篇文章中,谈谈有关电振荡的一些情况。
LC振荡回路中的电振荡
用一条小绳吊一个小球或其它重物,就是一个最简单的摆(图1)。如果把摆从静止位置O点移至A点,再一松手,摆就会沿AOB来回摆动。这种摆动叫做自由振荡或固有振荡。这是因为把摆移到A点时,由于A点比O点高,摆就获得了位能。一松手,摆就自动向O点移动。到达O点后,位能没有了,但是摆却得到了一定的运动速度,具有一定的动能。或者说,摆的位能变成了动能。由于惯性,摆不能在O点停下来,而是继续向B点移动。到了B点,摆的速度等于零,动能没有了,但是位置又比O点高,也就是说动能变成了位能。从而摆又向O点摆动。到O点后, 根据同样的道理,摆不能停下来,而是继续向A点摆动。这就是摆的自由振荡过程。

由电感L和电容C组成的振荡回路,其中的电振荡和摆振荡的情况完全相似。我们看图2的电路。先把开关K接到左面(虚线所示)。电容器C被电池充电到电池电压U\(_{m}\),它的上片具有正电荷,下片具有负电荷,电容器中储存了电能,这对应于把摆移到A点,小球获得位能的情况。然后把开关接到右边(实线所示),使电容器C和电感线圈L相连接,电容器开始通过线圈L放电。这对应于把摆移到A点后刚一松手,小球开始由A点向O点运动。这也就是图3中时间为零时所示的情况。由于线圈的自感作用,放电电流不能一下子增大,只能由零逐渐增大,所以在这一瞬间,电容器上的电压仍为Um,而电流为零。


从这时起,电容器的放电电流逐渐增加(图2中的实线所示),而电荷逐渐减少,也就是电容器上的电压逐渐降低。于是,储存于电容器中的电能逐渐减小。但是,随着线圈中电流的增长,在线圈中储存的磁能逐渐增加,也就是说,电能逐渐变成了磁能。这相当于摆由A点向O点运动。如果将这两种振荡过程中的物理量作一个对比,可以看到:摆的高度相当于电容器上的电位差;摆的速度相当于电感线圈中的电流;摆的位能相当于电容器电场中的电能;摆的动能相当于电感线圈周围磁场中的磁能。
当电容器上的电荷放完时,电压降至零。这时全部电能转变成磁能,电感线圈中的电流达到最大值I\(_{m}\)。这相应于摆从A点摆到平衡点O的情况(图3中的点1)。
这时虽然电容器上的电荷没有了,但是由于电感线圈有惯性(存在着自感),电流不可能一下子消失,正好像运动着的摆有惯性(存在着质量),不可能一下子停下来一样。电流仍按原方向继续流动。维持电流继续流动的是线圈周围磁场中所储存的磁能,正好像摆回到平衡位置时,由于有动能,仍能克服重力继续往前运动一样。
当电流继续流动时,就反过来向电容器充电,充电的方向和原来的方向相反,使电容器的下片带正电荷,上片带负电荷。也就是电容器上电压的极性和原来的相反。在反向充电的过程中,线圈的磁能又逐渐转变成电容器的电能。于是线圈中的电流逐渐减小,电容器上的反向电压逐渐增大。这和摆摆过平衡位置后,动能减少,位能增加的情况相似。
当电流减小到零时,线圈周围的磁场消失,磁能全部转变为电能,电容器上储积的电荷达到最大,电位差达最大值。这和摆摆到B点相似。图3中的点2就代表这个情况。
我们可以看到,点2处的情况和振荡开始时(点0)的情况相似,只不过电荷的符号相反。过了点2后,电容器开始反向放电,电流和刚才的相反(如图2虚线箭头所示)。当电容器上的电压又一次减到零时,电感线圈中的反向电流达最大值(图3中的点3)。由于线圈的自感作用,电流并不能立即停止,而是继续反向流动,重新对电容器充电,使电容器上片带正电。以后电流逐渐减小,电容器上的电压逐渐增高,磁能逐渐变为电能。到磁能完全变为电能时,电流停止,电容器上积储起最多的电荷(图3中点4),情况就和开始时(点0)一样。以后整个过程就一次次地重复下去。由此可见,电容器上的电压和线圈中的电流,在周期性地变化,也就是产生了电振荡。这种振荡叫回路的固有振荡。
这样看来,从振荡的观点上说,LC振荡回路和摆是相似的。LC振荡回路原来是一个“电摆”! 的确,在后面我们会看到,在一般的振荡器中,LC振荡回路的作用就和时钟里摆的作用一样。
振荡的幅度和频率
小球从平衡位置O向左或向右摆动的最大距离,即OA的长度,叫做振荡的幅度,或简称振幅。在振荡回路中,电容器上达到的最大电压U\(_{m}\)(参看图3)称为振荡电压的幅度(电压振幅),在电路中达到的最大电流Im称为振荡电流的幅度(电流振幅)。振幅的大小决定于小球起始时被拉开的距离,或者决定于电容器上的起始充电电压。
在图3中,从点0到点4的时间,即进行一次振荡所花的时间T,叫做振荡的周期。每秒振荡的次数,或每秒的周期数f\(_{0}\),叫做振荡的频率。因此f0=\(\frac{1}{T}\)。
摆的频率决定于摆的长度。摆越长,摆动就越慢,也就是频率越低。在振荡回路中,固有振荡的频率f\(_{0}\)决定于电容量C和电感量L的大小。电容量C和电感量L越大,振荡就进行得越慢,也就是周期越长,频率越低。这是因为,电容量C越大,它在同一电压下所储存的电荷就越多,每次放完电所需的时间就越长;电感量L越大,放电电流逐渐增强或减弱的速度就越慢,因而使振荡周期加长。
在振荡回路中,流经电容器的和流过电感线圈的电流相等,而电容器两端的电压和线圈两端的电压相等,可见线圈的电抗2πf\(_{0}\)L和电容器的电抗\(\frac{1}{2πf}\)0C在数值上相等。即
2πf\(_{0}\)L=\(\frac{1}{2πf}\)0C,
因而f\(_{0}\)=\(\frac{1}{2π}\)\(\sqrt{LC}\)。也就是说,固有振荡频率和LC乘积的平方根成反比。
等幅振荡和减幅振荡
在前面的分析中,我们没有考虑到在振荡过程中发生的能量损耗。因此,当摆从A点起摆动一周后,仍然能达到A点。在振荡回路中,从电容器C具有最大电压U\(_{m}\)起振荡一周 后,C上仍达到电压Um。或者说,振荡的幅度不变。这种振荡叫等幅振荡,如图4,a所示。

但是,在实际振荡过程中,不可避免地会有能量损耗。摆摆动时会受到摩擦力和空气的阻力而损耗能量。在电感线圈中有电阻,会把电能变换为热能,电容器中的电介质在振荡过程中也会消耗一部分能量,等等。因此,每振荡一周,能量就消耗掉一些,振幅就要减小一些。这样的振荡叫减幅振荡,如图4,b所示。随着能量的损耗越来越多,振幅就越来越小。最后,当储存的能量完全消耗掉时,振荡就停止了。吊着的物体摆动逐渐减小的情况是我们常常看到的。如果我们在固有频率很低的振荡回路中接一个电流表,也可以看到振荡电流的幅度逐渐减小的情况。
怎样得到等幅振荡
为了维持等幅振荡,必须继续不断地补充能量。如果在每个振荡周期中补充的能量刚好能补偿振荡一周所损耗的能量,那么,振幅就不会减小,于是我们就得到了等幅振荡。
时钟就是根据这个道理工作的。我们把发条上紧,就在发条中储存了能量。发条通过一套齿轮杠杆系统对摆发生作用。每摆动一次,杠杆都顺着摆的运动方向推它一下,从而把能量传给摆,补偿了振荡中的能量损耗。于是摆就能继续不断地摆动。
无线电技术中常见的振荡器的原理基本上和时钟一样。这里LC回路好比钟摆,电子管好比时钟里的齿轮杠杆系统,通过它把直流电源(相当于发条)的能量不断输给振荡回路。以补偿回路中的损耗,使回路中能够保持等幅振荡。

图5是一个最简单的电子管振荡器的原理图。在电子管栅极电路中接一个振荡回路LC。线圈L和屏路中的线圈Lb成电感耦合。当振荡回路内发生振荡时,振荡电流为i\(_{c}\),电容器C上的振荡电压为ec。这个交流电压e\(_{c}\)是加在电子管栅极上的。因而就在电子管屏路内引起一个交流电流分量ip。i\(_{p}\)流过线圈Lb时,由于Lb和L的互感,就在线圈L中感应一个交流电动势e。如果L\(_{b}\)的两端在电路中接得正确,感应电动势e的变化方向就会刚好和ic的变化方向一致,即促进i\(_{c}\)的流动。就好象顺着摆的运动方向推动摆的情况一样。这样,通过电子管和线圈Lb将电池E\(_{b}\)的能量输入到振荡回路中,就可以补偿回路中的损耗,得到等幅振荡。
我们知道,把屏极输出信号的一部分再加到栅极输入电路中,和原来的栅极信号迭加起来进行放大的过程,叫做反馈。所以振荡器实质上是通过反馈来补偿振荡回路损耗的一种装置。由于反馈信号一定要和回路中的原有信号方向一致,从而使原信号加强,才能维持振荡,所以振荡器中的反馈,必须是正反馈。如果Lb的两头在电路中接反了,那么反馈就变成了负反馈,也就是反馈信号和回路中的原有信号方向相反,这样就会阻碍振荡的进行,使振荡更快地停止。
振荡器中不仅要求正反馈,而且要求正反馈的大小足以补偿振荡回路中的损耗。很明显,如果反馈不足以补偿回路损耗,振荡仍然是要衰减下去的。反馈刚好能补偿回路损耗时,就能维持等幅振荡。如果反馈的能量大于回路损耗,振幅就要增长,直到两个能量平衡时为止。

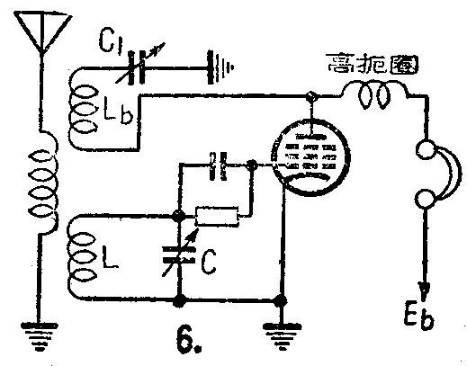
我们可以拿大家都熟悉的再生式收音机为例来说明上述情况(图6)。调节C\(_{1}\),就可以改变再生(即正反馈)的大小。当再生增加到某一点时,耳机中会产生啸叫声,这就说明反馈足以补偿回路中的损耗,收音机变成了一个等幅振荡器。再生调得越大,啸叫声就越强,表明振荡幅度增加。如果再把再生减小到某一点,啸叫声就会停止,这说明反馈已经不足以补偿回路损耗,振荡就停止了。
有时怎样调再生也不会起振,这很可能是L\(_{b}\)接反,反馈变成负反馈了。这时可以把Lb的两个接头对掉一下,以得到正反馈,这样才能满足振荡的要求。调节再生时。耳机中就又可以听到啸叫声了。