Ⅰ 行波馈电的天线交连
天线的馈电设备就是发信机输出级的负载。发信机和天线之间交连方法的选择,要决定于所用天线的型式,馈电系统的类别,以及发信机输出级的线路和工作情况。
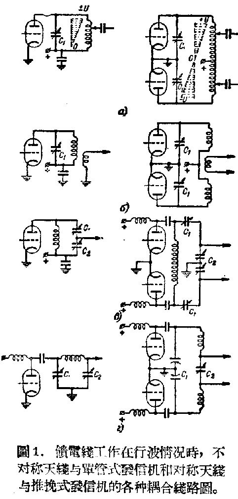
工作在行波情况下的馈电线,可以用最简单的交连电路。因为这时天线馈电设备的输入阻抗完全是纯电阻,天线电路里并不需加专门的调谐元件。而仅要求天线电路和屏路的交连能够随意改变。
照例,交连线路的配合应该把不对称的天线或馈电线用在不对称的发信机,而对称的天线系统用于工作在推挽线路对称的发信机上。否则,就要严重地破坏天线或发信机的正常工作情况。
图1a、б和θ是用自耦变压器、电感和电容式交连最简单的对称和不对称线路图。所有这些线路里,都用电容器C\(_{1}\)进行调谐。如果移动槽路线圈上接触夹的位置,交连线圈的位置,或调整电容器C2的容量,都可以调节交连程度的大小。为了减少图1a和б线路中的寄生电容交连起见,交连线圈应该放在槽路线圈接地端的附近,或者把槽路线圈中心分开,而把交连线圈放在两者之间。槽路线圈这一段的高频电位(如图la虚线所示)接近于零。图1ι的线路,是经过一个П型滤波器来交连天线的,这一线路能够很好地滤去高次谐波。

调整线路,首光应把电容器C\(_{2}\)短路,调整电容器C1得到谐振。然后联上电容器C\(_{2}\),再改变C1的容量来得到谐振。调节交连度时,皮该由C\(_{2}\)的最大容量开始。由于电容器Cl的作用,电容器C\(_{2}\)的每一位置都能得到最大谐振电流,或最小屏极电流(直流部分)。调节工作要反复进行到馈电线得到最大电流为止。平常在波长1公尺时,电容器C2的容量为1—1.5微微法。
Ⅱ 驻波馈电线的天线交连线路
工作在驻波的情况下,馈电线的输入阻抗就具有电感成分,需要有专门调谐元件的交连电路来作补偿。因此,这时所选用的天线电路就比用在行波天线的复杂一些。
图2所示的各种线路,是应用在上述情况的几种耦合电路。

图2a是供不对称的“接地振子”天线用的交连线路图。按照并联或者串联线路(如图2a虚线所示)都可以进行调谐。
用工作在驻波情况的对称馈电线,通常可以按照图2б那样和天线交连。天线电路用可变电容器调节,而交连程度是靠移动交连线圈的位置来调节的。
有时使交连线圈的位置保持不变,而用带夹子的软跳线跨接在天线回路线圈某一部分上(如图2所示),来改变交连程度是比较方便的。交连线圈在28兆周的波段时,一般只要2-3圈就足够了,但是在1.7兆周的波段时,要25—30圈。至于线圈的型式,和输出级的槽路线圈相同。
可变电容器的容量,如果用于长波波段,应该是250—350微微法,而用在14兆周和28兆周串联谐振时,应该有100微微法。至于并联谐振时,天线回路可以和末级放大器的槽路完全相同。
有时,馈电线的长度既不能作为发信机应有程度的并联谐振负载,也不能作串朕谐振负载。那末就应该把馈电线的长度稍微改变一点(不超过0.125λ),或在馈电线上串联一个不大的线圈(如图2和e),或改用图2ж和з所示的线路,这种线路在大多数实际遇到的情况中,都能很满意地工作。但是发信机负载不足时,首先应该采取某些方法,以改变有槽路的天线电路之交连程度,来选择负载。
图2в和τ是驻波对称和不对称馈电线的线路图。用自耦变压器的方式来调节交连,而交连线圈的位置保持不变。在实际上改变交连度并不影响回路的调谐。不过调节交连时要注意到不使交连线圈的任何部分发热。当夹子相互移近时,就特别应该注意线圈中心部分。线圈的发热说明天线电路的效率很低;那就必须改变线圈位置,或者改用其他交连线路。
图2和e的线路,适用于类似的情况,并且最适合在馈电线终端是波腹电压的情况。
图2ж和з是经过一个П—型滤波器和天线耦合的线路。实际应用上,这些线路适用在任何长度的馈电线,同时可以和各种不同电路的阻抗完全配合。只要仔细进行线路调谐,就可以很好的滤去谐波。但是这些电路只能在电容交连的情况中适用。要是在电感交连时,采用П一型滤波器,就要使整个调谐系统大大地复杂化。
图2u和k的线路图,比图2ж和з的简单,但是它们的滤波效用比较差。
图2л和M的П一型滤波器是作为末级放大器的负载。这样简化了和天线耦合的整个线路,但是滤除谐波的效用,没有像图2ж和з那样优良。
Ⅲ 对称线路
对称的天线用在不对称的发信机,或者相反的情况下,应该在屏极和天线回路之间,添装一套对称的交连线路。因而增加了损耗并且复杂了调整的过程。图3就是这种电路的几个例子。

添装的线路里,通常采用绞合软线,或者用交叉的高阻抗架空馈电线。
它和发信机回路多半采取电感式交连,而和天线路用自耦压变器交连;但也可以倒过来或者两边都用电感式交连。
图3a和в的线路,可以用来交连对称天线和不对称的发信机。交连线圈一般是仅由几圈导线绕成的。为了减少寄生电容的交连,应该把它放在槽路线圈的接地端旁边。在这些线路里使用可变电感器是很方便的。
实际经验证明,用类似结构的交连线路时,实际上并不辐射高次谐波。至于中间线路输出端的某些不对称,可由适当安置天线槽路线圈上的夹子来补偿。无论串联或并联线路(图3a和в虚线所示),调谐都可以按线路进行。
图3б和τ的线路,适用作对称的发信机和不对称天线间的交连用。
图3所示的全部线路,无论行波天线,或驻波天线全部适用。由于自相交叉,就没有谐波的辐射,并且有可能作为任何类似交连线路相互间的耦合。
如果因为某种缘故而不能使用对称线路,那末应该用电感式交连,再在谐路线圈和交连线圈之间,装置一个用很多细线拉紧在木框上的静电屏蔽(如图3)。为了在它的上面不产生涡流,这些细线的一端彼此绝缘,而另一端联在一起接地。屏蔽能够消除寄生电容的交连,同时不影响线圈的磁感交连作用。
消除寄生电容的交连是很重要的,因为它会促使高次谐波通向天线电路。
Ⅳ 等效天线
调整发信机时,未必都能够和天线发生直接交连。按照实际天线的参数,构成一个简单的线路来做发信机的负载是非常方便的。这种电路叫做“等效天线”。
正因为天线的输入阻抗,既有纯电阻部分,也有随着频率而改变的电抗部分。所以等效天线也应该包含纯电阻和电抗,而它们的大小要求能够在必要的范围内任意改变。
等效天线是可以重复使用的。如果发信机已经调准,那末在试验频率波段或调整天线交连电路时,可以把等效天线作为负载。在每一个测试频率上等效天线的阻抗值,应该等于实际工作情况下,和发信机联接的天线输入阻抗。
等效天线是一个集中固定而并不复杂的电路。我们能够藉此量出供给发信天线的电流、电压和功率的数值,并且选定需要的调谐元件。这时,在各已给波长上发信机将供给和实际天线工作时一样的功率。
进行这种试验是比较复杂的,必须预先掌握天线输入阻抗按照波段变化的规律。所以往往在最大功率的情况下来调整发信机,就可以采用比较简单的试验方法。那时候要使发信机加有负载,在工作波段的任何频率上都供给最大可能的功率。知道了最大功率的大小,就能决定于天线交连电路的工作效率,和在真实天线上调整的性质。
等效天线在这种情况下首先应该能够在任何规定波长上都可以调谐,以便使发信机是纯电阻负载;第二,它必须能够消耗从发信机来的全部功率;第三,为了选择发信机的最佳负载,和发信机的实效交连必须可变。

图4a中绘出了等效天线,它是由纯电阻R、电容C和电感圈L串联而成的。全部功率消耗在电阻R上。电容C是供等效电路调谐用的。电流表A是用来测量等效电路的电流值。知道了电阻R和电路的电流值,就可以很容易地算出发信机供给等效天线的功率。如果用仪器,还可以直接读出瓦特数。至于发信机负载的大小,是用改变等效电路和发信机的交连来调节。
要测量100瓦以下的发信机功率,可以适当应用2安的假天线。这时它的吸收电阻值应为25欧。
在缺乏适当仪器的情况下,可以用平常127伏或220伏的白炽灯泡来代替。瓦数可按发信机的功率来选择(图4б)。测试方法是比较等效电灯和接在照明电路上同样大小电灯的光度,能够约略地估计出发信功率的大小。如果用一般的照相光度计,就可以作更精确的比较。
电泡测量法不能用在频率超过60兆周的情况。在按照波段而使功率变化很大时,必须有一套不同功率的“比较灯泡”,或者利用一个带有变阻器电路的大灯泡。再用电压表和电流表量出它所消耗的功率数。
频率超过60兆周时,吸收电阻应该用高阻无感的炭阻。
在述种简陋的条件下,一般不测量发信机功率。要决定发信机的最好工作条件,应在使用的白炽灯泡头上面,焊上两根接触夹子(图4в)。再把它直接联在槽路线圈某一部分,然后调谐。改变电泡跨接的圈数多少,应该以得到最大的光度为最好条件。同时规定最小屏极电流(直流部分)作为工作在实际天线时,调谐输出级时的主要参考点。
上述所有步骤,为了避免发生高压工作的安全事故,只能应用在电子管屏压并联馈电的情况下。((苏联)Д.П.Л\(_{иHдe}\)著 孙文治 译)