马上就要过“圣诞节”了,如果自己动手制作一个别具一格的小小电子“圣诞树”,把它摆放在写字台或餐桌上,将为圣诞之夜增添欢乐的节日气氛!也可将它作为礼物,送给敬爱的老师或最亲密的同学,并自豪的告诉他们:这是我特意制作的!祝您节日快乐!
一、工作原理

图1是闪光型电子“圣诞树”的电路图。新型闪烁发光二极管VD3、VD6、VD9、VD12和其余的普通发光二极管构成了四路闪光发生电路。闭合电源开关SA,电池GB即向闪光发生电路供电,四个闪烁发光二极管VD3、VD6、VD9、VD12便会按各自固有的频率闪光,与之串联的普通发光二极管也跟随闪光。

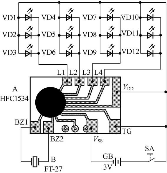
图2是声光型电子“圣诞树”的电路图,其核心元件是新型四路闪光音乐集成电路A。闭合电源开关SA,电路通电工作。由于四路闪光音乐集成电路A的触发端TG与电源正端VDD直接相通,故A内部电路会受到高电平触发而反复从音频输出端BZ1、BZ2输出内储的《圣诞快乐》音乐电信号,直接驱动压电陶瓷片B发出清脆悦耳的乐曲声;与此同时,A的四路闪光信号输出端L1~L4会输出随乐曲节奏交替变化的负脉冲电信号,直接驱动四路发光二极管闪闪发光。
二、元器件选择
图1电路中,VD3、VD6、VD9、VD12均选用国产BTS11405型红色闪烁发光二极管,其内部功能方框图和外形图如图3所示,它的外形和正、负极引脚识别与φ5mm普通发光二极管完全相同。这种新型闪烁发光二极管的最大特点在于内部封装有大规模集成电路,是光电技术与半导体集成工艺相结合的新产品;当外加一定电压时,内部振荡器便产生一定频率的方波脉冲,经分频器变换为超低频脉冲,再通过驱动放大器推动发光二极管闪烁发光。BTS11405型红色闪烁发光二极管的主要参数为:工作电压5V,工作电流大于35mA,闪烁频率1.3~5.2Hz,开关占空比33%~67%,发光强度0.8mcd。

VD1、VD2、VD4、VD5、VD7、VD8、VD10、VD11均选用φ5mm普通各色发光二极管(如用高亮度发光二极管,效果更佳),并在接入电路时按照图1所示将各颜色搭配连接。
SA用CKB-1型小型拨动开关。GB用六节5号干电池串联(须配塑料电池架)而成,电压9V;也可用6F22-9V型叠层干电池,只是使用寿命相对要短。
图2电路中,A选用HFC1534型(内储《圣诞快乐》曲)四路闪光音乐集成电路,它采用软包封装形式制做在尺寸为20mm×14mm的小印制电路板上(图2),并给所有外围元器件提供焊接脚孔,使用很方便。该四路闪光音乐集成电路的主要参数:工作电压范围2.4~3.6V,典型值为3V;触发电流不大于40μA,静态总电流小于0.5μA;每路发光二极管驱动电流不小于8mA;工作温度范围-20℃~70℃。
B采用FT-27或HTD27A-1型(φ27mm)压电陶瓷片,要求购买时配上专门的简易助声腔盖(也叫共振腔盖或共鸣腔盖),以增大发音量。SA用CKB-1型小型拨动开关,亦可用磷铜皮自行弯制。GB用两节5号干电池串联(配塑料电池架)而成,电压3V。
三、制作与使用
首先,从商店选购一盆造型如图4所示的塑料仿真“小松树”,将电池GB(如采用图2电路,还应包括四路闪光音乐集成电路A和压电陶瓷片B)置于“小松树”下面的花盆中,电源开关SA则安装在花盆表面;然后,将所有发光二极管VD1~VD12用与“树干”颜色相同的细塑料外皮电线引接到“小松树”上。为了安装方便,可将所有发光二极管的引脚剪短至5mm左右,但焊接引线时注意一定要用镊子夹住引脚根部帮助散热,以防止电烙铁烫坏发光二极管。发光二极管VD1~VD12全部粘挂在“小松树”上,要求各管分布交叉错落,但整体排列应比较均匀。这样,一个小小电子“圣诞树”便做成功了。

文/张晓东