音乐集成电路(音乐IC)通常用在音乐门铃、音乐贺卡以及电子玩具等方面。除此之外,通过开发其潜在功能,还可以在其他许多方面有新用途。本文介绍音乐IC在电源变换电路中的变通运用。
一、音乐IC作电源变换的原理
音乐IC内部包含振荡器、存储器、控制电路和输出电路等部分,接上规定的直流工作电压并触发后,其输出端(OUT)便输出音乐信号脉冲,如图1所示。如果将音乐IC的触发端TR直接接至正电源端(+Vcc),OUT端信号经隔直流耦合电容C输出,接通直流电源后则可在电路输出端得到交流电压,如图2所示。可见,音乐IC已将直流电压转换成为交流电压。在电源变换电路中,正是利用音乐IC的这一特点,将其作为振荡信号源使用。


下面以常见的KD15系列音乐IC为例进行介绍。KD15系列为CMOS音乐IC,内储一首国内外名曲,工作电压范围1.3 ~ 5.0V。KD15音乐IC为小印制板软封装,如图3所示。
二、音乐IC变通作电源变换的电路形式
1.DC-AC逆变电路。电路原理如图4所示,+3V直流电压加至音乐IC使其工作,输出的音乐信号经晶体管VT1放大后,由耦合电容C1隔直流输出,即可得到交流信号电压,实现了DC-AC的逆变。R1为VT1的集电极负载电阻。该逆变电路具有以下特点:①输出交流电压取决于输入的直流电源电压。②输出交流电压的频率由音乐IC内储乐曲决定,一般在音频范围内。③输出电流较小。


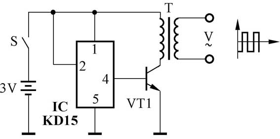
图5为采用输出变压器的DC-AC逆变电路,由音乐IC产生、晶体管VT1放大的交流信号电压通过变压器T耦合输出。该电路的特点是,可通过调节变压器T的变压比改变输出交流电压的大小。当变压器次级与初级之间取较高的匝数比时,即可获得较高的交流电压输出。

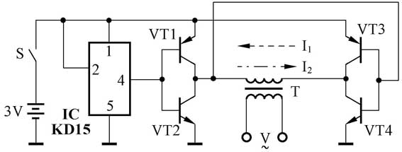
图6为采用桥式推挽驱动、变压器耦合输出的DC-AC逆变电路,VT1、VT3为PNP型晶体管,VT2、VT4为NPN型晶体管。当音乐IC输出端为高电平时,VT2导通并使VT3导通,+3V电源经VT3、T的初级线圈,VT2到地,电流方向如图6中虚线(I1)所示。当音乐IC输出端为低电平时,VT1导通并使VT4导通,+3V电源经VT1、T初级、VT4到地,电流方向如图6中点划线(I2)所示。在变压器T次级即可得到交流电压。该电路的特点是,可输出较高的电压和较大的电流。
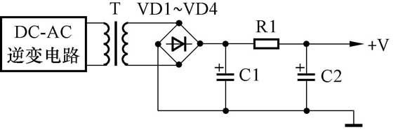
2.直流升压电路。电路如图7所示,直流电源电压由音乐IC、VT1等逆变为交流电压,再经变压器T升压、二极管VD1整流、C1滤波后,输出端即可得到高于原电源电压的直流电压,输出电压的大小主要由升压变压器的变压比决定。从图8方框图可见,直流升压电路实际上就是在DC-AC逆变电路后增加了升压和整流滤波电路,具体电路可以有多种形式。

图9为采用桥式整流、RC滤波的直流升压电路,如DC-AC逆变部分采用图6电路,则该直流升压电路可以输出较大电流。
图10为采用倍压整流电路的直流升压电路,优点是省去了升压变压器,缺点是输出电流较小。如需要也可设计成三倍压、四倍压电路等。
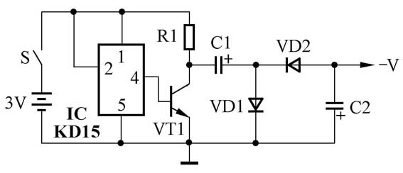
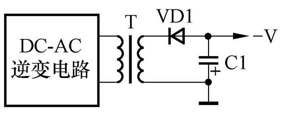
3.电源极性变换电路。电路如图11所示,正电源经音乐IC、VT1等逆变为交流电压,再经负压整流滤波后产生负电源。电源极性变换电路可在需要正、负电源的电路中取代负电源,简化电源种类。


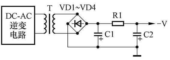
图12为采用变压器耦合、二极管整流的电源极性变换电路。图13为采用变压器耦合、桥式整流的电源极性变换电路。由于采用变压器耦合,因此输出负电源的电压可等于、低于或高于正电源电压。

三、音乐IC变通运用实例 ——万用表电子高压电池
万用表“R×10k Ω”等高阻电阻挡需要使用9V高压电池,如用直流升压电路将1.5V电池升压为9V供高阻电阻挡使用,则可减少万用表使用电池的种类,提高万用表使用的经济性。
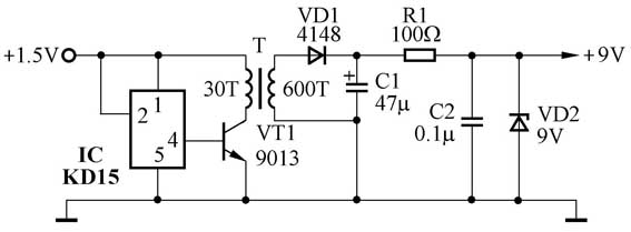
1.电路工作原理。图14为电子高压电池电路图,电路输入电压 +1.5V(取自万用表内1.5V电池),输出电压 +9V。音乐IC作为振荡源,在1.5V工作电压下起振产生音乐信号,经晶体管VT1放大、变压器T升压后输出,再由二极管VD1整流、C1、R1、C2滤波,并由稳压二极管VD2稳压为 +9V后输出。

2.制作与调试。升压变压器T铁心用铁氧体磁心或磁罐,也可用小型晶体管收音机变压器铁心,初级用Φ0.2 mm漆包线绕30匝,次级用Φ0.1 mm漆包线绕600匝。音乐IC也可选用其他型号。元器件应尽量选用小型或微型的,整个电路可利用音乐IC的小印制板进行安装,最后装入万用表内取代9V层叠电池。整个电路一般无须调试即可正常工作。
文/莫恩