触发器是一种具有记忆功能的基本逻辑单元,在下一个输入信号到来之前,能保持前一信号作用的结果,这就是电路的存储记忆功能。正是这些具有存储记忆功能的单元电路,才有可能导致“电脑”的诞生,引发当代信息技术革命。
一、RS触发器
RS触发器具有复位(Reset)端和置位(Set)端,故称RS(复位置位)触发器。
1.用或非门构成基本RS触发器

图1为用或非门构成的基本RS触发器。图1(a)为正脉冲触发的基本RS触发器逻辑图,由或非门IC-1、IC-2输入端与输出端相互交叉连接而成,余下的两个输入端分别为置位端Sd和复位端Rd,两个或非门的输出端构成触发器的输出端Q和反相输出端Q,触发器状态由Q电平高低来标定。图1(b)为正脉冲触发的基本RS触发器逻辑符号。当Sd有正脉冲信号输入(Rd为低电平)时,不管IC-1另一个输入端电平高低如何,其结果IC-1输出端Q为低电平,和 Q相连的IC-2输入端为低电平,此时Rd为低电平,或非门IC-2输出端Q为高电平,触发器被置位。去掉Sd施加的正脉冲信号,由于IC-1另一个输入端和Q端相连为高电平,因此触发器的状态保持不变,这便是触发器的存储和记忆功能。由于触发器电路是对称的,当Rd施加正脉冲信号时,Q为低电平。RS触发器通过置位或复位,使触发器处于1或0的状态,说明触发器有两个稳态。触发器从一种稳态急剧翻转到另一稳态,叫做触发器的翻转。施加信号引起触发器翻转的过程叫做触发,这是触发器具有的独特功能,触发器便由此得名。

表1为用或非门组成的RS触发器逻辑功能表。当RS触发器输入端Sd=1、Rd=0时,输出端Q=1(Q=0),触发器被置位。当Sd=0、Rd=1,触发器被复位。当触发器Sd=Rd=1时, Q=0*和Q=0*,触发器状态不能确定,称为不定态。当Rd=Sd=0时,触发器输出端Q和Q既能为1、0,又能为0、1,能够保持原来的状态,用互为反相的Q0、 Q0来表示。

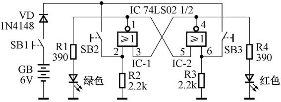
图2为用或非门构成的基本RS触发器实验电路,可用来验证正脉冲触发的RS触发器的逻辑功能。它由或非门IC-1、IC-2构成基本RS触发器,R2、R3为或非门输入端的下拉电阻器,SB2、SB3为触发开关,绿色、红色发光二极管及电阻器R1、R4组成电平显示器,或非门输出端为高电平时发光二极管点亮。接通电源开关SB1,其中一只发光二极管点亮,比如绿色点亮,这时按下触发开关SB2,绿色发光二极管熄灭,红色发光二极管点亮,松开SB2触发器处于保持状态。按下SB3,红色发光二极管熄灭,同时绿色发光二极管点亮,说明触发器发生了翻转,松开SB3,触发器维持这一稳态。同时按下SB2、SB3,红色、绿色发光二极管都熄灭,说明触发器处在不定态。
2.简易RS触发器抢答器

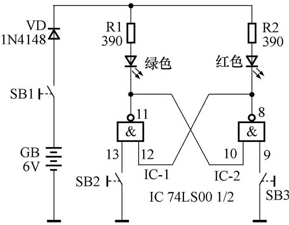
图3为简易RS触发器抢答器实验电路,由与非门组成低电平触发的基本RS触发器。接通电源开关SB1,绿色或红色发光二极管点亮,比如绿色发光二极管点亮,抢答二人同时按下自己的抢答按钮开关SB2或 SB3,此时绿色、红色发光二极管都不亮,触发器为不定态,抢答器处于待机状态。听到抢答信号(比如击掌声),抢答者谁最先松开SB2或 SB3,比如先松开SB2,由于SB3还在闭合,与非门IC-2输入端的9脚为低电平,输出端8脚为高电平,红色发光二极管保持熄灭状态,IC-1输入端的12脚为高电平,输出端11脚为低电平,绿色发光二极管点亮,显示抢答开关SB2最先断开。尽管SB3随后断开,但是对触发器控制无效,触发器处于保持状态,这就是二人抢答器的工作原理。别看抢答器电路简单,RS触发器翻转速度极其迅速,可以区分出两只抢答开关哪怕断开只有百万分之一秒的时间差,远远超过人的判定能力,不存在误判,可以说抢答器的评判是公正的。
二、D触发器
时序电路的状态不仅与当前输入信号有关,还取决于原来的状态,D触发器是时序电路的基本记忆单元,应用十分广泛。
1.D触发器逻辑符号
图4为D触发器的逻辑符号。输入端由时钟信号端CP、数据信号端D、反相复位端 Rd和反相置位端Sd组成,Rd、Sd控制信号分别从方框小圆圈处输入,表示低电平控制信号有效。D触发器输出端由两个互为反相的Q端和Q端组成。
2.D触发器逻辑功能表

表2为D触发器逻辑功能表。表中X表示信号电平高低任意,符号↑表示时钟脉冲信号由低电平上升为高电平的时刻,即时钟脉冲信号上跳沿到来之时。当CP端和D端输入信号任意时,若 Sd=0、Rd=1,则Q=1,触发器处于置位状态;若 Sd=1、Rd=0,则Q=0,触发器为复位状态;若 Sd=Rd=0,则Q=Q=1*,触发器处于不定态。只有当Sd=Rd=1、CP端输入时钟脉冲信号上跳沿(↑)到来之时,触发器才处于工作状态,若D=1,触发器便翻转到Q=1的高电平状态,若D=0,则Q=0,也就是时钟脉冲上跳沿到来之时,触发器便翻转到与D端在那一时刻电平相同的状态。当时钟信号处于下降沿(↓)或低电平状态时,触发器保持上一个时钟脉冲信号上跳沿到来之时触发器所翻转的状态,Q=Q0和 Q=Q0的状态,与D端控制信号电平高低无关。
3.D触发器工作波形图
图5为D触发器工作波形图。在时钟端CP第1个时钟脉冲信号上跳沿到来之时,触发器会发生翻转,其翻转的状态由D端信号电平高低来决定,此时D端为低电平,触发器还翻转在Q端为低电平、 Q为高电平的状态。在t2时刻,虽然D端所施加的数据信号由低电平跃升到高电平,但并不能使触发器发生翻转,直到t3时刻,也就是CP端第2个时钟脉冲信号上跳沿到来之时,触发器才发生翻转,由于上跳沿时刻之前D端为高电平,Q端翻转到高电平。在t3~t4时刻之间,尽管数据端D的信号已由高电平下跌到低电平,在t5时刻CP脉冲信号由高电平跌至低电平,但是D触发器始终处于保持状态,直到t6时刻第3个脉冲信号上跳沿到来之时,触发器才发生翻转,由于D端为低电平,D触发器翻转到低电平状态。
4.双D触发器74LS74管脚引线排列
图6为双D触发器74LS74的引脚排列。它由两个独立的D触发器组成,故称为双D触发器,其中每一个D触发器各具有反相置位端 Sd和反相复位端 Rd,输入控制信号低电平有效,是一种时钟脉冲信号上跳沿触发的触发器。
5.D触发器逻辑功能
图7为D触发器逻辑功能实验电路。接通电源开关SB1,D触发器各输入端开关都断开,触发器处于高电平状态,Q为高电平,红色发光二极管点亮。按下SB3,Rd端为低电平,D触发器被复位,输出端Q为低电平,红色发光二极管熄灭,Q端为高电平,绿色发光二极管点亮,松开SB3不影响触发器复位状态。按下SB4,Sd端为低电平,D触发器被置位,红色发光二极管点亮,绿色发光二极管熄灭,松开SB4不影响触发器置位状态。同时按下SB3和SB4,红色、绿色发光二极管一齐点亮,D触发器处于不定态,再按下或松开SB2或SB5控制开关,不影响D触发器不定态。当SB3、SB4断开,Sd= Rd=1,D触发器处于保持态,这时发光二极管可以是红色亮、绿色灭,也可以是红色熄灭、绿色点亮两个稳态。当SB3、SB4断开,SB2闭合时,CP端接通Vcc,CP端由低电平上升为高电平,产生一个上跳沿时钟脉冲信号,触发D触发器翻转,翻转后的状态由数据端D的电平来决定,若先前松开SB5,D=1,D触发器翻转后Q=1,红色发光二极管点亮;若先按下SB5,D=0,D触发器翻转后Q=1(Q=0),绿色发光二极管点亮。
6.D触发器双稳态开关
图8为D触发器双稳态开关实验电路。由D触发器等组成双稳态电路,每次按SB2时,都可以控制D触发器翻转一次,接在输出端的绿色、红色发光二极管交替闪亮一次;由R3、C2组成的RC延时电路,使触发器翻转延时,避免控制开关SB2按键反弹时造成触发器多次翻转。在时钟信号发生开关SB2两端并联有电容器C1,避免开关反弹接触不良时造成误触发现象。
图9为D触发器双稳态开关实验电路连接示意图。采用74LS74中的一个D触发器,其复位端 Rd和置位端Sd悬空,使触发器处于可以进行翻转和保持工作的状态。通过D触发器双稳态开关实验,不仅加深对D触发器逻辑功能的理解,也进一步了解到其工作原理,明白了为什么把D触发器 Q输出信号反馈到数据端D,这样每一次触发都能使D触发器翻转一次。
文/孙心若
编者注:
本文的视频讲解见本期配刊光盘。