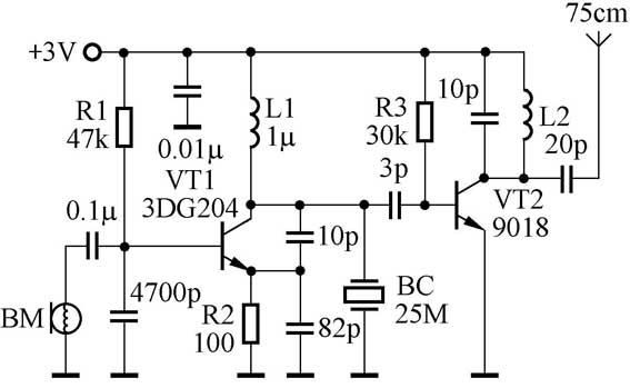
笔者从事校园广播工作,接触过多种调频发射电路,它们或频稳度低,或耗电量大。经多次实践,笔者设计出如下改进电路。该电路主要由考必兹晶体振荡器(采用共基极接法,高频特性好)和倍频功率放大器(采用共射极接法,增益高,效率高)两部分组成。具有简单易做、频稳度高(持续工作12小时无频率漂移)、发射距离远(开阔地可达百米)的特点。电路见附图。

三极管VT1、VT2均选用超高频低噪声管,要求fT ≥500MHz。VT1可选3DG204、3DG304等,β在60~80之间;VT2可选9018等,β≥100。L2用直径0.7~1.0mm的漆包线在直径5mm的笔杆上绕6匝,脱胎即可。BC可选标称频率为25MHz或33MHz的石英晶体。BM选用高灵敏度动圈送话器。所用元件均选正品。
调整R1使VT1的集电极电流在2~3mA之间;调整R3使VT2的集电极电流在10mA左右。打开调频收音机调谐在100MHz左右,找到频点。对送话器喊话,用无感螺丝刀细调L2的匝间距,使声音洪亮清晰。
找一金属外壳,把电路板及电池装好,一个高品质调频式无线话筒即制作成功。
文/于汇萍