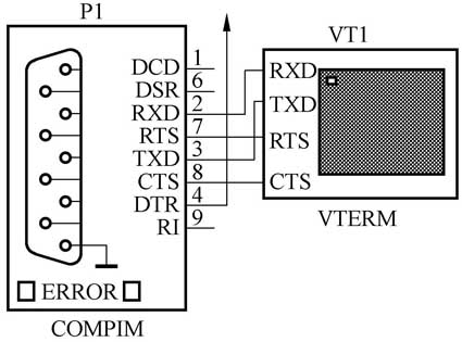
笔者在试用Proteus软件时,在Labcenter Electronics\Proteus 6 Demonstration\SAMPLES\目录下看到COMPIM Demo这个例子,电路图如图1所示。它用虚拟串口物理模型(左侧的P1)和一个虚拟终端(右侧的VT1)通信。在使用这个例子时,笔者准备用一个串口调试软件sscom32来检验一下,发现需要把电脑的两个串口连接起来,并且要串口2、3脚颠倒使用,当时手头没有这样的连线,也就没有进行这个试验。后来有一天突然想到软驱、光驱、打印机甚至 PC都能虚拟,串口也应该可以吧?功夫不负有心人,终于在一个网站上找到一个虚拟串口软件——Virtual Serial Ports kit。

虚拟串口的使用
笔者在Virtual Serial Ports kit的网站上下载到的最新版本是4.72,可惜只有15天的试用期。下载解压后点击setup.exe进行安装,安装时,先同意它的协议才能继续安装。然后一路“NEXT”,就可以安装成功了!安装完毕,点击桌面上的图标,出现图2所示的界面。点击工具栏的图标,出现了如图3所示的对话框,这是让我们设置虚拟串口的。一般来说,电脑硬件上已经设置串口COM1和COM2,所以我们可以把虚拟串口设置成COM3和COM4,让这两个串口通信,点击“OK”按钮,这时软件变成了如图4所示的界面了。如果发现工具栏上按钮是灰色,还需要点击一下,使它变成绿色,这意味着两个串口可以正常通信了。



笔者先试验了一下这个软件。同时运行两个sscom32软件,即双击sscom32图标两次,软件的界面如图5所示。点击左侧串口选择下拉箭头,如图6所示,把运行的两个sscom32的串口分别设置为COM3和COM4(要和虚拟串口软件的一致)。点击 按钮,打开两个串口,使前面的指示灯变为红色。这时我们就可以进行两个串口通信的试验了。在其中一个sscom32要发送的栏里添上几个字母,然后点击 按钮,在另一个sscom32里就会接收到刚才发送的字母。
虚拟串口和Proteus结合调试串口通信
打开Proteus的ISIS,然后打开Labcenter Electronics\Proteus 6 Demonstration\SAMPLES\目录下的COMPIM Demo这个例子。右键点击P1,选中它,然后点击左键出现如图7所示的对话框。按照如图所示的情形设置P1的通信串口(COM3)、波特率(2400)等。先打开Virtual Serial Ports kit软件,软件的设置和上面的一样即可。然后运行sscom32软件,把它的串口设置为COM4(必须先运行Virtual Serial Ports kit,才会出现COM3和COM4口选择的),波特率要与P1的设置一致,以便他们之间能进行通信。
点击ISIS右下脚的运行按钮,或者按F12,让Proteus模拟运行,这时出现虚拟终端的对话框,如图8所示。在sscom32的字符输入框里随便输入一些字符,然后点击发送,就会在ISIS的终端看到发送过来的字符。

在ISIS的虚拟终端里点击右键,出现如图9所示的对话框,在这个对话框里有“清屏”、“暂停”、“复制”、“粘贴”等选项,这里我们用到的是“Echo Type Characters”,把它选中后,我们就可以通过虚拟终端发送字符了。点击一下虚拟终端,这时我们发现可以写字符了,但是sscom32没有什么反应,仔细看ISIS这个例子的线路图,发现P1的DTR端已接电源的正极。于是,在sscom32软件的DTR的前面添上对号,再在ISIS的虚拟终端里写字符,sscom32就可以接收到字符了。

相关的参考网站
在http://www.daxia.com/search.asp?page=2&typeid=1&txtitle=串口,可以下载到sscom32软件。
在http://www.virtual-serial-port.com/网站可以下载到Virtual Serial Ports kit虚拟串口软件。
在http://www.labcenter.co.uk/网站可以下载到Proteus的DEOM版本。
文/殷建彬 朱前华