前两期文章中分别介绍了有关微波炉的基本原理和故障判断技巧等方面的知识,大家看后已经对微波炉的故障判断、维修的方法有了一定的了解。其实在微波炉维修实践中,许多情况下更为重要的是需要对相关的零部件进行检测、修理或代换,因为正确检测往往是判断故障原因的重要手段,同时由于有些零部件不易购到、价格又贵,自行修理或代换往往可较好地解决问题。本文主要讲解微波炉关键零部件的结构原理、检测、修理和代换方法。
磁控管
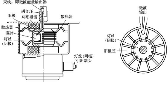
微波炉加热、烹饪食物所需的微波能量是由核心元件——磁控管产生的。目前广泛应用于微波炉的是连续波强迫风冷型磁控管,其基本结构剖视如图1所示,实体外形结构如图2所示。由图可见,磁控管是由阴极(灯丝)、阳极、环形磁钢、耦合环、天线(即微波能量输出器)、散热器和灯丝插头等组成。其中阳极呈圆筒状,通常用铜材制成,筒中多个翼片将阳极分割成十几个扇形空间,每个扇形空间就是一个阳极谐振腔,其谐振频率即磁控管的工作频率,—般为2450MHz左右。在阳极的外壳嵌套了一对环形永久磁钢,磁钢形成的磁场用于控制阳极腔内的微波振荡能量。阳极输出的微波能量通过一根环状金属管(即耦合环)传送到天线,再由天线向炉内发送微波能,对食物进行加热。

微波炉磁控管的灯丝工作电压一般为交流3.3V,电流10A左右;阳极(对阴极)电压为直流4000V左右。磁控管通电工作时,灯丝被加热,同时在阴极(灯丝)与阳极间形成高压电场,在电场作用下,阴极向阳极发射电子,阳极接收到电子而产生阳极电流。电子在到达每个扇形阳极谐振腔时,按其谐振频率振荡,同时因环形磁钢产生的恒定磁场垂直于高压电场方向,在该磁场作用之下,电子沿着阴极、阳极间的圆周空间作摆轮曲线运动,形成一个积聚能量的旋转电子云,并向阳极不断输送,从而在阳极上获得稳定的每秒振动频率约为24.5亿次的微波振荡能量。微波能量的大小主要取决于阳极电压的高低和磁场的强弱,由于环形磁钢的磁场强度恒定,故而微波输出功率主要与阳极电压相关。但若磁钢因故破裂或磁性明显衰退,就会引起磁控管输出功率减小,微波炉加热效果变差,出现加热慢、火力不足等故障,维修时一定要注意这方面的问题。
磁控管工作时的动态导通内阻很小,阳极电压的波动对微波输出功率影响很大,这将明显影响微波炉的加热性能。为了避免因电源电压波动而导致微波炉工作不稳定,磁控管阳极电压通常都由漏感变压器组成的电源电路来提供,它可稳定磁控管的阳极电流,使微波炉输出功率保持稳定。
磁控管的微波转换效率为70%左右,工作时其余30%左右的功率变成了热量,在管子上耗散,因功率大、温升较高,所以微波炉中都设置了冷却风扇,对磁控管进行强迫风冷散热,以防止过热损坏。
灯丝冷态电阻:用(万用表,下同)R×1k挡测,正常小于1Ω(通常为几十mΩ);灯丝与管壳间电阻:用R×10k挡测,正常为无穷大。灯丝电阻大是造成磁控管输出功率偏低的常见原因之一。如果测出灯丝电阻较大,不要轻易判断磁控管已坏或已衰老。实践表明,这种情况大多是磁控管灯丝引脚或插座氧化积垢后形成的接触电阻;也有是测量失误所致,通常是万用表表笔与测量点,或表笔与插座间的接触电阻所致,而磁控管本身的问题较少见,一般只有使用寿命期已过、长期过载工作或少数存在质量缺陷的磁控管才可能发生这种故障。所以检测时,首先万用表应正常,且测量方法要正确,其次应将磁控管管脚砂光或刮光,去除污垢和氧化物后再测量,如果测量电阻还是大,就可判断磁控管不良。
灯丝开路大多是磁控管本身损坏,对此一般只好换新管,但少数磁控管灯丝开路是引线脱焊所致。修理时可将灯丝底座撬开,随后用钢丝钳子将引线和连接片夹紧,再用烙铁焊牢就可以了。

表1和表2分别示出部分常用进口磁控管主要技术参数和国产磁控管主要参数及参考代换型号,供维修代换时参考。需要注意,国产磁控管在早期的国产微波炉中应用较多,近期则多用进口和合资产磁控管,其型号可能变动较大,有些早期磁控管已经或将要停产,所以购买时一定要问清能否代换。
高压变压器
1.结构和原理
高压变压器是一种专用漏磁(感)变压器,其结构示意如图3所示。由图可见,高压变压器共有3个绕组,其中一个初级绕组,交流220V市电电压施加在此绕组中;两个为各自独立的次级绕组:即输出交流3.3V的灯丝电压绕组和输出交流2100V左右的高压绕组。在初、次级绕组之间插有一定厚度的多片硅钢片,使变压器中形成一个具有高磁阻间隙的磁分路。当高压变压器工作时,磁分路中将产生—定量的漏磁通,它控制着变压器的输出电流,使磁控管工作电流保持相对稳定,原理简述如下:
磁控管工作时,变压器的次级高压绕组中有振荡电流流通,使其附近的铁芯产生磁饱和现象。假设因市电波动等原因而引起磁控管阳极电压上升、阳极电流增大,那么变压器次级绕组的电流也增加,使磁饱和度加深,漏磁通增大,这就使得变压器次级高压下降,也即磁控管阳极电压降低,阳极电流下降,反之则相反,从而起到自动调节阳极电压、电流及稳定微波输出功率的作用。
可见,高压变压器主要是靠漏磁通使磁控管工作电流保持稳定的,因此也被称作漏磁(感)变压器。这种变压器可在市电波动范围较宽的情况下保持磁控管阳极电流的稳定,因而在微波炉中获得了广泛应用,除特种产品外,几乎所有的微波炉均采用这类变压器。
2.检测、修理或代换
用R×1挡测量变压器冷态电阻:初级绕组通常为1.5~3Ω;次级高压绕组为80~150Ω;灯丝绕组接近0Ω。用兆欧表(500V绝缘电阻计)或用万用表R×10k挡测量,初级和次级对变压器外壳的电阻大于100MΩ。如果该电阻明显小于正常值,说明变压器漏电。测量时要注意清除变压器外壳上被测部位的绝缘漆膜,保证表笔与外壳的接触良好。同时不要将双手都接触到表笔及与其相接触测量点的导电部位,否则表针指示的就可能是阻值较小的人体电阻,而不是变压器的绝缘电阻了。同理,用万用表测高压电容、高压二极管等元器件时也同样要注意这点。
高压变压器的常见故障主要有:(1)绕组或引线断路、接触不良。这会造成微波炉不加热或工作不稳定等。(2)高压绕组内部局部短路,绕组和外壳间漏电或短路。这会造成微波炉不工作、烧保险丝或工作不稳定等。对于(1)可先查引线和接插件的情况,如果断线,只要重新焊接或连接牢靠就可;如果接触不良,应清除污垢,并加强两者的接触牢度即可。对于(2)通常可以先作烘烤处理或重新绕制,如果烘烤后不行或无法重绕,就应调换新件了。
高压电容器和高压二极管
1.结构和原理
微波炉所用的高压电容器的一般结构如图4所示。电容器的额定工作电压通常为1800~2200V,电容量在0.8~1.2μF,并且电容器的内部都并接着一个10~12MΩ的高阻电阻,其作用是在关机后自动泄放电容器上的电荷。
高压电容的主要作用是与高压二极管组成半波倍压整流电路,为磁控管提供直流阳极高压。高压变压器的次级高压绕组输出2100V左右的交流电压,经高压电容和高压二极管倍压整流后,获得4000V左右的直流高压供给磁控管的阳(阴)极使用。由于磁控管的阴极在内、阳极在外,为安全计,通常电路中总是将磁控管的阳极接地,而阴极接负高压。
高压电容还有提高微波炉电路效率的作用。因为漏磁变压器工作时存在滞后的漏感电流,效率较低;有了高压电容后,其超前的电容电流会对滞后漏感电流起到补偿作用,因而能使电路的功率因素得以提高、效率上升。
2.检测、修理或代换
可用万用表R×10k或R×1k挡测量高压电容器,表针应摆动一定角度后逐渐回到9~12MΩ。若导通或电阻小,表明电容击穿或漏电,若表针不摆动即指示9~12MΩ,说明电容已开路损坏。另外测量电容两端与外壳间电阻应为无穷大,否则表明电容与外壳绝缘不良。
高压二极管的导通阈值电压较高,若用内电池电压为1.5V的普通万用表测其正向电阻,测出阻值可能很大,表针大多不动,这就无法判断其好坏,所以要用内电池大于6V,最好9~15V的万用表的R×10k挡测量,测量的正向电阻正常为20~300kΩ左右;反向电阻则为无穷大。如.用兆欧表测量,正向电阻正常小于2kΩ;反向电阻为无穷大。如没有上述仪表,也可用普通万用表的R×1k挡测量,但需在一支表笔上串接6~9V电池后再行测量,串接电池时将红表笔接电池正极,电池负极则作为原红表笔用于测量。测量时不可短路两测量端,也不要去测量已知内阻不正常(过小)的高压二极管或其他元件,以免表针打过头而受损;为保险起见,也可串联一个合适的限流电阻后再使用。测量阻值判断标准可参照用同样方法所测的正常高压二极管的数值。当然根据一般经验判断更方便,而且大都可靠,即:只要检测出反向电阻为无穷大,正向电阻不是无穷大或者很大(表针偏转一定角度,不是微动),就表明二极管基本是好的。对于有些微波炉中采用的非对称保护二极管,可用10k挡测量,其正常的正反向电阻都应为无穷大。
微波炉的高压电容器和高压二极管,只要主要特性参数相同或相似,外形尺寸不影响安装,一般都可相互代换。
薄膜开关和FPC印制板
微电脑控制型微波炉的电脑板和控制面板中常常应用了薄膜开关和FPC(柔性或软性)印制板,如控制面板中的手感良好的平面轻触键盘开关和数字符号显示屏等。FPC也称软性连接元件,具有可任意弯曲折叠、盘绕半径小、既轻又薄、占用空间小等特点,在现代家电和仪表等设备已获广泛应用。
微电脑微波炉的控制和显示失灵等故障大多是薄膜开关漏电或FPC印制线路造成的。检查FPC印制线路和薄膜开关时,通常可从电脑板上拔出FPC印制线路插头,然后测量FPC插头和薄膜开关间的连接状况和薄膜开关本身的接触或漏电状况,如图5所示(这是一种较典型的微电脑微波炉中的电路)。正常状况应该是所有连接线路都导通,薄膜开关无漏电电阻、并且动作可靠、接触良好。
如果连接线路有断路,可用尖头电烙铁小心仔细地进行修复,必要时可加上细铜线帮助连接。倘若FPC插头或薄膜开关接触不良,可先用文具橡皮擦去插头或开关电极上的污垢,然后再用无水酒精擦拭干净就可排除故障,千万不可用砂布磨或用小刀刮,这样会明显影响它们的使用寿命,甚至导致损坏。
微电脑微波炉常见的两种故障大多与薄膜开关或FPC印制线路有关,(1)键盘中的大多数按键开关失灵。薄膜开关或FPC存在漏电是引起这种故障的常见原因,漏电则是由于微波炉电脑板长期受潮湿或水分侵蚀所引起的,而且从电路板外观上有时很难判断是否漏电,所以必要时可直接使用无水酒精擦拭或清洗薄膜开关、FPC和电脑板,大都会有效果。这种故障也可能由FPC印制线路同时发生几处断线引起的,但这基本是不当维修造成的,故较为少见。检查时只要用肉眼查看或万用表测量,很快就能检查到故障所在,重新焊好断线即可排除故障。(2)键盘中的个别按键开关失灵。与失灵开关对应的FPC线路断线或薄膜开关接触不良是引起这种故障的主要原因。可找到对应失灵开关的薄膜开关和线路,参考上述方法进行处理后就能排除故障。
必须注意,维修电脑板及其键盘电路等部件时,应采用尖小烙铁头的20~25W电烙铁,而且烙铁外壳要可靠接地,如没有条件则需待电烙铁加热后拔下电源插头后再使用。
定时器和功率调节器
1.结构和原理
普通微波炉一般都采用定时器和功率调节(控制)器由同一电机驱动的组合体形式,简称定时功调器。定时器主要由微型同步电机、降速齿轮组件和定时联动开关等组成。由于其有联动开关串接在微波炉电源电路中,因此定时器大都兼作电源启动开关,当然另设启动开关的微波炉除外。当操作人员拨动定时钮,设定定时时间时,定时开关被接通,微波炉得电而开始工作,同时定时器电机转动。当定时时间到达时,开关被断开,微波炉停止工作。许多定时开关断开时还会发出一声清脆的铃声,以提醒人们加热工作完成。
功率调节器也称火力调节器,它实际上也是个时间开关,功能是在微波炉工作期间周期性地不断接通和断开磁控管的电源,使磁控管有规律地间歇工作,即工作时间和休止时间有一定的比例关系,改变这个比例,就使磁控管在微波炉整个加热时间段中的工作时间得以相应改变,从而起到调节微波输出功率的作用。功率调节器也由定时器所用的同一电机驱动。
实际工作时,当设定好功率值后,功率调节器便控制磁控管工作一段时间再休止一段时间,并按一定周期不断循环这个过程,直至微波炉工作结束。这里假设磁控管在—个循环周期内的工作时间为t1,休止时间为t2,则一个循环周期T=t1+t2,如图6所示。从图6中可清楚地看出功率调节器控制微波输出功率的方式。循环周期T取值很有讲究,从加热角度考虑取短些好,但太短将使功率调节开关频繁动作,影响磁控管的工作稳定和使用寿命。通常机械式功率调节器的T都取30s左右,实践证明比较理想。当T=30s时,若设磁控管工作时间t1分别为6、12、15、24、30s,那么对应6s的微波输出功率为保温功率,这是炉子额定微波输出功率Po 的20%的功率,又称温火挡。对应12s的为解冻功率(40%Po,又称低功率或低火)、对应15s的为中功率(50%Po,又称中火)、对应24s的为中高功率(80%Po,又称中高火)、对应30s的为高功率(100%Po,又称高火或全功率)。普通微波炉大多设有这样的5挡功率(火力)调节挡,当然各挡的功率设定值(T和t1的比值)可能有所不同。少数微波炉有更多功率挡,可达8~12挡之多,以求更适应烹饪和解冻不同食品之需。
2.检测、修理或代换
常见定时功调器的电机线圈电阻参考值大多为:开启式为15~25kΩ;封闭式为5~10kΩ,但是也有产品不在这个范围内。检查时主要是测量电机绕组是否断路或电阻很大,如果是,通常应检查引线是否接触不良,如这方面正常,一般就要重新绕制线圈或更换电机了。
定时功调器还有机械方面的故障,较常见的是塑料调节齿杆等零件被异物卡住或本身损坏,修理时只需拆机取出异物或修复、调换损坏的零部件即可。
过热保护器
1.结构和原理
过热保护器又称热切断继电器、温度保护器等,主要作用是保护磁控管。微波炉中大多采用如图7所示的自恢复热感应片式过热保护器。它被安装在磁控管的外壳上,上盖的端面与磁控管直接接触,磁控管工作时,其温度变化通过上盖端面传导给热感应片。在正常温度范围内,保护器的动、静触头相接触,为导通状态。当出现冷却风扇停转等异常情况而导致磁控管温度快速上升并达到规定(保护)的数值时,热感应片受热而变形,使顶杆动作,将弹簧片压下,这样动触头便脱离静触头,于是电路被切断,磁控管停止工作,温度开始慢慢下降。当磁控管温度降到一定值后,热感应片又动作,恢复原形,使动、静触头相接触,电路又被接通,磁控管重新工作,这就是自恢复功能。
2.检测、修理或代换
测量过热保护器的两引出端在常温下应为导通状态,断路或有电阻指示都不正常。若过热保护器的动作温度失常,可能导致间隙加热或启动一下就不工作等故障,这用万用表无法测量判断,须拆开检查或根据其他现象综合进行判断。一部分过热保护器的故障可拆卸修复,若严重损坏或属于难以拆修一类,可按原型号购买配件或用相似特性和外形尺寸的产品进行代换。
风扇电机和转盘电机
1.结构和原理
普通微波炉中的风扇电机大都采用20~30W的单相罩极电机,其作用是对磁控管及高压变压器、炉腔等进行通风散热。转盘电机用于带动炉腔中的转盘旋转,使食物加热均匀。转盘电机通常由永磁同步电机和减速齿轮组构成,转速为5~8转/分,功率为3~5W。这两种电机并非微波炉专用件,且有些电机知识在本专栏以前的文章中已有介绍,故这里不再赘述。
2.检测、修理或代换
转盘电机的绕组电阻通常为10~20kΩ,有些较早期产品的电阻小于10kΩ,通常为4~8 kΩ。冷却电机绕组电阻为100~250Ω。转盘电机和冷却电机的绕组故障大多为端头脱焊或漆包线霉断等,通常检测和修复并不难,如果是绕组内部开路或短路,则需拆卸绕组重新绕制或更换电机.。
转盘电机的绕组内阻随产品型号等不同而差异可能较大,如果根据所测阻值难以判断,则可通电试验,只要齿轮组及转子没被卡阻,通常电机都会转动;如果转速正常且转动5分钟电机外壳不发烫,一般就没问题。如果电机不转,说明齿轮或转子有问题,少数也可能是绕组接触不良,对此就须拆开电机进行检修了。对转速不正常或转动一会就发烫的电机也同样应拆开检修,难以修复则考虑换新件。转盘电机可用外形相近、特性类似的3~5W鸿运扇同步电机代换,通常使用效果良好。
联锁开关和防微波泄漏装置
1.结构和原理
一般微波炉均设置了主、副联锁开关和监控(联锁)开关,其作用和原理已经在前面的文章中介绍过。微波炉中之所以要设置这样一套联锁开关装置,是为了保证在炉门开启时不能接通电源,防止微波泄漏,以确保操作人员的安全,我们在维修中千万不可忽视这套装置。
微波炉工作时,尽管炉门关闭,但也会有极小的微波泄漏,不过正常情况下不会对人体造成伤害,因为在微波炉研发、生产中已对机箱、炉腔、炉门等的防微波泄漏问题作了合理的设计,可确保微波泄漏远低于可能损害人体健康的水平。尽管如此,我们在维修中还是需重视微波泄漏问题。因为工作中的微波炉,其微波泄漏途径主要是炉门以及炉门与腔体之间的缝隙,如果炉门、门钩、门封或外壳等发生损坏、损伤时,就可能导致微波过量泄漏,对操作人员造成伤害。
炉门的防泄漏措施主要有两项,一是炉门观察窗上的防泄漏装置,即观察窗中设有网孔很密、对微波阻抗很大的金属屏蔽层,因而能通过的微波很微弱。另一是在炉门四周边内都设置了扼流槽(抗流槽)结构,如图8所示。抗流槽是利用1/4波长短路传输线原理设计的,有了抗流槽后,在炉门关闭状态下,四周的门缝隙处对微波呈现出很大的阻抗,所以有效防止了微波从门缝处泄漏出来。
2.检测、修理或代换
微波炉在使用及维修过程中,炉门经常被频繁开关,甚至碰撞、敲击等,容易引起炉门、门钩和门封等损坏或失效;另外,使用日久后,塑料门体的老化变形、门铰链的位移等都会使门缝间隙增大,这些因素都可能导致微波泄漏量增大,对维修人员和用户都可能造成伤害,所以千万不能掉以轻心。
联锁、监控开关及其支架的检修在前面的文章中已讲过,不再赘述。至于炉门及其与微波泄漏有关零部件的检查主要靠目测,应该仔细查看炉门是否松动或损坏、能否灵活开关,门隙、门垫及观察窗等是否有异常状况等,发现问题应及时处理,不可想当然地勉强使用。此外,检测微波泄漏量需用专业微波测量仪,用半导体收音机靠近炉门周围进行检测等简单方法是无效的。
文/王德沅

