动手做一支电子“蜡烛”,在欢度节日或庆贺生日时点“燃”它,别有一番情趣;当然,平时也可用它来作为夜间的装饰性照明。
电子“蜡烛”和真蜡烛相比,使用时更清洁、更安全,其闪烁之光,既柔和明亮又不怕风吹,真是:“拥有一支,其乐无穷!”
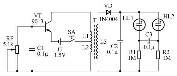
一、工作原理
电子“蜡烛”的电路如图1所示,它由振荡、升压、整流和氖泡闪烁等四部分电路组成。由于电路采用1.5V干电池供电,而氖泡正常发光需要高达65V的起辉电压,所以必须采用振荡及升压电路将1.5V电压提升为合适的高电压。

晶体三极管VT和升压变压器T的初级线圈L1、L2以及微调电位器RP、电容器C1等组成了典型的共基极电感三点式振荡器,振荡频率主要由L1和L2的匝数、C1容量以及RP的阻值共同决定。初级线圈(L1+L2)产生的振荡电压,有一小部分从L2两端取出,经RP和C1正反馈到VT的基极,通过VT放大后,对振荡回路的能量不断进行补充,以建立起稳定的振荡。初级线圈产生的振荡电压通过互感作用,在次级线圈L3两端获得约100V的交流电压。此交流电压经晶体二极管VD整流、电容器C2滤波,供给氖泡闪烁电路用电。这里利用氖泡HL1、HL2的负阻特性,以及电阻器R1、R2和电容器C3的充放电特性,巧妙地构成了一个张弛振荡器,使得HL1、HL2能够交替辉光闪烁,从而模拟出蜡烛火焰跳动的效果。
电路中,RP是晶体三极管VT的基极直流偏置微调电位器,C1是VT的正反馈电容器;通过适当改变RP阻值和C1容量,可改变振荡器的工作频率和振荡信号强弱。R1、R2既是对应氖泡HL1、HL2的限流电阻器,又是电容器C3的充放电电阻器。适当改变R1、R2的阻值,既可改变对应氖泡的发光亮度,又可改变对应氖泡的闪烁速度。改变C3的容量,可同时改变氖泡HL1、HL2的闪烁速度。
二、元器件选择
晶体管VT最好选用9013或3DG12、3DK4型硅NPN中功率三极管,要求电流放大系数β≥100;VD用1N4004型硅整流二极管;HL1、HL2用起辉电压为65V左右的小氖泡,如NH1-105C、NH1-106C、NHO-106型等;若一时购买不到合适的小氖泡,可用普通测电笔里专用的小氖管直接代替。
RP用WH7-B型卧式安装微调电位器。R1、R2用RTX-1/8W型碳膜电阻器。C1用普通CT1型瓷介电容器,C2用CL11-400V型涤纶电容器,C3用CJ11-160V型金属化纸介电容器。
升压变压器T需要自制:L1用φ0.31mm漆包线,在φ10mm、长度30~40mm的中波收音机专用磁棒上密绕75匝;L2用φ0.21mm漆包线同方向绕制35匝,L1线尾和L2线头相连接作为共用抽头。L3用φ0.07mm漆包线绕1000匝左右。
SA用CKB-1型小型拨动开关。G用一节5号干电池,电压1.5V;为了方便安装,应配上塑料电池架。
三、制作与使用
图2是该电子“蜡烛”的印制电路板接线图。印制电路板采用环氧基质单面敷铜板加工而成,实际尺寸约为55mm×35mm。

焊接好的电路板,应首先将微调电位器RP置于阻值中间位置,然后合上电源开关SA,一般情况下氖泡HL1、HL2就会点亮,且交替辉光闪烁。用小起子微调电位器RP,可改变振荡强弱,从而在一定程度上能调节HL1、HL2的辉光亮度。如原来电路不起振,通过调节RP可使电路起振,氖泡闪亮。如果调节RP仍不能使电路起振,则应检查元器件质量特别是升压变压器T的质量情况。如嫌HL1、HL2交替闪光的速度太慢(或太快),可通过适当减小(或增大)电容器C3的容量来加以调整。如嫌HL1、HL2的亮度太低,可适当减小电阻器R1、R2的阻值;必要时,还可将电源电压加大到3V,即用两节5号干电池串联供电。
调试结束,按照图3所示,将整个电路板连同电池架等安放在一尺寸合适的扁圆形塑料盒(如比较大一点的护肤霜空盒)内,作为“蜡烛”的底座。在底座面板适当位置处开孔,安装好电源开关SA。在底座上方用硬卡纸做一形似蜡烛状的圆筒,圆筒外粘上红色蜡光纸(或在仿“烛体”上涂上红色颜料,并浇上加热熔化后的蜡烛),还可贴上剪裁的金字;在圆筒顶端安放氖泡HL1、HL2,两个氖泡应上下安装,外面包裹一层红色透明玻璃纸(可取糖果包装纸)或油光纸,做成烛焰状。这样,当氖泡HL1、HL2交替发光时,就好像真的蜡烛火焰在跳动一样,十分逼真。

这种电子“蜡烛”在工作时,电池供电电流只有14mA左右;每换1节新的5号干电池,一般可连续使用50小时以上,非常经济省电。
文/张晓东