集成稳压器具有体积小、稳压性能好、外围电路极简单的特点,在稳压电路中得到了十分广泛的应用。由于其优良的稳压性能,集成稳压器还可以变通作恒流源使用。
一、集成稳压器的恒流原理
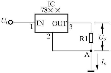
三端集成稳压器的典型应用电路如图1所示,R1为等效负载电阻。当输入电压Ui或等效负载电阻R1在一定范围内变化时,集成稳压器IC能够保持输出电压Uo恒定不变,即输出电压Uo恒等于集成稳压器IC的固有稳压值。由于Uo恒定不变,因此输出电流Io仅取决于电阻R1的大小,Io =U\(_{O}\)/R1。如果固定R1保持不变,那么输出电流Io也就是一个恒定值了,这就是集成稳压器的恒流原理。

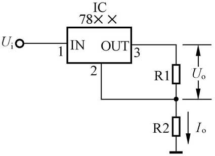
将图1改画成图2的形状可以清楚地看到,从A点到地的电流即为集成稳压器的恒定输出电流Io 。如果在A点到地之间串入电阻R2(见图3),流过R2的电流也只能是Io ,而与R2的阻值大小无关。可见,在这里集成稳压器IC和电阻R1构成了一个恒流源,恒定电流Io =U\(_{O}\)/R1,式中,Uo为集成稳压器IC的固有稳压值。选取不同的R1,即可获得不同的恒定电流值。


二、集成稳压器作恒流源的电路形式
1.三端固定正输出集成稳压器构成的恒流源。图4所示为采用三端固定正输出集成稳压器7805构成的恒流源,R1为恒流电阻,输出恒定电流Io =U\(_{O}\)/R1 =5V/R1,可通过选用不同阻值的R1来设定所需的恒流值。由于7800系列集成稳压器最大输出电流为1.5A,且具有3.2 ~ 6.0 mA的静态电流,因此该恒流源恒流范围为10 mA ~ 1.5A 。电路应用中应保证集成稳压器7805的 1 、3脚之间的压差不低于其最小输入输出压差(2.5V)。7800系列其他稳压值的集成稳压器同样应用,用其稳压值除以所需恒流值即可计算出R1值,即R1=U\(_{O}\)/IO。

2.三端固定负输出集成稳压器构成的恒流源。图5所示为采用三端固定负输出集成稳压器7905构成的恒流源,输出恒定电流Io =U\(_{O}\)/R1=5V/R1。在该恒流源电路中,7905处于倒置应用状态,以保证调整管正常工作,如图6所示。7900系列集成稳压器静态电流只有1 ~ 2 mA,最小输入输出压差只有1.1V,因此该恒流源恒流范围为5 mA ~ 1.5A ,7905的2 、3脚之间的压差不低于1.1V即可。7900系列其他稳压值的集成稳压器同样应用, R1 =|UO|/IO。


3.三端可调正输出集成稳压器构成的恒流源。图7所示为采用三端可调正输出集成稳压器CW117构成的恒流源。CW117稳压输出范围为1.2 ~ 37V,这里固定为最低输出电压1.2V,因此输出恒定电流Io =1.2V/R1。

4.三端可调负输出集成稳压器构成的恒流源。图8所示为采用三端可调负输出集成稳压器CW137构成的恒流源。CW137处于倒置应用状态,输出恒定电流Io =1.2V/R1。

三、集成稳压器变通运用实例——恒流充电器
图9是一款采用三端固定正输出集成稳压器7805作为恒流源的恒流充电器电路图,可以为两节镍氢充电电池充电,充满后指示灯自动熄灭。
1.电路工作原理。充电器电路由整流电源、恒流源、充电指示电路等部分组成。①集成稳压器7805与R4、R5、R6、R7分别构成50 mA、100 mA、150 mA、200 mA恒流源,由开关S进行选择,以适应不同容量电池充电电流的需要。两节1.2V镍氢充电电池串联接入电路进行充电,二极管VD6的作用是防止被充电池电流倒灌。②晶体管VT1、VT2、发光二极管VD5等组成充电指示电路,充电开始时,因为被充电池电压很低,VD6正极电位也较低,不足以使VT2导通,VT2截止,VT1导通,VD5发光指示正在充电。随着充电的进行,VD6正极电位逐步上升。当被充电池充满电时,VT2导通,使VT1截止,VD5熄灭。③变压器T、整流桥VD1 ~ VD4、滤波电容C1等组成整流电源,为充电电路提供约12V的直流电源。
2.调试与使用。主要调试充电指示灯的熄灭电压。1.2V镍氢充电电池刚充满电时约为1.4V,因此可用1.4V直流电压暂接入被充电池位置,调节R3使VD5刚刚熄灭。也可装上两节放完电的镍氢充电电池,用10小时率常规电流充电14 ~ 16小时后,调节R3使VD5刚刚熄灭。使用时一般用10小时率电流充电,例如,对于500 mAh左右的镍氢充电电池,将S置于50 mA挡进行充电;对于1000 mAh左右的镍氢充电电池,将S置于100 mA挡进行充电;对于1500 mAh左右的镍氢充电电池,将S置于150 mA挡进行充电;对于2000 mAh左右的镍氢充电电池,将S置于200 mA挡进行充电。充电时指示灯VD5亮,当VD5熄灭时表示电已充满。
文/莫恩