编者按:
电子控制技术入门讲座已连载了10期,如果您在阅读的过程中有什么不明白的,或有什么要求和建议,请通过写信、电话或email的方式与我们联系,我们将根据您提的问题和建议进行集中的回答和改进。
基本门电路经过组合可以成为复合门电路,如与非门、或非门、与或非门以及异或门等。与非门是构成数字集成电路最基本的单元,也是门电路的基本组件。
一、与非门电路
图1(a)为2输入端与门输出经过非门反相后,组合成与非门电路。图1(b)为2输入端与非门逻辑符号,逻辑表达式为Y=A·B
表1为2输入端与非门真值表,只有满足输入端A与B皆为1时,才能实现输出端Y为0的结果,反映出与非逻辑关系。图2为2输入端与非门波形图,当输入端A与B波形皆为高电平1时,输出端Y才下跌为低电平0。
图3为四2输入端与非门74LS00管脚引线排列图,它由四个独立的2输入端与非门组成,比如第一个门电路1、2脚为输入端1A和1B,3脚为输出端1Y。为满足多种所需的逻辑关系,制作出相应的复合门电路,如三3输入端或非门,它由3个独立的3输入端或非门组成。
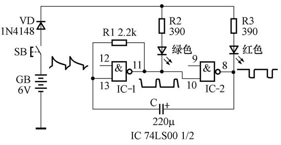
二、与非门实验电路
图4为与非门组成的自激多谐振荡器实验电路,它由2输入端与非门IC-1、IC-2,定时电路元件R1、C组成。由于与非门只使用了一个输入端,另一个输入端闲置悬空,当作非门使用,因此振荡电路与简易非门自激多谐振荡器形式相同,各测试点波形在图中已标明,振荡频率约0.9Hz。另外,用四2输入端与非门也可以组成对称方波自激多谐振荡器、带RC延时电路的环形自激多谐振荡器。
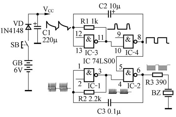
图5为模拟昆虫叫声实验电路,由与非门IC-3、IC-4及定时电阻器R1和定时电容器C2组成自激多谐振荡器,产生振荡频率约为25Hz的矩形波;由IC-1、IC-2和R2、C3等组成振荡频率为2kHz的受控自激多谐振荡器。IC-2输入端的5脚与IC-4输出端的8脚相连,当8脚为高电平时,IC-2开通,产生2kHz振荡;当8脚为低电平时,IC-2关闭,阻止4脚信号通过,振荡器停止振荡,使得受控自激多谐振荡器产生间歇振荡,各测试点振荡波形在图中相应位置已经标出。压电陶瓷片BZ接IC-2的输出端,R3为隔离电阻器,以减少呈电容性的压电陶瓷片负载对振荡器工作的影响。
连接好电路后,先将压电陶瓷片BZ连接在IC-4的输出端,听到25Hz蛙鸣声,然后再将BZ接回原来位置,IC-2受控输入端的5脚连线暂时不连接,压电陶瓷片发出2kHz振荡蚊子叫声。再接通IC-2的5脚与IC-4的8脚之间的连线,压电陶瓷片发出受25Hz调制而产生间歇振荡的2kHz声音,模拟蟋蟀发出“嘟噜”的叫声。最后,断续接通按钮开关SB,闭合时电源向C1充电,振荡器工作发出昆虫叫声;当SB断开时,电容器C1向振荡器短暂供电,由于供电电压急剧下降,振荡器的振荡频率随之急剧变低直到停振,模拟蟋蟀在振翅快要结束时所产生变调的声音。只要以一定的速度不断按下与松开SB,就能模拟出断断续续的蟋蟀叫声。本实验通过简单的两个振荡器组合,了解与非门选通与禁止的作用,以及在受控振荡器中的应用。
3.颤音电子门铃
图6为颤音电子门铃实验电路。由与非门IC-3、IC-4和定时电路元件R1、C1等组成颤音振荡器,产生频率约5Hz的颤音。由IC-1、IC-2和R2、C2等组成音频振荡器,产生约3.3kHz鸣笛声。当颤音振荡器IC-4输出端为高电平时,对音频振荡器的振荡没有影响,红色发光二极管也不会点亮。当IC-4输出端为低电平时,相当于这一点接地,音频振荡器输出端为高电平时,红色发光二极管点亮,R3为限流电阻器。由于红色发光二极管和R3是音频振荡器输出端负载的一部分,红色发光二极管被点亮就加重了音频振荡器输出端的负载,使其振荡频率略有上升,发生频率调制作用,见图中IC-4和IC-2输出端的波形,音频为调频波。
图7为颤音电子门铃实验电路连接示意图。调试颤音电子门铃电路时,先将电阻器R3的下端与IC-2输出端断开,改接到工作电源Vcc供电端,红色发光二极管闪亮速度每秒钟约5次,说明颤音振荡器工作正常。再调试由IC-1和IC-2组成的音频振荡器,压电陶瓷片BZ发出清脆、稳定的鸣笛音,说明音频振荡器工作正常。最后,再将R3下端接回IC-2输出端,随着红色发光二极管闪亮,压电陶瓷片发出相应颤音来。如需增加颤音电子门铃音量,由与非门IC-2输出的信号经过偏置电阻器R4加到三极管VT基极,进行开关放大,驱动扬声器B发出响亮的声音,涉及的电路见连接示意图右下角部分。如还要增加音量,可将R4电阻值减小至390Ω,VT集电极电流约为50mA。用扬声器放音时,需要降低振荡频率,R2增加至3.3kΩ,C2选用4.7μF。
4.模拟楼梯自灭灯电路
图8为模拟楼梯自灭灯实验电路,它由与非门IC-1、IC-2和R4、C2微分电路组成的单稳态电路,按钮开关SB2、C1等组成的负脉冲触发信号电路,红色发光二极管、限流电阻器R5组成的显示电路,以及电源供电系统4部分组成。当按钮开关SB2断开时,电源通过电阻器R1和R3向电容器C1充电,C1左端为正。由电阻器R2和R3构成分压电路,使与非门IC-1输入端的1脚得到Vcc/2≈2.5V的电压,高于IC-1的转换电压,此时2脚亦为高电平,IC-1输出端为低电平。当控制按钮开关SB2闭合时,C1通过电阻器R3进行放电,在R3中放电电流方向自下而上,在IC-1的1脚输入了一个负向尖顶脉冲信号,用来触发单稳态电路由稳态变为暂稳态,使IC-2输出端得到一定宽度(tw)的低电平脉冲信号输出,接在输出端的红色发光二极管点亮一定的时间。微分型单稳态电路输出脉冲宽度由定时电路决定,其脉冲宽度为
tw≈0.94RC
当R4=4.7kΩ,C2=220μF时,实测tw约1.4s。通常定时电容器取值很宽,从几十皮法到几百微法。通过微分型单稳态电路实验,就会发现按下SB2时间长短,甚至按住不放,电平显示发光二极管点亮时间长短不变。如果用示波器观察IC-1的1脚的波形,就会发现当SB2闭合时,由于开关反弹(跳)现象,输入信号波形产生毛刺,经过单稳态电路输出一个前后沿陡峭、定宽的负向脉冲信号,这就是微分型单稳态电路的信号波形定宽(展宽)、整型作用。
至此,已经介绍完了有关门电路的基本知识,这是学好数字集成电路的关键。门电路起着逻辑运算的作用,运算结果由输入信号来决定,一旦这些信号变化或消失,运算结果就不能得到保持,也就是说门电路没有记忆功能。下一部分将介绍具有记忆功能的触发器基本知识。
文/孙心若





