水箱(或水阀)自动供水控制电路在停止供水期间,都程度不同的在消耗电能。本文介绍的节能长寿水箱自动供水电路,元器件少、成本低、安装简易、工作可靠,而且不供水的时间内整个电路断电,使用寿命相应增长。
电路工作原理
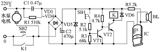
节能长寿水箱自动供水电路如图1所示。图中,电容C1、C2、电阻R1、二极管VD1~VD4和稳压二极管VD5等组成电容降压、桥式整流、电容滤波和稳压管稳压电路,向供水控制电路提供12V直流电源;三极管VT1、VT2和继电器K等组成供水电路,控制水泵电机(或电磁阀)工作和停止;IC等组成声响电路,供水期间发出美妙乐曲声,以提示供水电路工作正常。

当水箱中的浮球降至最低水位点N时,其控制杆的另一端,在杠杆支点O的作用下,将自复式按钮开关SB2压下(如图2所示),接通220V交流电源,水泵电机(或电磁阀)得电工作,供水开始。与此同时,三极管VT1的基极因无正向偏压而截止,VT2饱和导通,继电器K得电工作,其上常开触点K1闭合将SB2自锁,故浮球随水箱中水位上升。SB2失压复位触点断开时,220V交流电源仍处于接通状态,确保水泵(或电磁阀)继续供水。IC也因加有工作电压而同时发出音乐声。

当水箱中的浮球随水位升至最高水位点M时,则控制杆的另一端将自复式按钮开关SB1压下,三极管VT1的基极获正向偏压,VT1导通,VT2截止,其上常开触点K1断开220V交流电源,水泵电机(或电磁阀)及控制电路断电,水泵(或电磁阀)停止供水,整个电路停止工作,无音乐发出。当浮球再次降至最低水位N时,上述过程周而复始。可见,通电供水及断电停止工作,均不需人为介入,全系自动进行,既有利于管理使用,又有益于节约水电,是家庭水箱供水和定时接水的良好装置。
元器件选择
VT1、VT2为NPN型三极管,分别选用9014和S8050;VD1~VD4和VD6选IN4004;VD5选12V稳压二极管;IC为音乐三极管,选VT66A;C1选CBB型电容,耐压630V;C2为普通电解电容,耐压25V;电阻R1~R5选1/4W金属膜或碳膜电阻;K为12V直流继电器,触点电流不小于3A;SB1、SB2选中小型自复式按钮开关。BL为扬声器,选8Ω/0.25W小型电动扬声器。
制作安装
节能长寿水箱(或水阀)供水电路的印制电路如图3所示。元器件良好、安装正确无误、焊接牢固,电路不需调试即能正常工作。
浮球选成品浮子或空心钢球、橡皮球,控制杆选轻质铝合金圆形或方形杆,亦可选空心圆铜杆,但直径不宜超过5~6mm,支点外砸扁打孔。支点距两端的比例为2∶1。距支点短端尽量砸成方形或扁长形,以增大与按钮的接触面积。控制杆另一端采用尼龙网与浮球相连。
节能长寿水箱自动供水,装置安装示意图如图4所示。当水泵电机换成电磁阀,将家庭水管出水水龙头改换为三通阀,一端接水管,中间端安装电磁阀,另一端安装水龙头,就变成定时自动接水装置,遇停电时可手动接水。
文/杨国治