松下MX8C机芯彩电是松下公司推出的跨世纪产品,主要型号有:TC-29P32G、TC-29P31R、TC-29P30R等。这类彩电的小信号处理器采用东芝公司推出的大规模集成块TB1237AN,具有多制式、高画质和高稳定性等特点。
一、 TB1237AN介绍
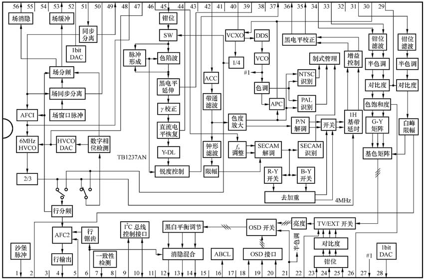
TB1237AN是一款具有PAL、NTSC及SECAM解调功能的小信号处理器,专用于大屏幕彩电,它的内部电路结构框图如图1所示,由图可知,它内含如下一些电路。

亮度处理通道:
该通道能对亮度(Y)信号进行钳位、黑电平延伸、γ校正、直流电平恢复、延迟型轮廓补偿、锐度控制、半色调控制、对比度控制及白峰限幅等处理。如果45脚输入的是复合视频信号(CVBS),则亮度通道中的色度陷波器会工作,并将色度信号吸收掉,分离出亮度信号;如果45脚输入的是亮度信号,则色度陷波器处于直通状态。
色度解调通道:
该通道能对PAL、NTSC及SECAM制色度信号进行放大、分离和解调处理,获得R-Y信号及B-Y信号。色度信号分离是由带通滤波器来完成的,当42脚输入的是复合视频信号时,带通滤波器工作,并将色度信号分离出来;若42脚输入的是色度信号,则带通滤波器处于直通状态。色度解调通道中设有一个16MHz的压控晶体振荡器(振荡元件接在40脚上),能产生16MHz的基准信号,再通过频率合成方式来产生4.43MHz或3.58MHz副载波。色度解调通道中还设有制式识别电路,能对输入信号和副载波信号的制式同时进行识别,一旦识别出当前信号制式,制式管理器立即输出控制电压,使电路进入相应的制式状态。
色差处理通道:
该通道能对R-Y和B-Y信号进行基带延时、增益控制、黑电平校正、钳位滤波、半色调控制、色饱和度控制、G-Y矩阵等处理。基带延时电路仅在PAL/SECAM制状态下起作用,在PAL制状态下,基带延时电路能克服彩色相位失真现象;在SECAM制状态下,基带延时电路能将隔行格式的R-Y及B-Y信号转换为逐行格式的R-Y及B-Y信号。半色调控制电路能使电路的增益在“满增益”和“半增益”之间转换,在半增益状态时,输出的色差信号幅度会减半。
三基色处理通道:
三基色处理通道具有三方面作用,一是完成色差信号与亮度信号的矩阵处理,形成R、G、B三基色信号。二是完成内/外RGB信号的切换及亮度控制。三是完成黑白平衡的调节及消隐信号的插入。该通道中设有两组开关,即TV/EXT开关和OSD开关,这两组开关用来切换内部RGB信号与外部RGB信号。
扫描处理通道:
该通道能产生行、场扫描脉冲。行、场扫描脉冲即可由6MHz振荡脉冲经分频后产生,也可由色度解调通道中的16MHz基准信号经分频后产生,采用哪种方式,完全取决于软件的设定。扫描处理通道中除了设有模拟锁相环路(AFC1和AFC2)外,还设有数字锁相环路,因而具有极高的稳定性,行、场同步性能极好。
I\(^{2}\)C总线控制接口:
该电路负责与CPU之间进行通讯,对CPU送来的控制信息进行识别和D/A转换,将数字信号转换为模拟控制量,控制内部各电路进行工作,还可将内部各电路的一些状态信息送至CPU,使CPU了解TB1237AN的工作状态。另外,TB1237AN内部还设有两个1bit DAC电路,能将I\(^{2}\)C总线控制信息进行D/A转换,输出高/低电平控制量,用于其他方面的控制。
TB1237AN的引脚功能及工作电压如附表所示。
二、信号流程
TB1237AN外围线路如图2所示,由TV/AV切换电路送来的亮度信号(或复合视频信号)一方面加至45脚,另一方面经共基放大器Q685和射极跟随器Q686后,加至51脚。由TV/AV切换电路送来的色度信号(或复合视频信号)直接加至42脚。
45脚输入的亮度信号(或复合视频信号)进入内部亮度通道,经亮度通道处理后从37脚输出,又送入到31脚,再次由亮度通道进行处理,最终送至内部基色矩阵电路。
42脚输入的色度信号(或复合视频信号)进入内部色度解调通道,经色度解调通道处理后得到R-Y和B-Y信号,从35脚和36脚输出,分别送至IC603的11脚和16脚。
IC603为切换开关,负责对内、外R-Y和B-Y信号进行切换。外R-Y及B-Y信号由外部视频设备送来,加在IC603的14脚和1脚上。IC603选择输出其中一路R-Y和B-Y信号,并送回到TB1237AN的34脚和33脚,进入内部色差处理通道。经色差处理通道处理后,送至基色矩阵电路,与亮度信号进行矩阵处理,得到图像RGB信号。图像RGB信号经三基色处理通道处理后,从14脚、13脚和12脚输出,送至末级视放电路。
23脚、24脚及25脚为字符三基色信号输入端,22脚为字符消隐信号输入端。在字符消隐信号的控制下,字符三基色信号被插入到图像三基色信号中,形成字符镶嵌在图像中的效果。
51脚输入的亮度信号(或复合视频信号)进入内部同步分离电路,分离出同步信号。同步信号一方面从49脚输出(本机未用); 另一方面送至扫描处理通道,确保扫描同步。扫描通道产生的行扫描脉冲从4脚输出,场扫描脉冲从53脚输出。因TB1237AN内部无锯齿波形成电路,故53脚输出的是场频矩形脉冲,锯齿波形成任务由后级电路来完成。
三、 检修要点
1. 值得注意的几个供电电压
3脚为行启振供电端,采用+9V电源供电,若供电电压丢失,内部扫描通道会停止工作,出现三无现象。
8脚为逻辑供电端,专为内部数字电路供电(+5V),若供电电压丢失,内部I\(^{2}\)C总线接口及DAC电路会停止工作,出现三无现象。
17脚为RGB供电端子,专为内部三基色通道供电(+9V)。若供电电压丢失,内部三基色通道会停止工作,导致12脚、13脚及14脚输出电压极低,出现黑屏现象。
38脚为副载波电路供电端,电压为5V,若供电电压丢失,副载波电路会停止工作,出现无彩色现象。
41脚为Y/C供电端,专为内部亮度通道和色度处理通道供电(5V),若供电电压丢失,整个解码电路会停止工作,出现黑屏现象。
2. 亮度通道检修要点
45脚、37脚及31脚为亮度信号的输入或输出端子,正常时,45脚上应有1VP-P亮度信号(或复合视频信号);37脚和31脚应有0.7VP-P亮度信号。因此,当出现彩色暗影(即亮度信号丢失)故障时,通过测量这三脚波形,可以判断故障部位。
整个亮度通道只设有3个辅助引脚:39脚、44脚及2脚。39脚外接黑电平延伸滤波电路,亮度信号的“浅黑”电平保存在C637上。39脚外部RC电路出故障时,会影响图像质量,例如:当R635阻值增大或C637容量减小时,图像会变黑。44脚外接直流恢复滤波电容,若将此脚开路,可在此脚上观测到黑电平延伸后的亮度信号,44脚外部电容出故障时,对画面影响不大。2脚外接白峰限幅设置电路,2脚电压决定白峰限幅的起点,若其外部元件出故障,将会引起图像变暗,甚至出现彩色暗影现象。
3. 色度通道检修要点
27脚为色副载波输出端,正常时,此脚应有0.5VP-P副载波,通过测量此脚波形可判断副载波电路的好坏。
40脚外接16MHz振荡电路,用来产生16MHz的基准信号。4.43MHz或3.58MHz的副载波是由16MHz的基准信号经频率合成后形成的。若40脚外部元件损坏,副载波就不能形成或者频率偏移,出现无彩色现象。40脚外围元件的好坏,一般需用元件替换法进行判断。
30脚外接APC环路滤波器,能将内部APC电路产生的误差电压转换为直流电压,进而控制16MHz振荡器,使16MHz基准信号频率稳定。若30脚外部电路有问题,副载波的频率或相位就会偏离正常值,出现无彩色现象。
29脚为对比度控制滤波端,当其外部电容击穿或漏电时,图像的对比度会减小,图像会变淡,层次不分明。
26脚为色饱和度限制端,若其外部电容容量减小过多或者开路时,会出现彩色不稳的现象。
21脚为半色调控制端,在正常工作状态下,21脚电压应为低电平(小于1V);在半色调状态下,21脚电压在1~2V之间,此时,亮度信号和色差信号的幅度减半,这样能衬托字符显示。若21脚电压高于2V,就会出现无图像的现象。
22脚为字符消隐信号输入端,当22脚为高电平期间,字符信号插入图像信号中。若22脚外部电阻R583开路,22脚就恒为低电平,从而产生无字符显示的现象。
16脚为自动亮度/对比度控制端,反映束电流大小的ABL电压经Q585射随后加到16脚,当图像的亮度与对比度过大时,ABL电压过低,Q585射极电压下降,从而使16脚电压也跟着下降,经内部电路调节后,图像亮度和对比度下降,从而自动限制了图像的亮度和对比度。16脚内部或外部电路是故障多发部位,当其内部或外部电路出故障时,常引起16脚电压下降,导致图像变暗的现象。此时可将16脚外部电路断开,测16脚电压,若电压为6.4V左右,说明内部电路正常,故障是因外部电路引起的;若16脚电压偏离6.4V较多,说明16脚内部电路有故障。
4. 扫描通道检修要点
4脚为行脉冲输出端,正常时,此脚应有4.8VP-P的行频脉冲,且直流电压为2V左右。若此脚直流电压不正常,或无行脉冲波形,说明内部行电路有问题。
TB1237AN内部采用6MHz行振荡器,该振荡器由AFC1和数字锁相环路共同进行锁相控制,AFC1环路滤波器接在48脚,数字锁相环路滤波器接在47脚。47脚和48脚外部元件不良时,常会出现同步范围变窄或不同步的现象。另外,当6脚无行逆程脉冲输入时,行同步范围也会变窄,且图像变暗,甚至在屏幕左(或右)边出现黑色消隐带。
5脚用于扫描失真校正,若5脚外部电容击穿,则行脉冲占空比会发生较大的变化,甚至烧坏行管。
53脚为场脉冲输出端,正常时,此脚应有4VP-P的场频矩形脉冲,且直流电压为5V左右。通过观测此脚波形和测量此脚的直流电压,可判断内部电路正常与否。
50脚外接场同步分离积分电容,当50脚外部电容损坏时,会出现场不同步的现象。
若51脚外部电路出问题,会导致内部同步分离电路分离不出同步信号,此时,7脚将变为低电平,1脚也无沙堡脉冲输出,出现图像极暗,且不同步的现象。
5. 检修实例
例1:
开机出现三无。
先检查电源电路,发现电源电路已正常工作。查TB1237AN的3脚电压,也正常,再查8脚电压,也正常。用示波器检测4脚,无行脉冲输出,4脚的直流电压也不正常(只有0.5V左右)。再测1脚波形,也无沙堡脉冲,怀疑TB1237AN损坏,更换后,故障排除。注意,TB1237AN与TB1238AN并非姊妹集成块,它们的结构完全不同,不能用TB1238AN来替代TB1237AN。
例2:
开机后,图、声正常,但播放一段时间后,画面变成黑白图像。
从现象上分析,故障应出在色度信号处理电路。待故障出现后测38脚电压,发现完全正常,用示波器观测42脚波形,也正常。观测副载波(示波器探头勾在X630和C638的中间)也正常。考虑到用示波器无法准确读出频率,故还是将X630和C638换新,但未能排除故障,由此说明副载波振荡电路是正常的。转而检查30脚外部的APC滤波电路,当更换C630后,故障排除。
例3:
开机出现三无现象。
先初步对电源进行检查,发现电源已经工作。接着查TB1237AN的3脚电压,居然为0V,17脚电压也为0V。因3脚和17脚采用三端稳压电路IC882(AN7809)进行供电(图中未画出此电路),故对IC882进行检查,结果发现IC882输入电压正常,但无电压输出,怀疑IC882损坏,更换后,故障排除。
例4:
开机后,伴音正常,但画面很暗。
先调整亮度和对比度,发现调到最大时,画面仍不够亮,而此时的图像也较淡薄。查39脚外围电路,未发现异常,测16脚电压,远低于正常值,由此可知,由于16脚电压过低,使内部ABCL电路提前启控,导致亮度和对比度下降。断开16脚外部电路,测16脚电压,为6.3V左右(正常),说明故障是因外部电路引起的。查16脚外围元件,发现C586漏电,更换后,故障排除。
文/王忠诚