在控制电路中往往要用到晶体闸流管和触发二极管,当缺少这些器件时,可以用普通的晶体三极管和二极管代替,只要正确合理使用,完全可以长时间正常工作。下面通过几个实例作具体介绍。
一、晶体三极管变通作晶体闸流管用
单向晶闸管具有PNPN四层结构,形成三个PN结,它有三个外电极:阳极A、阴极K和控制极G,可等效为PNP、NPN两只晶体管组成的复合管,如图1所示。因此,用一个PNP型晶体管VT1和一个NPN型晶体管VT2组合起来,即可作为一个单向晶闸管使用,如图2所示,晶体管VT1的发射极等效为晶闸管VS的阳极A,VT2的发射极等效为VS的阴极K,VT2的基极等效为VS的控制极G。在等效晶闸管A、K极间加上正向电压(A极正、K极负),VT1、VT2并不自动导通。当在控制极G加上正向触发电压U\(_{G}\)时,VT2因有基极电流而导通,并为VT1提供基极电流,使VT1随即导通;VT1的导通又为VT2提供更大的基极电流,如此形成强烈正反馈,VT1、VT2迅速进入饱和状态,负载电流即可从A极到K极通过。这时即使去掉触发电压U\(_{G}\),VT1、VT2仍维持饱和状态,直至通过它的电流小于维持电流时,VT1、VT2才截止。完全符合晶闸管的工作特性。


二、普通二极管变通作触发二极管用
缺少触发二极管时,可以用普通二极管代用,如图3所示,VD为硅二极管,触发电压U\(_{G}\)= 0.7V 。如需提高触发电压,可用数只硅二极管正向串联,图4为3只硅二极管正向串联组成的触发二极管,触发电压U\(_{G}\)= 2.1V 。普通二极管也可构成双向触发二极管,图5为触发电压U\(_{G}\)= 1.4V的等效双向触发二极管,包含正、反向两并联支路,每支路均由2只硅二极管VD1、VD2(或VD3、VD4)正向串联而成。改变每支路串联的二极管的个数,即可改变触发电压U\(_{G}\)。



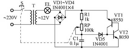
三、晶体管变通运用实例 ——石英灯调光电路
石英灯是一种时尚灯具,大多采用12V石英灯泡,具有亮度高、功耗小、寿命长和安全等特点。图6所示为石英灯调光电路,可以控制石英灯的亮度在微亮到全亮之间连续可调。

1.电路工作原理。
图6电路图中,晶体管VT1、VT2构成等效单向晶闸管,VD5为触发二极管,EL为12 V石英灯泡,T为电源变压器。电阻R1、电位器RP和电容C1构成定时电路,与VD5一起产生触发电压U\(_{G}\)。
接通电源后,变压器T次级的12V、50Hz交流电压经二极管VD1 ~ VD4整流为100Hz 的脉动电流,每个半周开始时通过R1、RP向C1充电,由于充电电流很小,不足以使石英灯泡EL发光。随着时间的推移,当C1上所充电压达到VD5的导通电压时(等于VD5的正向压降加上VT2的e-b结压降),VD5导通输出一个触发电压U\(_{G}\),使等效晶闸管VT1、VT2导通,EL发光。当交流电压过零时等效晶闸管关断,下一个半周开始时重复以上过程。图7为工作波形示意图,图中“t”为充电时间。当R1+RP的阻值较小时,充电时间t较短,等效晶闸管导通角较大,EL上获得电压较大,发光较亮。当R1+RP的阻值较大时,充电时间t较长,等效晶闸管导通角较小,EL上获得电压较小,发光较暗。调节电位器RP即可改变等效晶闸管的导通角,从而达到调光的目的。

2. 制作与调试。
图6电路中,晶体管VT1采用PNP功放管8550,VT2采用NPN功放管8050,两管参数均为V\(_{ceo}\)= 40V,I\(_{CM}\)= 1.5A,P\(_{CM}\)= 1W,因此该电路适用于12V、10 ~ 15W的石英灯泡。如欲控制更大功率的石英灯泡,应采用I\(_{CM}\)更大的晶体管。如欲控制220V的石英灯泡或其他灯泡,应采用具有足够耐压(不小于400V)的晶体管、二极管和电容器,并取消电源变压器T,同时制作中应特别注意人身安全。
文/莫恩