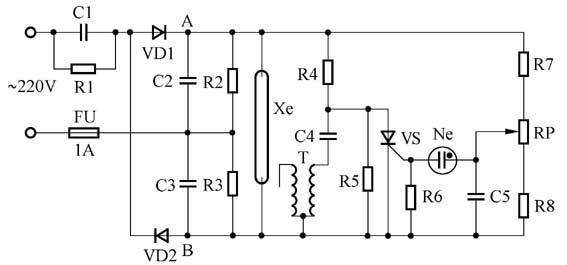
频闪仪(又名频闪灯)是高中物理教学实验的重要器材,市场售价最低都在300元以上。我根据长期维修各类闪光灯的经验设计了一款频闪仪,造价在50元以内,经较长时间的使用及老化实验,性能稳定,完全可以取代市售的频闪仪。适合有电子技术基础的教师按图制作。该频闪仪原理图如附图所示。
电路原理
220V市电由C1限流,经VD1、VD2交替向C2、C3充电,由于C2、C3是串联的,在A、B两点得到600V左右的电压,灯管Xe并联于A、B两点,因而灯管两端电压也等于600V左右,为闪光作好准备。R4、R5、C4、T、VS组成闪光触发部分,由R4对C4充电,R5 的作用是保证C4 的电压不超过T的工作电压,当VS导通时,C4通过脉冲变压器T的初级线圈放电,在次级线圈上感应近万伏的电压,电离了灯管中的惰性气体,使灯管导通,C2、C3通过灯管放电产生一次强烈电弧光。R7、RP、R8、C5、Ne组成频闪触发控制部分,由R7、RP、R8组成分压电路对C5充电,当充电电压达到氖灯起辉电压时,C5通过氖灯起辉向晶闸管VS触发极提供触发信号,使晶闸管导通,灯管闪光。氖灯起辉后,C2、C3、C4、C5电压急骤下降,再恢复到初始状态,调整RP的阻值,可改变频闪频率。
电路设计
由于频闪灯管的工作电压在400~650V之间,市电经常规的整流方法达不到,为此采用了半波倍压整流电路,使灯管两端获得600V左右的电压,这里采用电容限流,限流电容选用10uF/400V,根据公式
I=2πfC1U=2×3.14×50×10\(^{-}\)5×220=0.691A
VD1、VD2通过的电流为0.691A,式中U为交流电压有效值,f为电源频率,C1为限流电容。
2. 频闪控制
频闪频率是频闪仪的一个重要指标,参照多数频闪仪说明书,一般频闪频率为每秒1~12次,这里采用C5和氖灯Ne控制频率,利用R7,RP,R8组成的分压电路对C5充电,调整RP可改变对C5的充电时间,也就改变了氖灯起辉的频率,从而达到控制频闪仪闪光频率的目的。
元件选择
C1 为10μF/400V,C2、C3为100μF/350V,C4、C5为0.047μF/400V,VD1、VD2分别为1N4007、3CR06A。T闪光灯触发线圈可选用天津南高电子有限公司产品。Xe频闪灯管可选用上海亚明灯泡厂、镇江电子管厂产品。Ne氖灯可选用镇江特种灯炮厂、电阻全部为 1/8W, R1、R2、R3为1MΩ,R4、R5为3.3MΩ,R7、R8为1.8MΩ, RP为500kΩ,R6为470kΩ。
文/孔凡虎 傅进
