传统的可调式稳压电源大多是通过调节电位器的阻值改变输出直流电压,电位器特别容易磨损,使用一段时间后就会出现接触不良,引起输出电压不稳定。本文介绍的数字可调式稳压电源是通过轻触式按钮以步进方式选取不同的输出电压,再由数码管显示输出电压及其工作状态,工作稳定可靠。特别适合单片机初学者制作。
本文采用了单片机AT89C2051,AT89C2051的特点是可直接反向驱动LED数码管,工作电压范围2.7~6V,下载程序容易。另外,由于只有20个引脚,体积小,所以它很适合于作小型控制。本文中用它作为稳压电源的控制核心。
图2是辅助电源及稳压电源输出电路。图中220V市电经变压器T变压输出得到18V交流电压,经VD1~VD4桥式整流,C7、C6滤波,再经U6稳压块稳压,得到+5V电压,作为整机的工作电压。U7为可调式三端集成稳压器。其1脚为调节端。图1中的VD5和VD6两个二极管起着保护稳压器的作用。J1为输出插针。

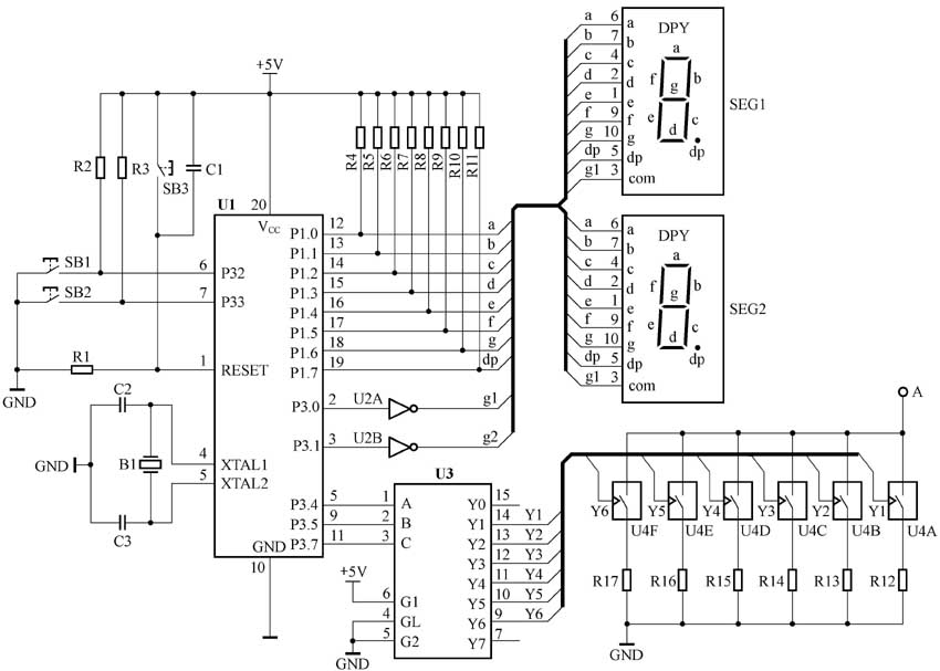
图2为主要控制电路。单片机的4脚和5脚外接晶振。1脚为复位端,SB3为手动复位开关。6脚和7脚外接中断开关。其中,SB1用于增加电压,SB2用于减小电压。每按一下,加(或减)一个电压值。P1口通过上拉电阻外接八段共阴数码管,其公共端(com)分别接单片机的2脚和3脚,电路中为了节省材料,数码管采用动态扫描的方式显示。当P1口某引脚输出为高电平,且P3.0(或P3.1)位控制引脚输出为高电平时(P3.0和P3.1不能同时为高电平),对应的该段数码管就亮。P3.4、P3.5、P3.7为控制信号输出口,其输出通过3-8译码器接到模拟开关U4A~U4F的控制端上。与模拟开关串联的精密电位器R12~R17的值对应着相应的电压值。当模拟开关的控制端为高电平时,模拟开关导通,输出电压就发生相应的改变。

单片机的源程序和相应的程序解释见本期配刊光盘。源程序中采用了动态扫描显示的方法,提高了AT89C2051的管脚利用率,节省了数码管驱动的硬件电路。
电路焊接完毕后,还需要进行简单的调试 :先开机按SB1或SB2使数码管显示为0.0,再按一下SB1使数码管显示3.0,此时调节R12电位器,使输出为3.0V(需借助于万用表)。然后再按一下SB1使数码管显示4.5,调节R13电位器,使输出为4.5V。然后再按SB1,依次调节R14~R17,使输出的电压值与数码管显示的值相同。调试完后最好用蜡把R12~R17封住,以免电阻值改变。
由于LM317输出电流的限制,使输出电流只能控制在几百毫安之内。若想提高输出电流,可采用功率三极管放大电流,如3DD系列的三极管,此时需注意加散热片。
本电路所需元器件见附表。

文/熊亚希