一台松下TC-D21C(M15L机芯)型彩电,有时开机正常,有时反复按压几次电源开关都不能开机,开机瞬间待机指示灯明暗闪烁几下变为常亮。
根据该机芯特点,待机指示灯常亮,说明开关电源没有工作。但从开机瞬间待机指示灯明暗闪烁几下来看,机器有启动迹象,可能因启动条件不具备而进入保护状态。
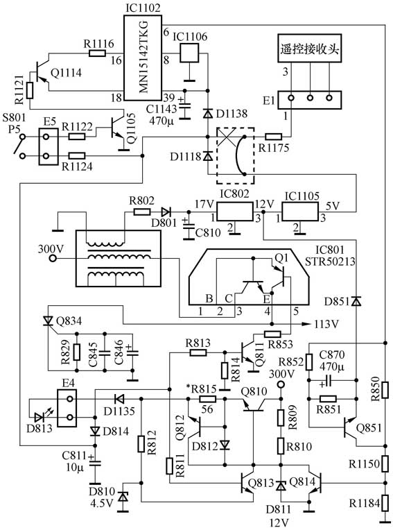
开机,测CPU(IC1102)的6脚电源控制端电压为0V(见附图),开机时应为高电平4.4V,测CPU的39脚电源端电压为4.3V(图标4.4V),基本正常。在按下电源开关时监测CPU的6脚瞬间有0.2V电压随即降为0V,说明CPU已输出开机信号,只是持续时间太短,万用表不能测到4.4V的高电平。判断故障在电源保护电路。

要想了解该机电源保护电路的工作原理,首先必须弄清开待机工作过程。该机的待机电源直接取自整流滤波后的300V直流电源,经串连式电子稳压电路为CPU供电。开机时,当按下电源主开关,整流滤波后的300V直流电压直接加到Q810的集电极,同时通过R809、R810为Q810基极提供偏置电压。Q810导通后的电压通过R815、D1135、发光二极管D813后分两路。一路经R813加到Q811的基极,Q811导通并通过IC801中的Q1将开关管基射极短路,开关电源不能工作,这一过程比开关电源启振要快;另一路通过D814在C811两端形成约5V的电压,分别送至CPU 的39脚电源端、8脚复位端和遥控接收头的3脚。同时该电压经R1124加到S801(主开关)的P5接点。当按下电源主开关S801(主触头未画出)时,与之联动的单接点瞬动开关P5接通后又断开,形成一个开机脉冲。该脉冲通过R1122加到Q1105的基极,Q1105与Q1104瞬间导通,CPU的18脚输出的键扫脉冲通过导通的Q1114送返16脚(P5接点在开机时是否接通,决定开机后电视机的工作状态。如果该接点在按动电源主开关时未瞬间接通,电视机将处于待机状态,但按压遥控器上的开待机键或选台数字键仍可开机),微处理器接收后,从6脚输出高电平(4.4V),经R850、R1150加到Q814的基极,Q814导通,Q810截止,待机指示灯D813熄灭,Q811截止,主电源IC801启振工作,输出+B(113V)和17V电压。17V电压经IC802和IC1105稳压后,输出5V电压送至微处理器和遥控接收头。至此,开机过程结束,电视机进入正常工作状态。待机电源与主电源切换期间,微处理器的供电电源由电容C1143(470μF)提供,保证其6脚高电平不跌落。待机时CPU的6脚输出低电平,Q814截止,Q810导通,Q811导通,开关电源关闭。
电源保护电路工作原理:当+B电压高于140V时,Q834触发导通,+B电压剧降,开关电源停振,CPU失电,Q814截止、Q810、Q811相继导通,机器进入保护状态,待机指示灯点亮。Q834不是普通的晶闸管(可控硅),而在其内部阳极与控制极之间并接的齐纳二极管。当+B电压高于140V时,齐纳二极管击穿,晶闸管被触发导通。当12V电源失压或负载短路时,D851负端失压或电压下降而导通,Q851正偏导通,Q814截止,Q810、Q811相继导通,开关电源关闭,待机指示灯点亮,机器进入保护状态。从12V保护电路的接线原理来看,当C870(470μF)容量下降时,也会造成开机瞬间保护电路动作,因CPU的6脚输出高电平驱动Q814的同时对C870充电,利用C870两端电压不能突变来延迟Q851导通,防止12V保护电路误动作。待机电源负载电流增大时,取样电阻R815两端的压降增大,其压降大于0.6V时,Q812导通,Q810发射极电流减弱,Q812截止,因该过流保护电路不能自锁,Q810又导通,如此循环,待机指示灯呈明暗闪烁。此种保护只是在开机瞬间及待机时才起作用。
根据以上对开(待)机工作过程及保护电路的分析,可以排除+B电压和12V电源保护电路动作的可能,因开机时只能检测到CPU的6脚瞬间0.2V电压,说明开关电源没有启动,也就不存在+B电压和12V电源保护的可能。如果开机瞬间12V电源保护电路误动作,Q851导通将Q814基极电位拉低至0.3V左右,CPU的6脚应该保持高电平,所以12V保护电路误动作的可能性被排除。
至此,怀疑开机瞬间待机电源负载过重引起过流保护。为快速判断故障,断开遥控接收头的接线端子E1,反复开机试验,故障不再出现。考虑CPU或遥控接收头工作电流增大,但功能未受影响。将与二极管D1118负极连接的电阻R1175断开后接入D1118的正极(见虚线框内),遥控接收头的电源改由开关电源直接供电。接入E1端子,开机试验,故障不再出现,只是电视机丧失了待机状态下的开机功能。
故障虽然排除了,但总觉得不太完美,毕竟电视机缺失了待机状态下的开机功能。因没有同型号配件更换,试图通过其他途径恢复此功能,从过流保护电路取样电阻的取值来看,待机电源的最大输出电流只有10.7mA,考虑该机有时开机正常,有时不能开机,并且故障持续两个多月,说明过流保护电路处于临界工作状态,且较稳定。于是,决定增大待机电源的输出电流,将取样电阻R815(56Ω)换成51Ω,输出电流增大到11.8mA,恢复R1175与电路的连接,经多次开机试验,故障不再出现。
小结:
对故障的发生机理作如下分析。由于CPU或遥控接收头工作电流增大,当CPU的6脚输出电流的瞬间,待机电源的输出电流达到最大值,取样电阻R815两端的压降达到了0.6V,Q812导通,Q810发射极电流减弱,随即CPU的39脚电压瞬间跌落,其6脚电压随之消失,Q812因Q810发射极电流减少而截止。Q810再次导通为CPU供电时,由于S801的P5触点不能自动瞬间闭合,CPU没有收到开机信号而处于待机状态,因静态工作电流较小,过流保护电路未再次动作,出现了开机瞬间待机指示灯明暗闪烁几下变为常亮的故障现象。
文/高密林