立体声有源音箱内设立体声功率放大器,它具有连接简单、使用方便、价格低廉、美观实用等优点,常用于电脑、游戏机、随声听、CD、MP3等多媒体音源的扩声与重放。其实只要对其稍加改动,又可成为一对非常实用的纯立体声音箱,一机两用,具体方法如下。
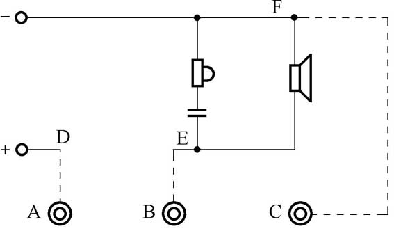
在原有源音箱后面板适当位置加装一个三位扬声器的接线夹或安装三只扬声器的接线柱,分别为A、B、C,颜色为黑、红、黑(见附图),然后将该箱内部功放输出正端至扬声器连线间断开为D、E两点,将D、E两点分别连接于接线夹(柱)的A、B端上,最后再使用一根导线将接线夹(柱)的C端与功放输出负端F点连接,改造即告完成(图中虚线为外接引线),也可在原有源音箱后面板上加装一个两位扬声器接线夹(柱),直接将D、E两点用大电流优质开关串接,通过开关来转换有源音箱与立体声音箱。
(1)作为立体声有源音箱使用(AMP):将加装在有源音箱后面板上的接线夹(柱)的A、B端使用导线短接(或接通D、E间开关),则原有源音箱功能不变。
(2)作为纯立体声音箱使用(SPK):断开A、B端导线(或D、E间开关)时,B、C两端即可作为外接音箱的接线端(B接正,C接负),则原有源音箱立即变为一只外接音箱,与另一只音箱共同组成一对纯立体声音箱。切记,使用这对音箱时功放箱不需接通电源。
该音箱可作为微型组合音响、录音机、带外接音箱的大屏幕电视机及小功率功放机等设备的外接音箱来使用(当然功率和阻抗最好能匹配)。如果你的有源音箱品质较好的话,改制后用它充当外接音箱,定会使你的系统音质有很大的提升,令你产生耳目一新的感觉。笔者就将一对漫步者R1000TC有源音箱改装,用于替代三洋DC-DA3300M微型组合音响原装箱,效果非常理想,有兴趣的话不妨一试。另外,建议有源音箱生产厂家也可效仿此法生产。
文/李保平

