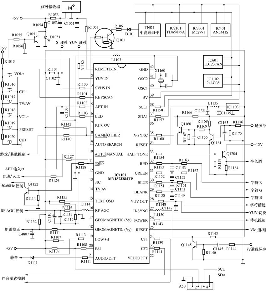
松下MX8C机芯遥控系统所用的CPU为MN1873284TP,它是松下公司推出的采用CMOS工艺制作的单片8位CPU。内含微处理单元、ROM、RAM、字符发生器及I/O端口等电路。它采用42脚封装方式,具有很强的控制能力,可对存储器、小信号处理器及其他一些电路进行有效管理。
松下MX8C机芯遥控系统如附图所示。下面按CPU的引脚序号逐一解析各脚的外部电路及控制功能。
1脚为遥控指令输入端,外接红外接收器。红外接收器将接收到的遥控信号进行解调后,获得控制指令送入1脚,CPU通过对该指令进行译码后,再确定作何种操作。
2脚为YUV识别信号输入端。本机设有YUV输入端子,能直接接收Y、U、V信号。当未插入YUV端子时,2脚为低电平。若插入YUV端子,则2脚会变成高电平。CPU收到此高电平后,就知道有YUV信号输入,此时,CPU能从28脚输出一个高电平,使机器处于YUV工作状态。
3脚为S端子识别信号输入端,本机设有S(S-VHS)端子输入孔,当未插入S端子时,3脚为高电平。若插入S端子,则3脚变成低电平,此时,CPU就知道有S-VHS信号输入,CPU通过I2C总线能使机器进入S-VHS工作状态。
4脚为本机键扫描信号输入端,4脚外部接有6个按键,这6个按键构成本机键盘。显然,这是一个电阻分压式键盘,每按一个按键,4脚都会得到一个不同的电压输入,CPU通过识别该电压后,就知道是哪一个按键被按下,进而完成相应的操作。
5脚为AFT电压输入端,AFT电压由中高频组件送来。在自动搜索时,CPU通过检测AFT电压来识别精确的调谐点,以便在调谐最准确时,完成自动记忆操作。在正常收视时,CPU通过检测AFT电压来实现调谐频率自动跟踪,防止跑台现象的发生。例如:在收视过程中发生了跑台现象(即调谐频率发生漂移),此时,AFT电压也发生变化,CPU通过检测AFT电压后,便产生调谐校正指令,经I2C总线送入中高频组件,控制调谐器的调谐频率,使其向相反的方向变化,直到准确为止。
6脚为指示灯控制端。机器工作时,6脚输出低电平,Q1051截止,发光二极管D1051被点燃。当机器出现故障而引起CPU保护时,CPU会从26脚输出待机控制电压(低电平),使机器处于待机状态,同时,还从6脚输出脉冲电压,使指示灯闪烁,以作故障指示。
7脚为总线开/关控制端,本机未用。
8脚为游戏/其它模式控制端,控制电压送至中高频组件。当机器工作于游戏模式时,8脚输出低电平,中高频组件停止工作。当机器工作于其它模式时,8脚输出高电平,中高频组件工作。
9脚为同步/搜索控制端。该脚电压送至中高频组件,用来控制RFAGC电压。在正常收视状态下,9脚输出低电平,不影响RFAGC电压。在自动搜索时,9脚输出高电平,Q101饱和,调谐器AGC端子经D101和R106接地,从而使调谐器AGC端子电压基本保持稳定,有效地防止了自动搜索时因信号大幅度变化而引起RFAGC误调整的现象。
10脚为自动/人工模式控制端,该脚外部虽连有电路,但本机实际未用该脚的控制功能。
11脚为50/60Hz场频模式控制端,当电路工作于PAL制(场频为50Hz)时,11脚为低电平,Q1122截止,其集电极输出高电平,送至场输出电路,使场输出电路处于50Hz工作模式。当电路工作于NTSC制 (场频为60Hz)时,11脚为高电平,Q1122导通,其集电极输出低电平,使场输出电路处于60Hz工作模式。
12脚和42脚为CPU的接地端,13脚为空脚。
14脚为TV/AV控制端,本机未用,TV/AV控制由I2C总线来完成。
15脚为图文模式控制端,本机未用,外部仅接有上拉电阻R1135。
16脚为RFAGC(射频AGC)控制端,控制电压送至中高频组件,以调节RFAGC的启控点。16脚电压一旦设定,便处于固定状态,若想调节RFAGC的启控点,需进入维修模式,选择CHK2菜单中的“RFAGC”项目,调节“RFAGC”项目的数据,16脚电压就会发生变化,RFAGC的启控点也就随之改变。
17脚和18脚用于地磁校正控制。其中17脚为垂直方向地磁校正控制,18脚为水平方向地磁校正控制,本机只使用了18脚的控制功能。18脚输出的控制电压送至地磁校正电路,以校正地磁对光栅的影响,防止光栅产生倾斜现象。
19脚为CPU的一个I/O端口,本机未用,其外部仅接有一个上拉电阻。
20脚为总线所有权控制端。应用时,20脚应保持高电平,以便CPU拥有总线控制权。20脚仅在工厂调试时起作用,在工厂调试时,生产线上的计算机通过插口A50向20脚送入一个低电平。此时,CPU就将总线控制权交由机外计算机管理,机外计算机利用A50插口通过I\(^{2}\)C总线将控制数据(软件)写入到CPU内的ROM中或存储器IC1102中。
21脚为音频静音控制端。在自动搜索、换台或人工静音时,21脚输出高电平,送至伴音功放电路,使伴音功放电路处于0音量工作状态,扬声器无声音发出。正常工作时,21脚输出低电平,伴音功放电路正常工作,扬声器发声。
22脚为视频静音端,本机未用。
23脚和24脚为伴音制式控制端,控制电压送至中高频组件,以设定伴音中频电路的工作制式。依靠23脚和24脚的四种电平组合,可以实现四种伴音制式的切换。
25脚为VM通/断控制端,控制电压送至VM(扫描速度调制)电路。当收看电视节目时,25脚为高电平,VM电路起作用。当收看文图信息或电视节目出现不同步时,25脚为低电平,VM电路不起作用。
26脚为待机控制端。正常工作时,26脚输出高电平;待机时,26脚输出低电平,此低电平送至电源电路,使电源电路处于待机工作状态,各路输出电压降低一半左右,整机处于三无状态。
27脚为行逆程脉冲输入端。行逆程脉冲取自行输出电路,经Q1145倒相后送入27脚。行逆程脉冲主要用于字符水平定位,使字符显示在行正程。
28脚为内/外YUV切换控制端,控制电压送至IC603。当28脚输出低电平时,IC603选择内YUV信号;当28脚输出高电平时,IC603选择外YUV信号。
29脚、30脚、31脚及32脚分别输出字符消隐信号、字符B信号、字符G信号及字符R信号,它们均送至小信号处理器TB1237AN。在字符显示期间,29脚输出高电平,使TB1237AN完成插入处理,将字符三基色信号插入到图像三基色信号中,形成字符镶嵌于图像的效果。
33脚为半色调(或称半透明)控制端,在正常收视状态下,33脚输出低电平,小信号处理器的亮度通道和色差信号处理通道处于“满增益”工作状态。在预置状态下,33脚输出高电平,小信号处理器的亮度通道和色差信号处理通道处于“半增益”工作状态,此时图像变淡,从而衬托了字符显示,使字符显得更清晰、明亮。
34脚为CPU的复位端,每次开机瞬间,由外部复位电路(IC1103)向34脚提供一个低电平,使CPU复位,待CPU的+5V供电电压达到稳定值后,34脚才变为高电平,复位结束,CPU转入正常工作状态。在关机瞬间,复位电路也向34脚提供一个低电平复位电压,使CPU在关机瞬间不会工作,以防止误动作的产生。
35脚为场脉冲输入端,场脉冲由小信号处理器送来,经Q1161和Q1160两级倒相放大后,送入35脚。场脉冲主要用于字符垂直定位,使字符显示在场正程。
36脚为CPU的一个I/O端口,本机未用。
37脚和38脚为I2C总线端口。总线上共挂有6个被控器,分别是存储器IC1102、小信号处理器IC601、扫描处理器IC401、TV/AV切换电路IC3001、NICAM处理器IC2101及中高频组件TNR1。CPU通过I2C总线对这些电路进行控制。
39脚为CPU的供电端,供电电压为5V。
40脚和41脚为时钟振荡端,外接时钟振荡网络,时钟频率为12MHz。
CPU引脚电压如表1所示。
3. I\(^{2}\)C总线调整
(1) 维修模式(行业模式)的进入与退出
将电视机音量调节到0,先按一下“关机定时”键(将关机定时器打开),然后同时按下遥控器上的“呼出”键(“”键)和电视机上的“音量-”键,即可进入维修模式。调整完毕,关闭电源便可退出维修模式。
(2) 调整方法
在维修模式下,共有四组调整菜单,即CHK1~CHK4,用遥控器上的“数字1”键或“数字2”键可切换各组菜单。进入某组菜单后,用遥控器上的“数字3”或“数字4”键选择调整项目,用“音量+”或“音量-”键可改变数据。调整清单如表2所示。
(3) 旅馆模式的进入与退出
先按一下“关机定时”键,再同时按遥控器上的“呼出”键和电视机上的“频道增”键,即可进入“旅馆模式”。在旅馆模式下,频道增和减功能与正常模式一样,最大音量被设定在当前音量(即进入旅馆模式之前的音量)下,其他功能不再起作用。若同时按遥控器上的“关机定时”键和电视机上的“音量减”键,可退出旅馆模式。
4. 故障检修
例1: 开机后,整机三无,指示灯亮
先测26脚电压,为低电平,说明CPU已输出了待机电压。按遥控器的“开/关机”键,26脚总保持低电平不变,说明机器无法二次开机。查CPU的39脚供电电压,完全正常。查34脚复位电压,也正常。接着查40脚和41脚外部的时钟振荡器,当更换X1160后,故障排除。
例2: 接通电源后,整机三无,指示灯闪烁
从故障现象上分析,机器已进入保护状态。先对CPU的工作条件(供电、时钟及复位)进行检查,未发现异常。再查37脚和38脚电压,发现37脚电压远低于正常值(只有2.2V左右)。由此可知,I2C总线系统有故障,导致CPU保护。采用断路法对总线上的被控器进行检查,当断开存储器IC1102后,37脚电压恢复正常,判断存储器损坏。使用原厂提供的存储器更换后,故障排除。注意,不能使用市售的空白存储器进行替换。
例3:一些频道画面清晰,而有些频道画面有噪波点干扰
起初怀疑是信号源的问题,可用户家中另一台14英寸彩电使用相同信号源时,每个频道均清晰,因而可排除信号源的问题,怀疑是AGC电压未处于最佳状态。于是将机器转到有噪波点干扰的频道上,再进入维修模式,找到CHK2菜单中的“RFAGC”项目,仔细调节“RFAGC”的数值,直到噪波点消失。然后,又转换到其他频道,观看画面,通过反复调节“RFAGC”的数值后,故障排除。
例4: 图像正常,但无字符显示
从现象上看,怀疑行逆程脉冲或场脉冲未送入到CPU。先查27脚电压,正常。再测35脚电压,为5V(完全等于CPU的供电电压),说明35脚无场脉冲输入。查35脚外围电路,发现Q1160断路,更换后,故障排除。注意,若找不到原型号三极管时,也可用C1815进行替换。
文/王忠诚

