555时基电路是爱好者比较熟悉的集成电路,特别是双极型555时基电路,具有较大的驱动能力,最大输出电流可达200 mA(电源电压4.5 ~ 18 V),可以直接驱动继电器、小型电动机等负载。
一、555时基IC作驱动应用的基本形式
将555时基电路变通用作驱动电路时,可以有多种电路形式,下面介绍几种基本的应用电路,读者可根据需要灵活运用。
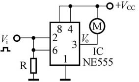
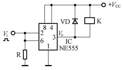
1.施密特触发器驱动电路。如图1所示,555时基电路(IC)接成施密特触发器形式,直流电动机M接在IC输出端3脚与电源V\(_{CC}\)之间,2、6脚短接作为控制输入端。由于下拉电阻R的作用,无控制信号时2、6脚电位为0,3脚输出信号V\(_{O}\)= V\(_{CC}\),电动机M无工作电压而不转动。当有控制信号V\(_{i}\)(V\(_{i}\)≥ 2/3V\(_{CC}\))作用于2、6脚时,3脚输出信号V\(_{O}\)= 0 ,电动机M得电转动。图2所示为驱动继电器的例子,VD为保护二极管。

如果采用低电平有效的控制信号V\(_{i}\)(V\(_{i}\)≤ 1/3 V\(_{CC}\)),可以接成图3所示的电路,电动机M(或继电器等其他负载)接在IC输出端3脚与地之间,R为输入端上拉电阻。施密特触发器驱动电路的特点是电动机等负载工作与否完全取决于控制信号的有无,555时基电路仅仅起功率驱动作用。


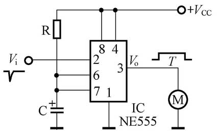
2.单稳态触发器驱动电路。如图4所示,555时基电路(IC)接成单稳态触发器形式,电动机M接在IC输出端3脚与地之间,2脚为触发信号输入端。平时3脚输出信号V\(_{O}\)= 0 ,电动机不转。当有一负触发脉冲V\(_{i}\)作用于2脚时,单稳态触发器翻转为暂稳态,3脚输出信号V\(_{O}\)= V\(_{cc}\),电动机M转动。经过一定时间后,单稳态触发器回复稳态,V\(_{O}\)= 0 ,电动机M停转。单稳态触发器驱动电路的特点是每触发一次555时基电路便驱动负载工作一个固定的时间,该工作时间等于单稳态触发器的输出脉宽T(T = 1.1RC)。

3.多谐振荡器驱动电路。如图5所示,555时基电路(IC)接成多谐振荡器形式,3脚输出信号V\(_{O}\)为周期性的连续方波。在T1时间(T1 = 0.69(R1+R2)C),V\(_{O}\)= V\(_{CC}\),电动机M转动。在T2时间(T2 = 0.69R2C),V\(_{O}\)= 0,电动机M停转。如欲使电动机M在T2时间转动而在T1时间停止,将电动机M改接在3脚与电源V\(_{CC}\)之间即可。多谐振荡器驱动电路的特点是555时基电路会自动驱动负载间歇性地工作。
4.桥式驱动电路。如图6所示,由两个555时基电路(IC1、IC2)组成,电动机M接在IC1与IC2两个输出端之间。图6中标出了IC1、IC2的输出级电路,V\(_{i1}\)、V\(_{i2}\)为控制信号,V\(_{O1}\)、V\(_{O2}\)为输出信号。当V\(_{i1}\)= 0 、V\(_{i2}\)= 1时,IC1的上晶体管和IC2的下晶体管导通,V\(_{O1}\)=V\(_{CC}\)、V\(_{O2}\)= 0 ,电动机M正转。当V\(_{i1}\)= 1 、V\(_{i2}\)= 0时,IC1的下晶体管和IC2的上晶体管导通,V\(_{O1}\)= 0 、V\(_{O2}\)= V\(_{CC}\),电动机M反转。桥式驱动电路可以方便地实现电动机的正、反转控制。
二、555时基IC变通运用实例 ——双向电风扇
双向电风扇既可以向前吹风,又可以向后吹风,并且会自动地前后轮流吹风。夏天将此双向电风扇放在面对面而坐的两人之间,可轮流享受徐徐凉风。
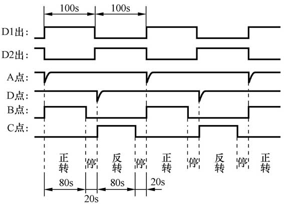
1.电路工作原理。图7所示为双向电风扇电路图,M为风扇电机。两个555时基电路IC1、IC2分别构成单稳态触发器驱动电路,它们又共同组成桥式驱动电路。与非门D1、D2构成多谐振荡器,为两个单稳态触发器驱动电路轮流提供控制触发脉冲,触发脉冲的间隔时间为100s。当触发脉冲到达A点时,IC1进入暂稳态,B点输出脉宽为80s的高电平使电动机M正转,风扇向前吹风,80s后自动停止。停止20s后,第二个触发脉冲到达D点,IC2进入暂稳态,C点输出脉宽为80s的高电平使电动机M反转,风扇向后吹风,80s后自动停止。停止20 s后,第三个触发脉冲又到达A点,如此循环工作,使电风扇前后轮流送风。在电动机正转与反转之间设计20s的停止时间,主要是考虑到电风扇叶片转动的惯性,需要一定的时间才能停住。图8所示为电路各点波形,从中可以清楚地看到电路的工作过程。

2.制作与调试。IC1、IC2应选用NE555等双极型时基电路,CMOS时基电路因驱动电流太小而不适合本制作使用。风扇电机M可选用12V、工作电流在200 mA之内的直流电动机,风扇叶片可自制。其他无特殊要求。本电路一般无须调试即可正常工作。

文/莫恩