数码显示电压表电路的核心是一片A/D转换集成电路(ICL7107),电路外围元件少,结构简单、价格低廉、容易制作,焊接无误一装即成。
元件简介
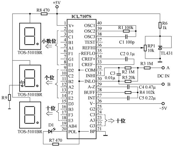
ICL7107是一块美国INTERSIL公司生产的三位半双积分式A/D转换器,其采用双列直插式封装,引脚功能见图1。它的内部包括了线性放大、模拟开关、振荡、显示驱动等部件。标准工作电压为+5V 、-5V,该芯片可直接驱动共阳极LED数码显示管(该电路用TOS-5101BR数码管),可显示3位测量电压,电压范围为0~99.9V。可精确到0.1%。图2为数码管引脚排列图。

电路原理
图3是数码显示电压表电原理图,ICL7107芯片的33、34脚接基准电容,27 、28 、29脚组成积分电路,27脚接积分电容,29脚接自动调零电容(此元件宜选用无感式涤纶电容)。28脚接积分电阻(注意:积分电容和积分电阻应保证质量)。38、39脚的电阻和电容共同构成IC内部振荡器的RC电路。该电路的时钟频率为45kHz。30 、31脚为模拟量输入端,两脚间的电容为输入滤波电容。31脚外接的电阻为限流分压电阻。该电路35脚接地,36脚作为基准电压输入,也称作定标系数调节电压,36脚电压至关重要。我们可以通过公式N=1000Vi/Vref+,来计算它的定标系数。N表示数码管显示数值,Vi表示31脚输入电压的变化值。例如:设36脚的电压为223mV,被测电压(即A、B两点间电压)有1V变化时,31脚电压有2.23V的变化,那么根据公式N=1000×2.23mV/223mV计算可得N=10。即显示值每10个字对应测量电压1V。ICL7107的20脚为负极性指示。


本电路的基准稳压源由精密稳压集成电路TL431组成,调节RP1可改变定标系数。TL431见图4,A为阳极、K为阴极、R为参考控制端。此元件在多种电路中可代替齐纳二极管。本电路中R和K相连,组成2.5V基准稳压源。

制作与调试
制作时ICL7107应使用IC插座,一切做好后再插IC。
焊接、安装好后调试时将电压表的A、B线柱接入+5V,电压表显示数值并不是准确测量值,此时调节RP1,使数字表显示“05.0”,稳定后调试完毕。当然通过上面介绍的计算法也可调校准确。

文/梁伟光