随着网络的普及,ADSL这种不需要改造现有线路就可以享受宽带上网的服务成为现阶段用户上网的最好选择。常见的ADSL “猫”的工作方式有桥接方式和路由方式两种。
当 ADSL “猫”工作在桥接方式时,没有PPPoE 拨号、NAT等功能,需要在电脑上安装专用软件完成拨号,多台电脑共享时,则需要通过代理服务器完成。
当 ADSL “猫”工作在路由方式时,有内置的 PPPoE 拨号和NAT功能,直接与局域网交换机连接就可以共享上网了。
ADSL “猫”作路由,可以省略代理服务器和拨号软件,切实节省了硬软件投资,得到了用户的认可。因此,在共享宽带接入的场合,开启ADSL路由功能就成为流行的组网方式。但是在使用这种方式上网的过程中,常出现断流,“死猫”就是一个较突出的问题。如网页打不开,上网一段时间后ADSL “猫”容易死掉,“ping”一些网站时通时不通,延时都在1000ms左右。这样必须多次重启“猫”,甚至只有对“猫”断电重启后才可以恢复正常。
分析“死猫”原因,其中主要一点就是芯片长时间工作引起发热以及其本身工作不稳定。为了解决以上问题,我用较少的简单元件设计了以下电路。
1.电路可以让ADSL “猫”方便地自动硬开、关机。当ADSL “猫”所在局域网中有一台以上电脑开机时,“猫”即得电工作; 当局域网中没有电脑工作时,“猫”将自动断电。
2.实现远程重启“猫”。当ADSL“猫”死机时,可以通过局域网通信软件或其他方式联系局域网其他正在工作的电脑进行同时关机,短时间后再开机即可以让“猫”断电重启。
3.减少ADSL “猫”工作时间,节省能源消耗。当局域网中没有电脑工作时,ADSL “猫”即断电。这就减少了芯片工作时间和发热量,也增加了其工作稳定性和寿命。
1.电路组成简单,成本较低,10元以内就可实现。
2.识别局域网pc开机、关机状态,使用交换机上的指示灯状态进行判断。
3.电脑、交换机、本电路和ADSL “猫”的电源安全电气隔绝,互不影响,不需改动交换机和ADSL“猫”的电路。
三、电路工作原理
我设计本电路应用在4台电脑通过一个5口交换机共享一个ADSL“猫”(路由方式)上网,4台电脑所用网卡均是100M。
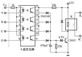
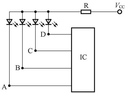
具体工作过程如图1所示:虚线左侧5点分别取自五口交换机LED指示灯及其电源电压,K、K’端串在ADSL“猫”所接电源中。我所使用的交换机工作是这样的,在它前面有5组LED指示灯和一个电源指示灯,每组LED指示灯中,上边的闪烁时是表示这路有数据交换;下边的亮时表示与计算机网卡已建立连接,因此我把取样点定为下边的LED指示灯电路上。交换机5口中留下1口接ADSL“猫”,其余均接电脑,即4路进行监控。交换机LED指示灯电路如图2所示。
图2中的点A、B、C、D和 Vcc分别对应控制电路上的点,联系两图可看出,当局域网某路上的电脑开机时,交换机上对应的这路LED指示灯变亮,控制电路上对应的光耦芯片中的那路输出端也导通,12V电压通过电阻、光耦内的晶体管、二极管对470μF电容充电,当电容端电压高于5.1V时,三极管导通,继电器吸合,K、K’端导通,ADSL“猫”得电开始工作。从电路图分析可知,只要四路中有不少于1路有电脑开机,ADSL“猫”就得电工作;如四路中电脑都关机,ADSL“猫”就断电停机。
四、电路实际应用
以上是我采用的四台电脑和一个ADSL“猫”进行共享上网所使用的ADSL“猫”自动开关机电路。经过半年的使用,工作稳定,达到设计要求,对其他设备没有任何不良影响。读者可根据各自网络具体情况对电路少许更改即可满足要求。
文/豆勇

