本文介绍的这款场效应管功放在设计时参考了一款欧洲中档甲乙类功放电路,并对该电路做了较大的改动,减小了输入级电流,用场效应管作推动和输出级,适当加大了该级电流。制作成功后,音质相当出色,现将该电路的制作介绍给大家。
这款功放电路可分为主放大电路和电源及保护电路。
主放大电路如图1所示,来自RP1(50k)音量电位器控制的音频信号,经R2、C1组成的低通电路,去除了来自前级或音源的725kHz以上噪声信号。R3为输入匹配电阻,VT2、VT3组成第一级差分电路, PNP管作差分输入时噪声小于NPN管。VT1、R4、C2、LED1、R9组成第一级差分电路的恒流源电路,该电路的核心元件是发光二极管LED1,其正常发光时正负端的电压差恒定在1.8~2V之间,在晶体管功放电路中通常作稳压管使用,噪声小于普通的稳压二极管,特别适合高放大倍数的小信号输入电路。忽略VT1基极微安级电流的影响,LED1的电流为[(45-1.9)V ]/15(kΩ)=2.87(mA),直流电压降为1.9V。恒流源输出电流即流经VT1射-集的电流为(1.9V-0.6V)/680Ω=1.9mA。在VT2、VT3参数一致的情况下,调节RP2到中点,流经VT2、VT3射-集的电流是上述恒流源输出电流的一半,约为0.9mA,这样的电流设定是符合通常的晶体管功放输入级设计的常理的。如果输入级静态电流设计得太大,大电流引起的热噪声从输入级进入放大电路,将严重影响整机性能。
R7、R8上的直流压降为2.2(kΩ)×0.9(mA)≈2(V),作为第二级差分输入管VT7、VT8的基极偏置电压,使第二级差分电路的直流工作点恒定。由R8、VT7发射结、R13组成的环路可知,流经R13的电流为[(2-0.6)V ]/330(Ω)=4.24(mA),同样道理流经R14的电流也是4.24mA。VT4、VT5、R10和R11组成镜像电流源,兼作第二差分级的负载电阻。VT6构成的共基电路,作为VT7的动态负载电阻。
R12、RP3和VT9构成推动级(VT10、VT11)和输出级(VT12、VT13)的偏置电路,调节RP3改变VT9集-射电压,即改变推动级VT10、VT11两管栅极电压差,进而改变推动级和输出级的静态偏置电流。
K214/J77(VT10、VT11)作为推动管常见于一些高档功放电路中,该管音色饱满温暖,控制力极佳。为充分发挥这对管子的潜力,将K214/J77的静态电流调节到33mA。R26、C11和R27构成交流电压反馈电路,将整机放大倍数设定在52倍左右(Au=1+R26/R27),反馈引自推动级对称中点,可避免非电阻性扬声器对输入级的影响,这也是现今晶体管功放中流行的设计方法。这样,R19、R20上的总电压降为:240(Ω)×33(mA)=7.92(V),此电压作为输出级场效应管K413/J118的偏置电压,使输出级电流为80mA。此时,R23、R24上的电压降各为18mV,可作为输出级偏置状态调节的依据。K413/J118当然不能和发烧名管K1529/5200、K1058/J162相比,音质中规中矩,但与其低廉的价格相比,还是物超所值。适当调节RP3,本电路可以插K1529/J200、K1058/J162,通用性很强。
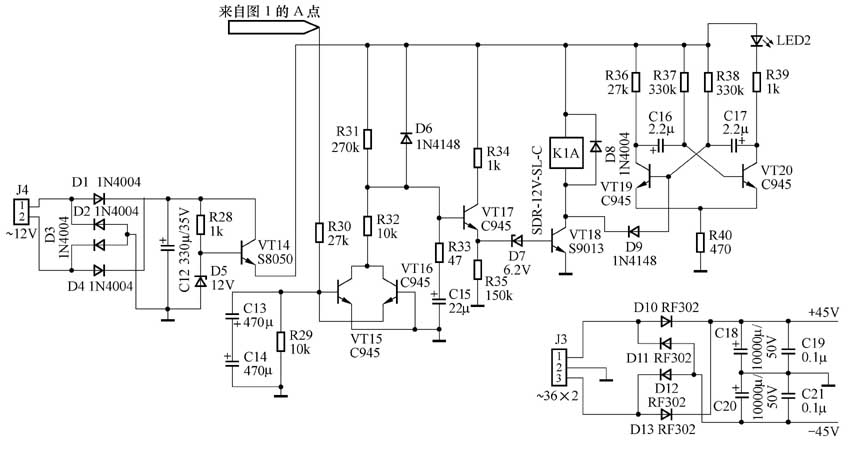
电源及保护电路见图2,该保护电路具有开机延时、中点直流过压保护等功能,灵敏度高、可靠性好。具体原理分析可参见本刊2004年5期45页的文章介绍。

2.制作与调试
晶体管功放的制作看似要难于电子管功放,但只要遵循一定的方法,是很容易成功的。
首先,元器件的选择很重要,尤其是配对使用的元件,比如R5、R6和VT2、VT3等,一定要精挑细选,没有专业的仪器也没关系,只要一块数字万用表即可。通常,电压放大部分的元件配对要多下些功夫,电流放大部分元件可降低要求,只要使用正品元件即可。VT2、VT3和VT7、VT8需要配对使用,虽然β值在一定范围都可使用,但相互之间β差值不要超过10,一般同极性管,β值离散性不大,配对很容易。本电路A970的β值为380,B647/D667的β值为150,VT9的β值为140,可作为制作时的参考。除VT2、VT3和VT7、VT8之外,其他电压放大管可适当放低要求。电阻价格低,配对(指相同阻值的电阻,如R7、R8等)误差可控制在1%以内。RP2、RP3使用优质国产3296型多圈电位器,其中RP2调节输出级中点直流电位,消除管子不配对引起的输出中点直流电位的漂移,RP3调节推动级和输出级静态偏置电流。只有使用多圈精密电位器才能对整机直流工作状态实行精确调控。
晶体管功放的制作要根据原理分块进行调试,逐级推进,才能成功。如图1主放大电路,先焊接好第一级差分电路(R2~R9、VT1~VT3),将RP2调节到中间位置,输入端接地并用100kΩ电阻将VT3基极接地,测量R7、R8上的直流压降应为2V。焊接第二级差分电路(VT4~VT9)即R15、R16左边的电路。测量R10、R11、R13和R14上的电压各为1.45V,同时,调节RP3,VT9的集-射电压可在1.59V到二十几伏之间变化(实测值),这样前两级电路工作基本正常。需要说明的是场效应管具有负温度特性,升温到一定程度可达到平衡,起温度控制作用的VT9没有必要和功率管一起固定在散热器上。
接下来,焊接推动级,撤掉VT3基极100kΩ对地电阻并接上反馈支路,进行两个重要的调试。调节RP3使VT10、VT11两管栅极直流电压差为10V左右,将推动级电流锁定在33mA。调节RP2将推动级对称中点(即反馈引出点)的直流电位控制在±5mV以内。用万用表的交流毫伏挡测量该点的交流电位,如果很大,可稍加大C6、C7的值,消除K214、J77引起的自激。需要注意的是,电路的布线不合理和输入信号线屏蔽不良也是引起该点在整机静态时交流不为零的原因,而且这种交流使整机产生哼声,影响放音质量。R19、R20上的7.9V电压降,将输出级电流设定在80mA左右,可测量R23、R24上的电压各为18mV。最后一步是通过RP2调节输出级中点的直流电位,本机可轻松地将该点直流电压控制在±5mV以内,使整机背景相当干净。
图3为本机左声道的印制电路板图,其尺寸为250mm×90mm,板上9个无电器连接关系的圆焊盘需要1∶1钻空。印制板平行安装于一块250mm(长)×100mm(高)×55mm(宽)的散热片上。5个小钻孔用于印制板和散热片的连接。VT10~VT13安装于印制板的敷铜面,其附近的4个大孔可用于将4只功率管紧固在散热片上。
本机音色温暖,背景相当宁静,对扬声器的控制力极佳,尤其对大动态声场再现应付自如,高音纤细,中音饱满,低音撼人。
实测性能指标如下:
频率响应:5Hz~480kHz
转换速率:30V/1μs
标准输出功率:38W+38W(8Ω)
最大不失真输出功率:65W+65W(8Ω)
文/范志庆 张伟
