问:一台东芝288X6M2型彩电,刚开机时亮度不足,需等十几分钟才慢慢亮起来,更换显像管座也没有用,不知问题出在何处?
(福建 李慧等)
答:维修这种故障时,不少爱好者往往将注意力放在显像管座上,其实这只是常见原因之一,另外一种很常见的原因是显像管加速极电路存在漏电现象。当加速极电路存在漏电时,使其电压不稳定,随开机时间延长而渐渐上升,于是就造成这种故障。检修时可查加速极电路各个元件,重点是加速极电压调节电路、加速极滤波电路、放电保护器(部分彩电中有)等,一般以加速电压调节电位器的漏电最为多见。对此可先试用专用清洗剂或无水酒精从电位器外部进行彻底清洗,若无效就需考虑更换行输出变压器了。
(王德沅)
问:牡丹51C8型遥控彩电,出现下半部黑屏,上半部图像线性失真,但伴音正常的故障。曾查场输出芯片LA7830无异常,该怎样修理?
(山东 李春山)
答:该机采用三洋83P机芯,上述故障系场反馈电路中的200Ω场幅调整微调电阻损坏造成的,并非LA7830不良。此微调电路可用原值或500Ω的微调电阻更换,经调节场幅后即可排除故障。
(刘福胜)
问:一台长城14英寸彩显出现场幅压缩,且线性严重失真的现象。查场扫描电路由TDA8172组成,请提供该器件引脚资料。
(大庆 于海)
答:TDA8172系场扫描电路中功率输出器件,在14英寸彩显中较常见。1脚:反相输入,2脚:电源,3脚:外接升压电容,4脚:接地,5脚:场输出,6脚:场输出级电源,7脚:同相输入端。其内部电路参考LA7830即可。
(刘福胜)
问:一台松下NV-F55MC录像机能够正常重放,按其他各操作键均为正常,只是一按记录键机内发出告警声,怀疑是带盒上的防误抹挡舌已抠掉,换一盒防误抹挡舌完好的带盒插入带仓,并检查防误抹开关接触良好,按记录键,机内仍然发出告警声,机器无法进入记录状态,不知这是什么原因引起的?请问如何检查及维修?
(江西 彭伟)
答:能够正常重放,说明该机各部分电路工作基本正常。如插入一盒防误抹挡舌完好的带盒,按下记录键,机内发出告警声,机器无法进入记录状态,应先检查操作面板上卡拉OK开关位置设置是否正确,在记录状态,该开关应设置在“OFF”位置。如果设置正常,按记录键机器仍不能进入记录状态,这时应检查系统控制微处理器IC6001的3脚(S.TAB)控制电平是否正常,记录状态时正常值应为低电平0.2V,如果不为低电平0.2V,应检查D6013、QR6023、D6022是否损坏,接插件P6001、P1504及P6005接触是否良好,卡拉OK开关有无虚焊。
(黄福森)
问:上海牌2237-1A型彩电,调好电视节目后,关上调谐盒小门,图像就没有了。测IC101(TA7607AP)各脚电压,发现4脚电压为6.8V,比正常值高,6脚电压3.8V比正常值低,14脚电压也低,请问如何修理?
(山东 齐为民)
答:故障是AFC电路与视频谐振回路不正常所致。这种现象俗称“滑台”。其原因是图像中放IC101的8脚连接的T103变压器内部的电容变值所致,该电容为5.5pF。更换T103内附电容或更换T103,故障即可排除。
(倪耀成)
问:有一把佳洁士牌儿童电动牙刷,使用一段时间后发现刷头转动呆滞无力,刷牙中时转时停,更换新电池也不行,不知何故?怎么解决?
(上海 周剑云等)
答:这是电动牙刷很常见的一种故障,尤其是使用日久的电动牙刷更易发生这种故障。主要是电路及电机中存在接触不良现象所致。检修时,先查电池和电源开关。重点是电机两引出端(注意其外壳为一端)、电池两端簧片及弹簧、电源开关动簧片等。查到接触不良之处后,可先用酒精棉球擦拭簧片,务必除去积垢及氧化物,若积垢严重,还可用锋利小刀轻轻刮除,然后再用小钳子校正好簧片的角度便可。如果不是以上原因,可拆卸电机进行检查。直流永磁电机故障大都是换向器和电刷间接触不良所造成,可对换向器和电刷仔细进行清理校正,很快便可排除故障。
(王德沅)
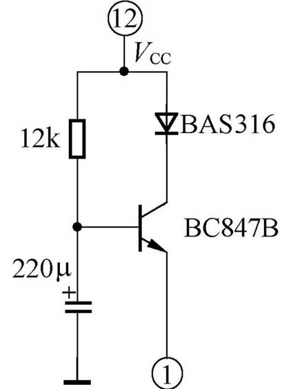
问:一台飞利浦AZ1008型收录机,放音无声,怀疑功放块TA8227P损坏,不知如何检查?请告知引脚功能及引脚电压。
(北京 刘之恭)
答:功放无声,先查有缓启动功能的1脚,当12脚VCC为9V时,1脚应为7.8V。若无电压,查缓启动电路,可能是三极管BC847B烧断,可对照附图进行检查。再查纹波滤波端9脚,47μF滤波电容正常,应为8.9V,否则其内部失效。最后查功放输出2、10脚,应为4.6V,若差得多,而外围电路正常,则是TA8227P失效。其余引脚功能及电压是:6、7脚为输入1、输入2,0V;5、8脚为负反馈1、2,0.6V;3、10脚为自举1、2,8.7V;4脚为功放地。
(韩家明)
