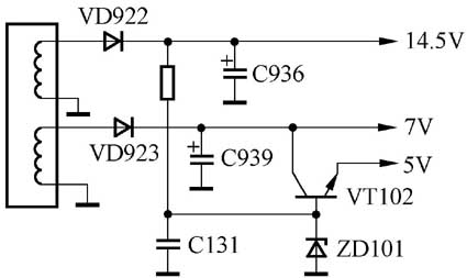
CPU电源电路是指5V电压形成电路,也就是给显示器的CPU和存储器提供电源的电路,要求输出的5V电压足够稳定平滑,以避免供电的干扰,保证CPU和存储器的正常工作。在彩色显示器中,CPU电源通常是在开关变压器次级某个绕组输出的感应电动势的基础上,进行二极管整流、电解电容滤波后,形成直流电压加在5V稳压IC的输入端,IC一般选择三端稳压器系列(如MC7805等),在其输出端输出稳定的5V电压,其结构如图1所示。由于各个厂家在设计上有不同的特点,实际的CPU电源电路又有多种具体的表现形式。图2是ACER 7377XE显示器的CPU电源电路,它的特点是在5V稳压输出后,又加入了由VT802、VT803、ZD801等元件组成的电子滤波器,使整机的5V供电更加稳定(实际上该电压达不到5V);图3是AOC 7905 2/T2的CPU电源电路,它完全采用分立元件,而且CPU的供电端选在了灯丝电压端(7V),输入输出压差较小。

从总体上讲,以上所列举的都属于CPU电源的一般结构,即都是由主电源产生的,而且是固定的电路。但是随着对节能要求的提高,一些新型、高档显示器在待机或关闭期间采用降低开关电源PWM输出甚至是关断主电源的方式,使主电源的输出电压大幅度地下降或者停止工作,从而达到更加优异的节能效果。但是,如果CPU的供电仍然采用上述的模式,5V电压将会随着主电源电压的降低而降低甚至消失,不能保证在节能期间为CPU提供正常的供电,导致显示器失控。为此,必须设计相应的CPU供电电路来适应这个需要。
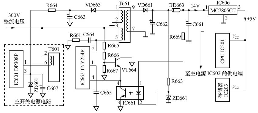
产生5V电压的电路独立于主电源之外,在关闭主机程序后显示器主电源的输出大幅度下降,但5V电源仍然正常工作,不受主电源的影响,采用这种方式的彩显以三星700IFT为代表。有关电路见图4。
该机CPU的5V电源实际上是一个并联型、它激式开关电源,核心元件是一只小功率、高效率的Tinyswitch 开关电源集成电路TNY254P。开机后,主电源和CPU电源都得到了约300V的整流电压输入,但CPU电源比主电源先进入工作状态。300V电压通过CPU电源的开关变压器T661的3-5绕组加到IC662(TNY254P)的5脚(内部场效应管的D极),为5脚内部的启动和振荡电路提供工作电流,开关管工作于开关状态,在T661的次级7-9绕组输出感应电动势,经VD661、C662、C661整流滤波形成约14V的直流电压加到5V三端稳压器IC606(MC7805CT)的输入端,在其输出端得到了稳定的5V电压,为CPU和存储器供电。与此同时,在T661的初级1-2绕组产生的感应电动势经VD663、C663整流滤波后形成约16.5V的直流电压,再经启动电阻R664加到主电源厚膜块IC601的启动端3脚。3脚外接电解电容C607,当C607两端电压达到15V时,IC601内部的启动和振荡电路开始工作,主电源进入正常工作状态,各路输出电压正常建立。
进入关闭状态后,主开关电源的各路输出电压均降低到原来的1/3以下,由于CPU电源是独立的,不受关闭状态的影响,所以CPU与存储器仍然得到5V供电,整机处在CPU的控制之下。但是,主电源要保证稳定的低电压输出,其稳压电路中的光电耦合器必须要保持持续的高亮状态,可是此时主电源的各路输出都已降低,为光电耦合器供电的电压也已降低,只依靠主电源本身是无法解决这个问题的。为此,CPU电源输出的14V电压加到了主电源光电耦合器IC602的供电端,维持了它的高亮度,保证了主电源在关闭状态的稳定。
2. 自动切换式5V电源电路
它的特点是,在正常工作状态时,5V供电由开关变压器的某绕组提供,当进入关闭模式后,自动切换到另一绕组(该绕组输出的感应电动势相对较高)提供,从而使5V电压形成电路保持着足够的输入电压。这种电路以飞利浦107E2为代表,有关电路见图5。
在正常工作状态下,主电源开关变压器5113的6-7绕组产生的感应电动势经6135、2153整流滤波形成13V,送入三端稳压器7114(MC78L05)的输入端1脚,从而在其输出端3脚得到了进一步稳压的5V,为CPU和存储器供电。此时,CPU7801的20脚(OFF)为高电平,7116导通,晶闸管7115的G极为低电平而截止,对电路无影响。当进入关闭模式后,CPU的20脚变为低电平,主电源的输出大幅度降低,开关变压器各绕组输出的电压降为原有的20%左右,因而13V变为了不足4V。这时,伴随着CPU的20脚变为低电平,7116导通,7115的G极变为高电平,引起其A、K极导通,这样就使得开关变压器5113的5-2绕组产生的感应电动势经6133、2151整流滤波产生的83V(此时已经变为13V左右)输出端电压,通过7115加到了三端稳压器7114的输入端,在7114的3脚继续输出5V电压,为CPU和存储器供电。同时,这个电压在原有的13V大幅度降低之后接替13V的工作,维持着光电耦合器的高亮度工作状态。由于CPU和存储器供电正常,因此仍能保持对主机的响应状态。
故障检修实例
维修实例1:三星700IFT彩显,联机后开机无任何反应,指示灯微弱地闪一下后熄灭。
分析与检修:
根据故障现象,测量主电源各路输出电压都为0V,CPU电源的5V输出端也为0V(见图4)。测量这两个电源的300V供电都正常(分别为IC601的1脚和IC661的5脚),而且5V电压的负载对地电阻无异常。根据CPU电源对主电源的控制原理,判断故障出在CPU电源,故障的原因可能是CPU电源进入工作状态后又因某种原因停振,这从指示灯闪一下然后熄灭这一现象中可以明显看出。TNY254P(IC662)内部有启动和振荡电路,当5脚加上300V电压后,IC便可自动进入振荡状态。但是,这一振荡状态又受4脚电压的控制。4脚是使能控制端,外接稳压控制电路的输出信号。当该脚为低电平时,通过4脚内部电路使得TNY254P内的振荡器停振。据此,在开机瞬间测量5V电压,有瞬间微弱的摆动,证实分析正确。
测量IC662的4脚电压不足0.01V。仔细检查稳压电路各元件,发现光电耦合器IC661的3-4脚之间电阻很小,拆下检查,证实其内部光敏三极管的C、E极已经接近击穿。IC661的型号是LTV817M-SM,用一只TLP621代换后,故障排除。
小结:
IC661击穿,造成IC662的4脚被钳位于低电平,在5脚得到300V电压使振荡电路起振后,又因4脚的低电平而被迫停振,使CPU无供电,而且也不能为主电源输出正常的启动电压,造成了本例故障现象。
维修实例2:AOC(冠捷)7905 2/T2纯平17英寸彩显,有时不能开机,有时能开机。不能开机时无显示,但电源工作指示灯亮;能开机时则一切正常。
分析与检修:
根据故障现象,按照常规检查,没发现元件虚焊或接触不良现象。在不能开机时测量主电源各路输出电压,发现没有12V和6.3V输出,而其他各路输出电压正常。从这种情况看,该显示器明显处于“关闭”状态。但对整个节能电路包括主机发来的行场同步信号进行检查,也没发现问题。据此把故障点锁定于CPU及其外围电路。
根据CPU正常工作的条件依次检查了CPU的+5V供电正常,+5V滤波电容、振荡电路、复位电路各元件也都正常,对晶振和滤波电容进行代换后故障依旧。对CPU进行人工复位(4脚是复位信号输入端,低电平复位有效)后,显示器马上进入工作状态。反复几次试验都如此。看来故障的根源在于CPU复位不良。那么,是什么原因造成的呢?当然最大的可能是CPU的复位端4脚(RESET)外围电路,其次是CPU本身。由于4脚外围电路已经查过,因此直接更换一块UM6861,但还是不能保证每次开机时正常复位。后来干脆更换存储器,并从另一台正常机上拷贝、重写数据,依然无效。
考虑到CPU电源的输入端为7V,输出端压差较小,会不会是在开机瞬间5V电压异常呢?将VT102取下(见图3),用一只三端稳压IC(L7805CV)接入电路中。1脚接14.5V,2脚接地,3脚接原VT102的E极,相当于让L7805CV输出的5V代替原5V电路为CPU供电。开机,显示器正常启动,多次试验都正常,故障彻底排除。
小结:
由于VT102的C、E极的内阻且在开机瞬间7V电压下降,以及显像管灯丝在点亮的瞬间电流较大,都有可能造成在开机瞬间+5V电压较低,而这个时间正好是CPU的复位时间,因此,造成了CPU的复位不能正常完成。改造后,克服了这个问题。
文/华雷广


