松下MX8C机芯彩电除了具有电源保护和I\(^{2}\)C总线保护功能外,还设有完善的负载保护电路,一旦负载出现故障,保护电路就会立即动作,从而防止故障的进一步扩大。
电路分析
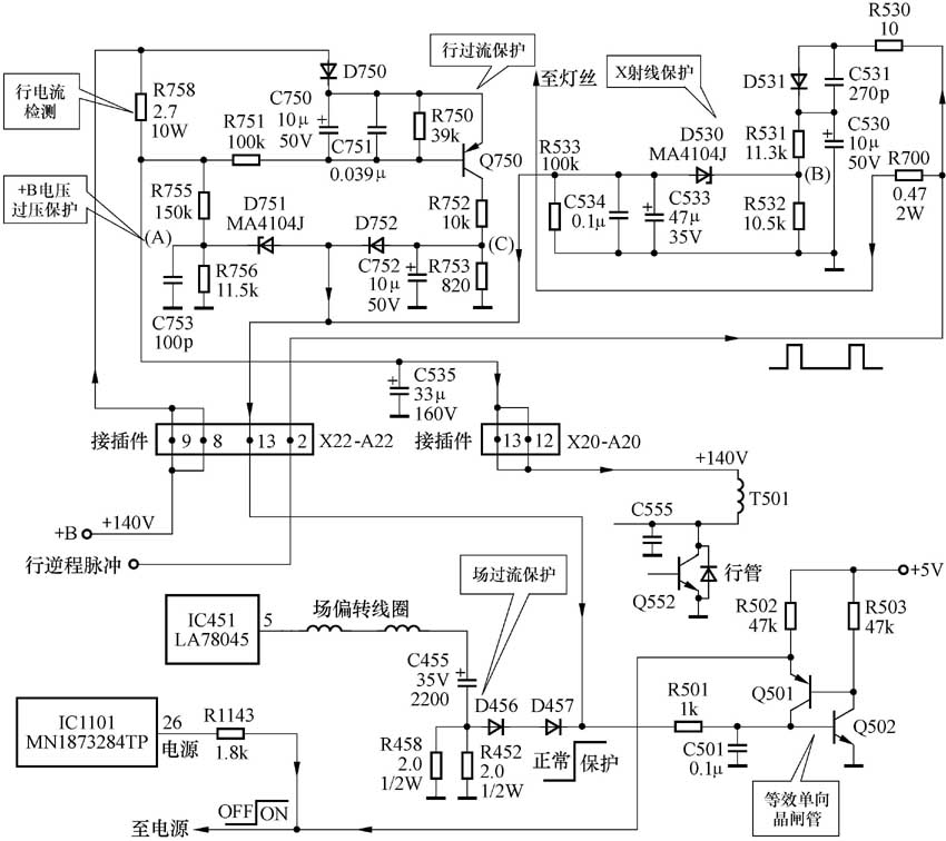
负载保护电路如附图所示(下文简称为保护电路),它由行过流保护、+B电压过压保护、X射线保护及场过流保护等电路组成。

Q750及周边元件构成行过流保护电路,R758为行输出电流检测电阻。电源输出的+B电压(140V)经R758送至行输出电路。当行输出电路工作正常时,流过R758的电流较小,R758两端的电压也较小(小于1.4V),不足以使D750和Q750导通,Q750集电极输出低电平,保护电路不动作。当行输出电路出现过流时,流过R758的电流将上升,R758两端的电压也上升,并高于1.4V,从而使D750和Q750导通,Q750集电极输出高电平,经D752送至Q502的基极,触发Q502。Q502和Q501接成锁相环形式,等效于一个单向晶闸管。当Q502基极受高电平触发时,Q502就导通,集电极电压下降,使Q501也导通。Q501导通后,又使Q502的基极电流增大,Q502导通加强,从而使Q501导通也跟着加强,这种循环(正反馈)的结果,很快使Q501和Q502饱和。Q501和Q502饱和后,Q501的射极输出低电平,送至电源电路,将电源电路置于待机状态,各路输出电压下降一半左右,整机出现三无,此时用遥控器也无法开机。
R755、R756及D751构成+B电压过压保护电路,当+B电压正常时,A点电压不到10V,而D751的稳压值为10.4V,因而D751处于截止状态。当+B电压超过155V时,A点电压超过11V,从而使D751导通,并触发Q502,使Q502和Q501很快饱和,Q501射极输出低电平,电源进入待机状态,整机出现三无。
D531、C530、R531、R532、D530等元件构成X射线保护电路。大家知道,当行逆程脉冲幅度过高时,显像管的阳极高压也过高,从而使显像管产生有害人体健康的X射线。为了杜绝这种现象的产生,特设了X射线保护电路。X射线保护电路的工作过程如下:
当电路工作正常时,行逆程脉冲的幅度也正常,此时,经D531整流、C530滤波后,所产生的直流电压较小,该直流电压经R531和R532分压后,在B点上形成的电压小于10.4V,不足以使D530导通。当某种原因(如行逆程电容容量减小)引起行逆程脉冲幅度过高时,经D531整流、C530滤波后所产生的直流电压也增高,经R531和R532分压后,使B点电压高于11V,从而使D530导通,并触发Q502,Q502和Q501很快饱和,Q501射极输出低电平,使电源进入待机状态,整机出现三无,从而避免了X射线的产生。
R458、R452、D456和D457等元件构成场过流保护电路。当场扫描电路工作正常时,R458//R452上的锯齿波压降也较小,不足以使D456和D457导通。当某种原因引起IC451输出的锯齿波电流过大时,R458//R452上的锯齿波电压也会过大,从而使D456和D457导通,并触发Q502,使Q502和Q501很快饱和,Q501射极输出低电平,电源进入待机状态,整机出现三无。
检修方法
1. 检修要点
当保护电路动作时,机器会进入待机状态,出现三无现象。这与遥控关机现象是相同的,只不过遥控关机后,用遥控器还能开机,但保护电路动作后,用遥控器不能开机。
由于Q501射极输出的保护电压要与CPU(IC1101)26脚输出的待机电压一并送至电源电路。因此,当机器出现三无现象,且电源处于待机状态时,首先就得弄清是因遥控系统故障引起的,还是保护电路动作引起的。判断的方法很简单,只需断开R1143,就可轻松区分故障原因。如果断开R1143后,保护状态立即解除,Q501的射极变为高电平,说明故障是因遥控系统引起的;若断开R1143后,机器仍处于保护状态,Q501的射极仍为低电平,说明故障是因保护电路动作引起的。此时,可以使用断路法来对故障部位进行更为准确的判断。例如:若断开D456(或D457)后,保护状态解除,Q501射极变为高电平,说明故障在场输出电路;若断开D530后,保护状态解除,Q501射极变为高电平,说明故障是因行逆程脉冲幅度过高或X射线保护电路自身问题引起的;若断开D752后,保护状态解除,Q501射极变为高电平,说明故障在行输出电路或行过流保护电路本身;若断开D456、D530和D752后,保护状态仍未解除,Q501射极仍为低电平,则说明故障是因+B电压过高引起的。在判断故障的过程中,要特别注意如下几点:
(1)使用断路法时,最好不要直接断开D751,以防止+B电压过高而损坏行输出电路。
(2)切莫以Q750集电极电压(或图中C点电压)来作为判断行过流保护电路是否动作的依据。这样做,极可能造成误判。因为当行过流时,Q750会导通,集电极输出高电平,但当保护电路动作后,整机进入待机状态,行扫描电路停止工作,流过R758的电流大大减小,Q750转为截止,集电极变为低电平。若此时,仍以Q750集电极为低电平而得出保护电路未动作,岂不误判。
(3)不能以图中B点电压来作为判断X射线保护电路是否动作的依据。因为B点电压也仅在X射线保护电路动作的瞬间存在,当电路进入保护状态后,行扫描电路停止工作,B点电压也就变为0V。
(4)D751和D530的型号均为MA4104J,稳压值为10.4V,一旦损坏,应选用相同稳压值的稳压管进行替换,若稳压值偏离过大,会使保护电路变得太灵敏或太迟钝。
(5)C750、C752、C501等电容有延迟作用,能使保护电路的抗干扰能力增强,可防止开机浪涌电流或干扰脉冲引起保护电路误动作。若这些电容失效,机器在工作过程中可能会出现不定时关机现象。
2. 检修实例
例1: 开机后,指示灯亮,整机出现三无,无法二次开机。
先测+B电压,只有63V,再测CPU的26脚和Q501的射极,均为低电平,说明机器已经保护,并处于待机状态。断开R1143后,故障依旧,保护状态未能解除,故可判断,故障并非其遥控系统引起的,而是保护电路动作引起的。
为了弄清故障具体部位,使用断路法进行检查,先断开D456,故障依旧。恢复D456,再断开D530,保护状态仍未解除。恢复D530,接着又断开D752,开机后,Q501射极变为高电平,保护状态解除,但此时仍无光栅产生,说明行输出电路有故障。测行输出管集电极电压,接近0V,对行输出管集电极供电电路进行检查,发现R758断路。R758是一只10W的电阻,如此大功率的电阻被烧断,说明行输出级中有严重的短路现象存在,故对行输出级进行检查,结果发现行输出管击穿。将行输出管和R758一并更换,故障排除。
例2:开机后,指示灯亮,整机出现三无,无法二次开机。
按照例1所示的步骤进行检查,当断开D752后,保护状态解除,Q501射极变为高电平,但仍无光栅产生,说明行输出电路有故障。测行输出管集电极电压,基本正常,行输出管基极和集电极均有行频脉冲,由此可知行输出电路已经工作。手摸行输出管,感觉明显烫手,说明行负载过重。检查行逆程电容,未发现问题,怀疑行输出变压器内部短路,更换后,故障排除。
例3:开机后,指示灯亮,整机三无,无法二次开机。
用户反映,出故障前,机器曾出现过场幅变窄的现象,随后变为三无。
先测+B电压,只有60V,测CPU的26脚和Q501的射极电压,均为低电平,说明机器处于保护状态。断开R1143,保护状态未能解除,Q501射极仍为低电平。由此可知,故障是因保护电路动作引起的。采用断路法进行检查,先断开D456,开机后,保护状态解除,屏幕上出现了一条水平亮线,说明故障在场输出电路。测IC451的供电电压,正常,查其5脚电压,也正常,对场输出路径进行检查,结果发现R452和R458均烧断。因一时找不到2Ω/0.5W的电阻,只好用一只1Ω/1W的电阻来替代R452//R458,代换后,故障排除。
从该例可以看出,在松下MX8C机芯中,场输出电路出现故障时,也有可能产生三无现象。另外,由于R458和R452并联,若因某种原因使其中一个电阻烧断,另一个电阻也会跟着被烧断。
例4:开机后,指示灯亮,整机出现三无,无法二次开机。
按上述方法进行检查,得知是保护电路动作引起的,再用断路法来判断故障部位,当断开D530后,保护状态解除,屏幕上出现了图像,但行幅变窄。怀疑是行逆程脉冲幅度过高,导致高压增高,故重点检查行输出电路,结果发现C555的容量严重下降,更换新电容器后,故障排除。
文/王忠诚