夏普SP-90机芯彩电电源电路由待机电源电路和主开关电源电路两部分组成,其中主开关电源电路的核心元件是采用新型电源控制集成电路STRM6821。STRM6821内设有独立的振荡、过流、过压和过温度保护电路,使得由其构成的开关电源电路的外围电路十分简洁,有利于维修。
交流输入及待机电路
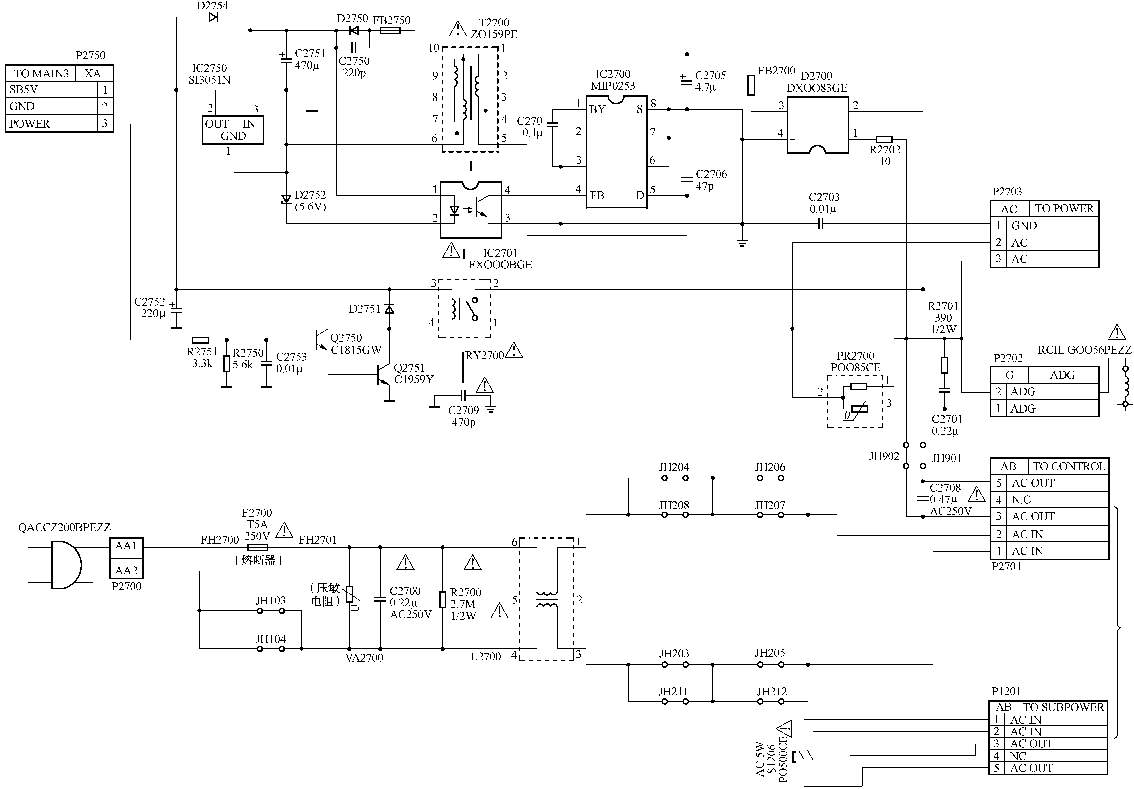
交流输入及待机电源电路如图1所示。这部分电路主要由交流抗干扰电路C2700、L2700,待机电源电路的桥式整流器D2700(DX0083GE),滤波电容C2705、开机防冲击电阻R2702、待机电源振荡和稳压控制电路IC2700(MIP0253)、T2700等组成。电源接通后,约220V的市电经L2700、R2702送至桥式整流器D2700,经D2700整流、C2705滤波后,获得约300V的直流电压。由于刚接通电源时,因C2705两端尚未建立电压,D2700的整流电流最大,D2700所受的冲击也最大。若不加以限制,就有可能损坏D2700,限流电阻R2702就是为了避免这一现象而设置的。

开机后,C2705上的300V直流电压,经开关变压器T2700的1-5绕组,送到IC2700(MIP0253)内部场效应开关管的D极,IC2700内设有电源振荡、稳压控制电路。一旦IC2700的5脚加有300V的电压,那么IC2700内部的振荡电路便开始工作,同时,T2700的次级绕组6-10中便会产生感应电势,感应电势经D2750整流,C2751滤波后,输出约12V的直流电压。12V直流电压经IC2750(SI3051N,5V稳压集成电路)稳压后,从IC2750的2脚输出5V的电压,作为待机状态下微处理器IC1000(IX3285CEN4)的工作电压。
稳压控制电路由IC2701(FX0008GE,光电耦合器)及D2752等元件组成。其实质是在12V电压上取样,调节IC2700(MIP0253)4脚电压,再经IC2700内部的检测电路放大后送至“开时间比较器”,来控制IC2700内部电路输出的驱动脉冲信号的占空比,使12V电压发生相应的变化,起到稳压作用。具体说来,当电网电压上升,使得负载电流减小时,12V电压会有所上升,此时IC2701(FX0008GE)1脚电压有所上升,即IC2701内部发光二极管的阳极电位上升,阴极因接有稳压二极管,而使其电位保持不变,使得IC2701内部的发光二极管亮度增大,IC2701内部的光敏三极管导通性能增强,c-e结电阻减小,导致IC2700的4脚电压下降,经IC2700内部电路检测放大后送到“开时间比较器”,用于控制IC2700内部输出的驱动脉冲信号的导通期,使其变窄,相应地引起IC2700内部开关管的导通时间缩短,使12V电压下降到正常值,反之,当12V电压下降时,其稳压过程与上述相反。
RCILG0056PEZZ、PR2700、R2701和C2701组成消磁电路,PR2700为正温度系数的热敏电阻,RCILG0056PEZZ为消磁线圈。刚开机时,由于PR2700温度低,阻值小,因而有较大的电流流过消磁线圈。随着大电流流过PR2700,PR2700的温度迅速升高,其阻值急剧增大,流过消磁线圈的电流也迅速减小,从而为消磁线圈提供一个由大逐渐减小的交流电流,使消磁线圈产生一个递减的交变磁场,以对显像管进行彻底地消磁。
主开关电路
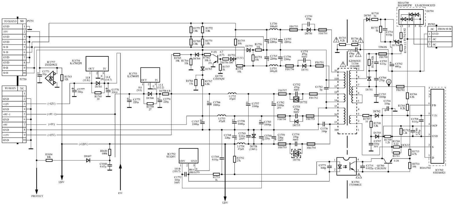
主开关电源电路如图2所示。这部分电路主要由桥式整流器D1700,滤波电容C1702及开机防冲击电流R1702和R1703等组成。电源接通后,约220V的市电送至桥式整流器D1700,经D1700整流、C1702滤波后,获得约300V的直流电压。由于刚接通电源时,因C1702两端尚未建立电压,D1700的整流电流最大,D1700所受的冲击也最大,若不加以限制,就有可能损坏D1700,限流电阻R1702和R1703就是为了避免这一现象而设置的。D1705、R1718、R1717和D1704组成省电控制电路。当电源启动工作后,9-8绕组产生的感应电势,经D1705整流,R1718、R1717分压后,加至D1704的G极,D1704导通,其A-K引脚短接,即短接了R1703,起到省电作用。

开机后,C1702上的300V直流电压经开关变压器T1700的8-7绕组,送到IC1702(STRM6821)内部场效应开关管Q1的D极(STRM6821的内部电路框图见图4)。同时,220V交流电经启动电阻R1704、R1705降压和限流后,对加在IC1702的5脚外接的电容C1706充电,约1秒钟后(时间长短要依R1704、R1705和C1706大小而定),C1706所充的电压将达到16V左右,IC1702内部的振荡电路便开始工作,由REG(稳压器)输出电流给C3电容充电,在C3两端电压从3V上升到5V的过程中,振荡器输出正方波脉冲,经驱动电路及电阻R5给场效应管栅—源极迭加一正向电场,使场效应管导通。
开关管导通后,C3上的电压恒定在5V不变;另一方面C3充电时C2也被充电。当C2两端从0V上升到0.75V时,振荡器翻转输出负方波脉冲,经驱动电路及电阻R5给场效应管栅—源极提供一反向电压,场效应管截止。
场效应管截止后,C2迅速放电,C3缓慢放电。当C2电压下降到0V,且C3从5V下降到3V后,电路恢复到起始状态,振荡器再次翻转,场效应管导通。如此循环上述振荡过程。
开关电源振荡工作后,开关变压器T1700的各次级绕组上会得到不同幅度的感应电压,其中2-3绕组上的感应电压,经D1702整流、C1706滤波后,获得16V左右的电压加至IC1702的5脚。当开关电源启动工作后,以接替原来的IC1702的工作电压,启动供电。15-16绕组上的感应电压,经D1753整流、C1783滤波后,获得9V左右的电压;15-17绕组上的感应电压,经D1756整流、C1759滤波后,获得120V左右的+B电压。14-13绕组上的感应电压,经D1752整流,C1782、L1752和C1766所组成的滤波电路滤波后,获得15V左右的电压。11-12绕组上的感应电压,经D1751整流、C1756滤波后,获得26.3V左右的电压,给伴音功放电路供电。11-10绕组上的感应电压,经D1750整流、C1755滤波后,获得-26.5V左右的电压,给伴音功放电路供电。
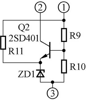
稳压过程如下:如果电网电压升高或负载变化引起120V直流输出电压有变大趋势,则IC1752(SE120N内部电路见图5)内部的三极管 Q2的b极电压(R9、R10分压)升高,而e极电压保持不变(因稳压二极管ZD1钳位),Q2导通性能增强,c极电流增大,光电耦合器IC1701内部的发光二极管发光增强, 光敏三极管导通增强,内阻下降,Q1700导通增强,发射极电流增大,此电流经R1713和IC1702的6脚给C2的充电电流也增大(见图4),C2从0V充电到0.75V的速度加快, 振荡器由正方波翻转到负方波时间缩短,场效应管输出的开关脉冲变窄,使120V输出电压下降。当120V电压输出有下降趋势时,稳压过程与上述相反。C2、C3充放电与场效应管的导通时序如图3所示。
3.遥控开/关机电路
正常开机时,IC1000(IX3285CEN4)的17脚输出高电平4.8V左右,通过R1118加至Q1008的b极,Q1008导通,Q2750、Q2751相继导通,RY2700继电器得电,主开关电源电路工作。
遥控关机时,IC1000(IX3285CEN4)17脚输出低电平0V,通过R1118加至Q1008的b极,Q1008截止,Q2750、Q2751相继截止,RY2700继电器失电,主开关电源电路因失去220V的交流电而停止工作,使整机处于待机工作状态。
保护电路
夏普SP-90机芯的彩电除了开关电源设有保护电路外,还在负载电路上设有保护电路。如果开关电源的保护电路动作,那么就会引起开关电源停振,造成开关变压器的各次级绕组无整流电压输出;如果是负载电路的保护电路动作,那么微处理器IC1000(IX3285CEN4)就会发出保护性的关机指令,促使开关电源工作在待机状态。下面具体介绍这两者的保护电路。
1.开关电源保护电路
(1)OVP(过压保护)
如果交流电网电压升高过多,经整流滤波后的300V直流电压升高过多,开关变压器T1700的2-3绕组产生的感应电势也随之升高, 经D1702整流、C1706滤波后的电压超过IC1702的5脚保护阀电压,IC1702内部的OVP 电路立即动作,内部的振荡器停振,场效应管截止。
(2)OCP(过流保护)
开关电源工作时,场效应管漏极电流流经源极、R1710//R1711至地,在过流检测电阻R1710//R1711 上产生一正比于漏极电流的电压降加至IC1702的4脚。当IC1702的4脚电压上升到0.75V时,便表示有过流现象,IC1702内部的OCP电路动作,振荡器停振,场效应管截止。
(3)TSD(过热保护)
当环境温度升高,IC1702内部异常使得厚膜组件内温度超出150℃时,IC1702内部的过热保护电路动作,振荡器停振。
(4)尖峰吸收电路
场效应管在截止瞬间,急骤突变的漏极电流会在T1700的8-7绕组上激发一个浪涌反向电动势,其脉冲尖峰可达交流输入电压峰值的数倍。 若不设峰值吸收电路, 则过高的反峰脉冲有可能冲击场效应管。吸收电路为D1701、C1704、R1706、C1703组成。在场效应管截止瞬间,8-7绕组上的反向电势通过导通的D1701给C1703充电。C1703所充的电压再经电阻R1706放电,将瞬时浪涌尖峰转换成热能散发掉。
2.负载保护电路
负载保护电路如图6所示。各保护电路动作过程如下:
(1)12V供电线路短路保护
当12V供电线路出现短路,造成12V电压下降时,D615负极(7.5V,稳压二极管)电位下降而截止,D616负极电位下降,引起Q1005的b极电位下降,Q1005导通,IX3285CEN4的5脚变为高电平4.8V,一旦IX3285CEN4检测到5脚的电压变为高电平4.8V,便会发出指令,从17脚输出低电平0V,使整机处于待机工作状态。
(2)9V供电线路短路保护
当9V供电线路出现短路,造成9V电压下降时,D1765负极电位下降而导通,Q1005导通,IX3285CEN4的5脚变为高电平4.8V,17脚输出低电平0V,使整机处于待机工作状态。
(3)灯丝过压/欠压保护
当灯丝供电电压过高时,D1659整流、C1659滤波后的电压升高。当该电压大于D1621(21.2V稳压二极管)的稳压值时,D1621导通,Q1604导通,Q1005导通,IX3285CEN4的5脚变为高电平4.8V,17脚输出低电平0V,使整机处于待机工作状态。当灯丝供电电压过低时,D1620负极电位下降而导通,Q1005导通,IX3285CEN4的5脚变为高电平4.8V,17脚输出低电平0V,使整机处于待机工作状态。
(4)15V供电线路短路保护
当15V供电线路出现短路,造成15V电压下降时,D1764负极电位下降而导通,Q1005导通,IX3285CEN4的5脚变为高电平4.8V,17脚输出低电平0V,使整机处于待机工作状态。
(5)伴音功放IC1301、IC1300(TDA7482)供电电压(±20V)不对称保护
当IC1301、IC1300的正负供电电压出现不对称时,D1759(5.1V稳压二极管)击穿导通,Q1750导通,引起Q1005的b极电位下降而导通,IX3285CEN4的5脚变为高电平4.8V,17脚输出低电平0V,使整机处于待机状态。
(6)伴音功放IC1301、IC1300(TDA7482)输出电压保护
当IC1301、IC1300的1脚静态工作电压出现偏移,不为0V时,Q1301或Q1302将导通,引起Q1005的b极电位下降,Q1005导通,IX3285CEN4的5脚变为高电平4.8V,17脚输出低电平0V,使整机处于待机状态。
(7)IC601(KA7805PI,5V稳压集成电路)2脚短路保护
当1脚出现短路时,D603负极电位下降而导通,Q1005导通,IX3285CEN4的5脚变为高电平4.8V,17脚输出低电平0V,使整机处于待机状态。
(8)场输出电路IC1501(TA8427K)损坏保护
当IC1501损坏或工作电压异常,造成无场逆程脉冲输出时,IX3285CEN4的2脚无场逆程脉冲信号输入,一旦IX3285CEN4检测到2脚无场逆程脉冲信号输入时,便从17脚输出低电平0V,使整机处于待机状态。
(9)ABL保护
当画面亮度过亮,即束电流过高时,D1607负极电位下降而导通,Q1005导通,IX3285CEN4的5脚变为高电平4.8V,17脚输出低电平0V,使整机处于待机状态。
(10)IC602(KA7805PI,5V稳压集成电路)1脚欠压保护
当1脚欠压时,D604负极电位下降而导通,Q1005导通,IX3285CEN4的5脚变为高电平4.8V,17脚输出低电平0V,使整机处于待机状态。
(11)IC605(KA7809PI,9V稳压集成电路)1脚欠压保护
当1脚欠压时,D608负极电位下降而截止,D609导通,Q1005导通,IX3285CEN4的5脚变为高电平4.8V,17脚输出低电平0V,使整机处于待机状态。
(12)IC603(KA7805PI,5V稳压集成电路)1脚欠压保护
当1脚欠压时,D614负极电位下降而导通,Q1005导通,IX3285CEN4的5脚变为高电平4.8V,17脚输出低电平0V,使整机处于待机状态。
(13)IC606(KA7809PI,9V稳压集成电路)2脚欠压保护
当出现短路时,D612负极电位下降而截止,D613导通,Q1005导通,IX3285CEN4的5脚变为高电平4.8V,17脚输出低电平0V,使整机处于待机状态。
(14)IC4907(KA7805PI,5V稳压集成电路)2脚输出的5V电压供电线路短路保护
当5V供电线路出现短路时,D4913负极电位下降而导通,Q1005导通,IX3285CEN4的5脚变为高电平4.8V,17脚输出低电平0V,使整机处于待机状态。
(15)IC4909(TA78L09S,9V稳压集成电路)1脚输出的9V电压供电线路短路保护
当9V供电线路出现短路时,D4911负极电位下降而导通,Q1005导通,IX3285CEN4的5脚变为高电平4.8V,17脚输出低电平0V,使整机处于待机状态。
(16)IC4908(TA78L08S,8V稳压集成电路)1脚输出的8V电压供电线路短路保护
当8V供电线路出现短路时,D4912负极电位下降而导通,Q1005导通,IX3285CEN4的5脚变为高电平4.8V,17脚输出低电平0V,使整机处于待机状态。
检修要点
由于STRM6821把振荡电路、稳压控制电路、驱动电路和开关管都集成在其内部,故其外围电路十分简洁,检修起来也十分方便。根据日常工作所遇到的实际情况,可以把它归纳为以下四个方面的故障现象:一是开机后,机器出现三无、且红色指示灯不亮的故障现象,出现这种故障现象时,除了要检查待机电源的IC2700、D2700和R2702元件外,还要检查F2700、VA2700(交流过压保护元件)等元件;二是开机后,红色指示灯亮,并且可听到继电器吸合的声音,但整机出现无光栅、无伴音的故障现象,出现这种故障现象时,除了要检查R1704、R1705、R1707、R1703、IC1702和D1700元件外,还要检查Q1630;三是开机后,红色指示灯亮,且绿色指示灯亮一下,便马上熄灭,出现无光栅、无伴音的故障现象,出现这种故障现象时,要检查IC1752、IC1701和IC1702元件;四是开机后,机器可以启动工作,但很快就进入保护状态,出现继电器失电的故障现象,出现这种故障现象时,要重点检查上述所提供的保护电路。
文/林俊标

