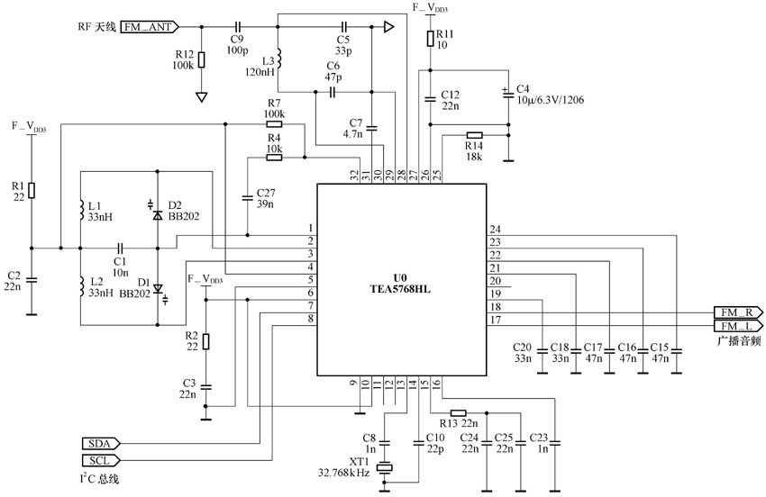
TEA5768HL是飞利浦公司研发的低功耗立体声收音集成电路,LQFP32封装,外形体积为7mm×7mm×1.4mm。它内含高灵敏度、低噪音RF输入放大器,范围涵盖欧美波段(87.5~108MHz)和日本波段(76~91MHz),从混频器解调出来的中频信号频率为225kHz(变容二极管调谐本地LC压控振荡器VCO的频率范围为150~217 MHz,经内部1/2分频成75~108.5 MHz)。它的应用电路如附图所示,管脚功能见附表。下面介绍几点设计心得。


1.附图是TEA5768收音模块的应用电路,它常作为CD/VCD/DVD/MP3等音响设备的收音部分。由于本电路相对比较完整、独立,与系统其他电路联系的信号较少,可将其单独设计在一个邮票大小的双面板上,周围设计7个半圆过孔与主板上7个焊盘相对应。当收音模块上的元器件焊接好且测试通过后再整个焊接到主板上,这7个与主板相连接的信号分别是电源(F_VDD、GND)、I\(^{2}\)C总线(SDA、SCL)、广播音频和RF天线(FM_ANT)。这样设计既有利于节约PCB空间(主板上焊接收音模块的区域上、下层都可以布线),又有利于独立生产、测试、维修收音模块,可谓一举两得!
2.收音模块的RF天线设计很特别,它实际上由线控制器“模拟地”兼任,在主板上“模拟地”不是直接连到“GND”,而是通过电感(4.7μH)连到“GND”,这是因为电感对音频信号而言几乎没有任何影响——和直接连到“GND”一样,但是对FM无线电高频信号的阻抗很大,所以,从“天线”感应到的高频无线电广播信号能顺利送到收音模块的输入端。
3.从附图中可以看出“总线模式”(BUSM)端接“地”,“总线使能”(BUSE)端接“高电平”,使I\(^{2}\)C总线一直有效,只要元器件焊接正确,软件通讯正常即可收音调台,信噪比(S/N)可达60dB。如果远离电台、无线电信号较弱时收音的背景噪音可能较大,这时可以用按键切换到单声道(mono)播音状态,背景噪音将大大改善。
4. 线控器不能通过I2C总线控制TEA5768,它必须通过主CPU来间接实现。与搜、存台有关的操作是CPU通过I\(^{2}\)C总线与TEA5768通讯完成的,例如:向高频端搜台时,CPU→I\(^{2}\)C总线→TEA5768通讯,TEA5768的1端(CPOUT)电压逐渐上升,于是加在D1、D2两个变容二极管上的电压增大、电容变小,它们和L1、L2组成的谐振电路的振荡频率也随之增大,因此就可以与天线感应的较高频率的无线电信号谐振,从而使微弱的高频信号进入TEA5768内部的低噪声高频放大器(LNA);反之,向低频端搜台时,TEA5768的1端(CPOUT)电压逐渐下降,控制方式正好相反。
5.如果在TEA5768收音模块设计时,将I\(^{2}\)C总线和32.768kHz的布线靠得太近,信噪比和噪限灵敏度测试就会不合格,因此我们把I\(^{2}\)C总线就近通过过孔走到下层,问题随即得到解决。
文/殷向阳 葛中海