发光二极管通过一定的正向工作电流时,其正向管压降基本不变,因此,发光二极管也可以变通作为稳压二极管使用。特别是用在稳压电源电路中,发光二极管既是稳压管,又是电源指示灯,真可谓一举两得。
一、发光二极管作稳压二极管应用的基本形式
大多数发光二极管的正向管压降约为2V,因此可将发光二极管作为2V的稳压二极管或基准电压源使用。
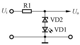
1.简单并联稳压电路。
图1为采用发光二极管作为稳压管的简单并联稳压电路,发光二极管VD1与负载RL直接并联在一起,VD1的管压降即为稳压电路输出电压U\(_{o}\),R1为限流电阻。当输入电压U\(_{i}\)在一定范围内变化时,由于VD1的管压降U\(_{VD1}\)基本恒定,所以输出电压U\(_{o}\)=2V不变。

如果需要提高输出电压,可以按图2所示,在发光二极管VD1回路再串入一个二极管VD2,这时稳压电路的输出电压U\(_{o}\)等于VD1和VD2两个二极管正向管压降之和,即U\(_{o}\)=U\(_{VD1}\)+U\(_{VD2}\)=2V+ U\(_{VD2}\)。VD2可以是硅二极管(U\(_{o}\)=2V+0.7V),或者是锗二极管(U\(_{o}\)= 2V+0.3V),也可以是发光二极管(U\(_{o}\)=2V +2V),还可以是若干个二极管的串联体(U\(_{o}\)=所有二极管管压降之和)。

如果VD2采用稳压二极管,如图3所示,则输出电压U\(_{o}\)=U\(_{VD2}\)+2V(式中:U\(_{VD2}\)为稳压二极管的稳压值)。在没有合适的稳压二极管时,可以用此方法提高稳压管的输出电压。

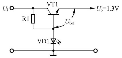
2.串联型稳压电路。
图4为简单串联稳压电路,发光二极管VD1将调整管VT1的基极电压稳定在2V,因此输出电压U\(_{o}\)也是稳定的。由于调整管VT1基射结压降U\(_{be1}\)的存在(NPN型晶体管U\(_{be}\)约为0.7V),输出电压U\(_{o}\)= 2V-0.7V=1.3V。

图5为带放大环节的串联稳压电路,具有比图4电路更好的稳压效果。发光二极管VD1构成2V基准电压源,R3、R4构成取样电路,取样比为R4/(R3+R4)。图5电路输出电压U\(_{o}\)= (U\(_{VD1}\)+U\(_{be2}\))×(R3+R4)/R4= 2.7V×(R3+R4)/R4。

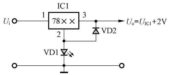
3.提高集成稳压器输出电压。
将发光二极管VD1串入集成稳压器IC1接地端2脚与地之间,如图6所示,即可使输出稳压值提高2V,即输出电压U\(_{o}\)= U\(_{IC1}\)+2V(式中:U\(_{IC1}\)为集成稳压器IC1的固有稳压值)。VD2为保护二极管,防止输出端短路时损坏集成稳压器。
二、发光二极管变通运用实例—— 分挡式稳压电源

图7为一款采用发光二极管作为稳压管的分挡可调输出稳压电源电路,输出电压3V、4.5V、6V三挡可调,最大输出电流500mA,发光二极管VD5既是稳压管,同时也是电源指示灯。
1.电路工作原理。
图7所示为典型的串联型稳压电路,S1为电源开关,S2为输出电压选择开关,VD1~VD4构成桥式整流器,C1、C2、C3为滤波电容,晶体管VT1为调整管,VT2为比较放大管。发光二极管VD5构成基准电压源,将VT2发射极电压稳定在2V。电阻R3、R4、R5、R6构成取样电路,通过S2选择不同的取样比,即可获得不同的输出电压。输出电压U\(_{o}\)=(U\(_{VD5}\)+U\(_{be2}\))×(R3+R4+R5+R6)/R*=2.7V×(R3+R4+R5+R6)/R*,式中:R*在不同挡位代表不同的数值。
当S2位于1挡时,R*=R4+R5+R6,取样比为0.9,输出电压U\(_{o}\)=3V。
当S2位于2挡时,R*= R5+ R6,取样比为0.6,输出电压U\(_{o}\)=4.5V。
当S2位于3挡时,R*=R6,取样比为0.45,输出电压U\(_{o}\)=6V。
2.制作与调试。
T1选用次级电压9V、6W左右的电源变压器。发光二极管VD5可选用自己喜好的颜色,其正向管压降应为2V,否则需重新计算取样比。取样电阻R3、R4、R5、R6可在临近的标称电阻中挑选,例如,90Ω电阻可在标称值为91Ω的电阻中挑选。其余元器件如图7所示。调整管VT1应安装一小散热片。
文/莫恩