科学研究表明,青少年近视病主要是由于长时间在灯光下看书以及坐姿不正确,导致眼睛长期处于疲劳状态造成的。保健灯具的问世为青少年预防近视提供了一种手段,并逐渐成为市场热点。本文将介绍一款采用语音微处理器IC研制的“会说话”的防近视护眼保键台灯,供读者及制造厂商参考。
白光LED是LED产业中最被看好的新兴产品,而白光LED护眼保健台灯的推出是取代传统台灯的一种尝试,其外观见图1。它的主要特点为:

(1)具有成本低、制作容易、无污染、长寿命、发热低、耗电少、耐震动和抗冲击等特点。
(2)交流/直流两用,低压供电,使用更加安全可靠。
(3)自动定时开/关灯时间与学校作息制度一致,开灯时间为45分钟,关灯时间为10分钟。每隔45分钟自动关灯一次,语音提醒使用者休息,并自动播放“眼保健操曲”,督促学生每天坚持做眼保健操。亦可手动播放“眼保健操曲”。
(4)护眼保健台灯采用白光LED固体光源替代白帜灯、荧光灯。所谓白光是多种颜色混合而成的光,以人眼睛所能见的白光形式至少要两种光混合,如二波长光(蓝色光+黄色光)或三波长光(蓝色光+绿色光+红色光)。在电源电压稳定情况下,白光LED固体光源完全无闪烁,不存在紫外线辐射等问题。
白光LED定时护眼台灯由智能语音微处理器电路和白光LED灯驱动电路等部分组成。接通电源,LED灯点亮,扬声器发出“小朋友,请坐好,现在开始学习”。这时,定时电路开始计数,当到达45分钟后, LED灯熄灭,扬声器发出“小朋友,现在休息10分钟,请跟我做眼保健操”语音,然后播放“眼保健操曲”,播放完毕自动停止。10分钟后LED灯自动点亮,扬声器播放“小朋友,请坐好,现在开始学习”。
定时语音控制电路可单独用于改造普通台灯,学校科技辅导员可组织小制作活动。
三、KA360系列语音微处理器
1.电路特性
KA360系列语音微处理器IC内部集成了系统时钟(主频可达66MHz,典型值为48MHz)、8位数据处理器DSP、4M位只读存储器ROM、8K位静态读写内存SRAM、RC基频振荡电路及数字倍频控制PLL电路、2组混音滤波运算放大器、功率放大电路(直推8Ω/0.5W扬声器)、8位MCU控制接口、I2C 用户序列传输接口、256阶合成音量调整电路、2个16位数字/模拟转换电路、可程序化内部波形处理取样控制等单元电路,具有极强的可编程能力,可播放语音/音乐、驱动马达,还可以配用LED闪灯、LCD、LED数码管指示。
KA360语音微处理器工作电压范围为2.2~4.5V;省电模式耗电2μA。主要应用于各类玩具、儿童学习机、防盗报警、智能家电、理疗保健、仪器仪表以及各类自动控制系统等。
2.引脚排列及功能说明
KA360系列语音微处理器IC有3种封装形式,分别为KA360-SDIP28、KA360-QFN32和KA360-QFP44。
表1为KA360-SDIP28封装引脚功能表。
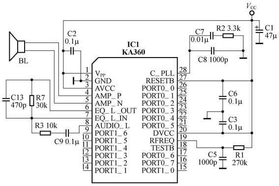
3. 基本应用电路
图2是KA360-SDIP28基本应用电路图。IC1内部15个I/O口可独立编程作为输入或输出口。当作为输入口时,可单独接通或断开。P0RT0组I/O口可分别独立编程为外部上升沿/下降沿中断触发,并可在睡眠状态唤醒系统。
有关本文更详细的技术问题可与作者联系,E-mail是hhyy8@163.net。
(文 王南阳)

