Y977-1/Y977-1A是常州赛欧电子公司(http://www.saiou-electron.com)在原Y977A基础上改进的两款新颖闪光灯控集成电路。它们均采用CMOS工艺制造,具有较高的性价比,可广泛用于闪光玩具、彩灯控制及摩托车霹雳灯等。
Y977-1型闪光集成电路采用标准8脚双列直插式塑料封装,它具有五路彩灯驱动输出端,均为开漏输出。芯片采用CMOS工艺设计制造,管引脚排列见图1,各引脚功能见表1,主要电参数见表2。


图2是Y977-1闪光集成电路的典型应用电路,电路通电后,芯片2~6脚(即Q1~Q5端)将依次输出低电平,可驱动5只发光二极管LED1~LED5闪烁。闪烁模式为追逐式循环闪光,即:Q1→Q2→Q3→Q4→Q5→Q4→……→Q1依次闪亮,周而复始,任何时刻只有一路闪光显示输出。图中R1为发光管的限流电阻。R2与C为芯片的外接振荡电阻与电容,改变其数值可以调节其振荡频率即改变LED的循环速率。数值大,振荡频率低,反之则高。振荡电阻R2可调范围一般在100kΩ~4.7MΩ,振荡电容C一般可在1~10μF之间选取。R2与C也可不接,即将芯片的振荡端OSC悬空,此时LED循环闪亮时,每灯点亮的时间约0.7s。本电路可用于各种闪光玩具及工艺品等。

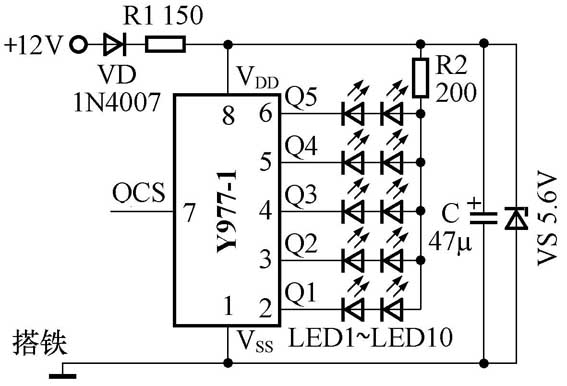
图3是用Y977-1闪光集成电路制作的摩托车霹雳灯电路,图中二极管VD为保护二极管,可防止电源反接时烧毁芯片。来自摩托车电瓶的12V直流电压经R1降压限流、稳压管VS稳压及电容C滤波,向芯片Y977-1及10只LED提供约5.6V的工作电压。为了降低成本,本电路芯片OSC端悬空,此时每灯闪光一次的时间约为0.7s,这也正好符合霹雳灯闪光的需要。实际制作时,应将LED1~LED10十只发光管成一字形排列在摩托车行李箱背后,闪光时可形成流水或伸缩视觉效果。R2为发光管的限流电阻,其阻值决定了LED的发光亮度。

本电路也可用于电动自行车后车箱霹雳灯,但电动车的电瓶一般为36V,所以在本电路输入端应加接一只78L12的三端稳压集成块,将输入电压降为12V即可。
Y997-1A是用CMOS工艺设计制造的六闪光灯控集成电路,它有6个驱动输出端Q1~Q6,芯片采用COB黑膏软封装(面积为10mm×10mm),芯片的正、反面引脚通过边缘的金属孔化相连,因此装配时可采用表面贴装也可以挖孔埋入式焊接,非常方便。Y997-1A芯片引脚排列见图4所示,各引脚功能见表3。Y997-1A工作电压范围为2.5~6.5V;最大输出灌电流为20mA; 闪烁方式为:Q1→Q2→Q3→Q4→Q5→Q6→Q5→Q4→……→Q1→Q2循环闪光,周而复始,任何时刻只有一路点亮。Y977-1A的闪光频率是由芯片内电路决定,不可通过外部电路改变,其每灯闪亮一次的时间约为0.7s。

由于Y997-1A具有六路输出、外接元件少、使用简单方便、振荡频率无需调节等优点,因此有极高的性价比,它可广泛应用于各种闪光玩具、工艺品及装饰灯等场合。如果用它制作摩托车霹雳灯,则可驱动12只发光二极管闪烁,且电路更简单,成本更低,具体电路见图5所示。R1是芯片Y997-1A和12只发光管的公共降压限流电阻,流经R1的电流约15mA,即R1降去8V左右的电压,因此Y997-1A可工作在正常工作电压下,所以本电路可以省去稳压二极管以进一步降低制作成本。如果输入电压高,则应在电容C两端并联一只稳压二极管,以使芯片Y977-1A工作在正常电压范围。本电路如用于电动自行车后车箱霹雳灯,也只需在电路输入端加接一只78L12的12V三端稳压集成块便可。
文/陈有卿

