名牌电子管前级放大器有多款,大多数线路较复杂,仿制并不容易,而英国著名的MATISST(马蒂斯)Reference电子管前级放大器,音色很靓,但线路却非常简洁,用料很少。原机放大部分有黑胶唱片的唱头放大电路和高电平放大电路,因为现代音源一般用CD、DVD或SACD,所以仿制时采用高电平放大电路也称10倍放大电路(见图1)。据资料介绍,此线路是用话筒放大线路改进的,而话筒放大线路一般是性能很高的前级放大线路,其频率范围较宽(高级话筒频率范围在40~20kHz),因此MATISST Reference电子管前级放大器的线路是简洁而性能良好的线路。

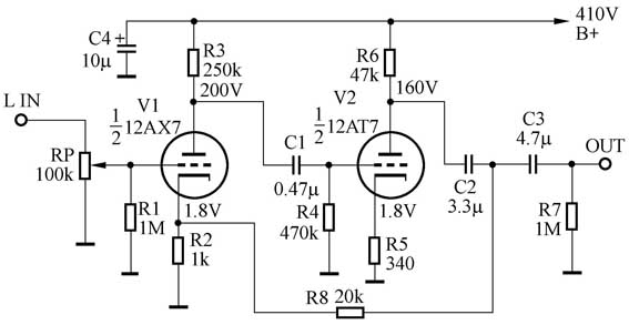
主放大电路部分是两级共阴极放大,输入级V1用高μ双三极管12AX7(μ=100),输出级V2用高频、中μ(μ=60)双三极管12AT7,此电子管屏流较大(10mA),两电子管混合使用,将其特性融合在一起,使放大器的音色独具魅力,高频纤细、晶莹绚丽、中音丰满厚润、低音强劲。因加有大环路负反馈,能使高μ管稳定地工作,并且可以调整整机的增益。当整机增益调到恰到好处时,音色和动态都会有超凡的表现,有醉人的听感,两放大管的阴极电阻也未设旁路电容,可作为本级电流负反馈,所以放大电路工作非常稳定。此线路的另一特点是电子管屏极电源电压较高(410V),V1的屏极负载电阻阻值较大,这就使放大电路的失真极低,动态范围也宽泛,输出电容C2、C3取值较大,使低频响应极好。由于12AT7的屏流较大,当输出电流较大时,音频信号通过后级功放中的级间耦合电容时损失就小,音乐的丰满度、细节等都会有好的表现,这就是输出级用高屏流放大管的裨益,由此显示了设计师的眼力和匠心,这是本机的神髓。
要想放大电路能充分发挥潜质,就必须有性能良好、功率余量较大的电源来支持。原机电源部分采用了半导体分立元件制作整流和稳压电路,并用电路板组装较为复杂。业余条件下制作一块电路复杂的线路板并不是易事,况且B+电压较高,走线的间隙稍小,就有短路跳火、烧坏的危险,因此本人重新设计了电源电路,采用分立元件搭棚方式组装,元件间保持足够的距离,以保证长期工作的安全。具体电路见图2。

本机电源电路可用半导体二极管作半波整流。由于主放大电路B+输出电压较高,要求电源变压器的次级高压线圈的电压要在350V以上,这样滤波电路输出端才能得到\(\sqrt{2}\)E的直流电压,若高压次级线圈电压只有220V~230V,则可用半导体二极管作倍压整流,滤波电路输出端可得到2\(\sqrt{2}\)E的直流电压。滤波电容,可用两只耐压380V或400V的电解电容串联使用,再并联上均压电阻即可。其后的扼流圈π形滤波电路,使B+电压更平滑,放大器的音色也更圆润。B+输出端还有稳压电路,将输出电压稳定在410V,以适合放大电路的需要。图2中电源变压器次级高压绕组采用两组串联形式,每组电压较低,经D1、D2半波整流后,通过扼流圈的滤波电路,输出直流电压为520~560V,电源输出端设有采用大功率晶体管的稳压电路,输出410V的B+电压供给放大电路。稳压二极管DZ用两只150V和一只110V的三只管子串联使用,使电压调整管VT的基极有一个410V的基准电压,电路通过R5向稳压管提供5~6mA的工作电流。VT的E脚得到约410V(减去0.7V的管压降)十分稳定的直流电压。电压调整管VT用彩电电源调整管2SD1402,此管是硅NPN型高反压大功率开关晶体管,其参数是:V\(_{CBO}\)=1500V,V\(_{CEO}\)=800V,I\(_{CM}\)=5A,P\(_{CH}\)=120W,T\(_{j}\)=150℃。选用调整管时要注意不宜用内部带阻尼管的。由于B+电压较高,V\(_{CEO}\)要大于800V。2SD1402管脚排列见图3。该管功率较大,不加散热器温度也不高。此电源的特点是,功率大、速度快、内阻小、工作稳定可靠。如再加电子管进一步整流,整流管要选用5Z4P(耐压500V),而不用5Z3P(耐压450V)。电压放大管灯丝用交流电源点燃,灯丝电源电路中有平衡电阻R6、R7,且中点接地,以抑制交流声。灯丝电压加在放大管12AX7、12AT7的4、5脚与9脚之间。若接6.3V电源供电,如图2所示两管并联连接。如用12.6V电源供电,9脚空着不用,两管4、5脚串联连接12.6V。若灯丝电源有一端接地,则4、5脚可接接地端,此时放大器的噪音会低些。
MATISSE Reference 是售价几万元的名机,线路虽简洁,但用的是顶级元件,有的零件市面上买不到,是特制的,机壳加工也特别精致。仿制时应根据财力尽力使用发烧级的元件。本人使用的放大管是标有USA的12AX7WA和英国大盾的Mullard ECC81。Mullard ECC81与 12AT7型号相同,但较一般12AT7性能更好,低频更强劲,音色雄浑、动态更佳。此电子管脚是黑色铁脚,见图4,有用户介绍此种品种管脚的性能极佳。使用前应用细纱布将管脚擦干净,再配以进口的、优质的、有屏蔽的管座,使管脚与管座接触得非常紧密。电子管脚的材质是根据电子管的性能要求而设计的,有金脚、银脚、铜铁脚、铁脚等,材料不同,其中杂质的多少不一样,电子管的性能也各异,选用时要注意。
音量电位器非常重要,音频信号全部由此经过,并受它的控制,要用顶级产品,如Noble型号,或者用国产电阻步进式的,虽然手感稍差,但对两声道平衡、对称颇为有益,性能较碳膜电位器要好。
B+电压滤波电容用飞利浦蓝色电解电容,此种电容高频性能好,可与中低频特性优秀的SPRAGUE电解电容或德国ROE金色电解电容混合使用,能采用英国TCC或WE的罐装油浸电容更好。级间耦合电容、输出电容用TCC或SPRAGUE油浸电容,ERO古董薄膜电容,也可用WIMA MKP-10电容等,有财力可用铜膜电容、银膜电容,会使放大器音色更通透,细节更丰富。
电阻可用AB碳阻或DALE发烧级电阻,放大管屏极负载电阻或阴极电阻还可用进口的精密金膜电阻或WE的线绕电阻,会使放大器乐声更清澈,细节更清晰、低音更强劲。为了使两声道平衡、对称,各点电压相同,两声道电阻要配对使用,误差越小越好,尤其是环路反馈电阻R8,误差越小,两声道的增益越一致,立体声效果才会有更好的体现。
电源变压器用的是20世纪60年代上海制造的五灯机变压器,很有口碑。前级放大器虽然耗电不大,但采用大型的变压器时刻供给充足的功率,会使其低频的力度十足,中频雄浑而浓厚,人声自然甜美。如果采用名厂绕制的100VA环形变压器更好,因为环形变压器的性能要比E1形变压器优越,无论是放大器的信噪比或是乐声的清晰度,低频的力度都会有更高层次的表现。
机内小信号线用外径φ6mm的特富龙包银信号线,机内少量的连接线用φ1mm的特富龙镀银线等。接地母线用φ1.2mm裸镀银线。这些线都具有银和铜的特性,会使放大器的乐声清晰、细节丰富又有韵味。
此机采用搭棚焊接的方式组装,阻容元件尽量利用本身的引线固定在电子管座、搭棚支架或接地母线上。
接地线采用一点接地的方式。各接地元件至接地点的先后顺序也很有讲究,V2的接地元件距接地点最近,V1的接地元件距接地点稍后,电源部分的接地元件汇总后单独一根地线引至接地点。这样的接地先后次序减去了对输入级V1的干扰,提高了放大器信噪比,所以在整机元件布局时就应考虑接地点及输入、输出级放大管的位置,使各点的先后顺序达到要求,以提高信噪比和放大电路工作的稳定性。
焊接完毕,详细检查无误,按位置插上电子管即可单独通电试机测量。通电后机内无异常现象,几分钟后各部分工作已经稳定便可以进行测量,灯丝电压为6.0~6.3V,其他各点电压应与图1中所注的电压数值相差不大。如某点电压相差较大时,可通过调整使各点电压基本正常,应尽量调到两声道各点电压基本相同,这样,两声道才平衡对称。若是有故障寻迹器可接在输出端,再将音量电位器适当开大,手握小改锥的金属部分碰触输入RCA插座的“+”端,输入一个人体感应信号,如听到放大了的“嘟、嘟”声,说明放大器工作正常,信噪比也够高,至少有85dB以上。此时便可以接入放音系统的音源与功放之间试音了。放音系统要用AC电源处理器,以供给纯净的电源。放音初啼便可觉得音色已不俗,再煲几天,音色会更柔润、娇美,播放各种内容的音乐试听,然后再校声,V1、V2的阴极电压还可以适当调整(改变阴极电阻阻值),再听,音效是否更好。有条件可再换电子管校声,输入级12AX7可换用Telefunken的Ecc83或MullardECC 83,表现会更好。
文/戴洪志