编前:
本刊今年第3期曾介绍过关于亚音静噪的知识。大家知道,中继器容易被干扰启动,最常见的防范技术是亚音静噪(CTCSS,连续音频代码静噪)。亚音是一种频率较低的音频信号,安装亚音静噪功能的中继站只有收到带有特定亚音(例如88.5Hz)的信号才转发,否则视为“没有收到信号”。CTCSS能够避免偶然干扰和一部分人为干扰。本文作者将为大家介绍几种亚音频电路制作实例。
电路见图1,元件数值如图所示(笔者认为R8作为输出电阻似乎偏大),P1、P2为多圈可调电阻,C1、C2为聚酯电容,C3为瓷片电容,C4~C6为电解电容。
P1调节CTCSS音调频率,P2调节CTCSS音调强度。CTCSS音调频率调整范围为60~80Hz,要得到更高的CTCSS音调频率需把C1和C2的电容量减小些。图2是其印制板图。

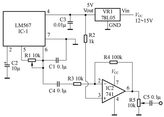
图3是经过改良的PL音调编码器。电路中电容器C1的容量一定要准确,它是聚酯电容或金属薄膜电容,它的参数可用公式计算:音调频率=1/R1C1。
电路中C1如用1μF,音调在100~300Hz之间,增大R1电阻就可以得到较低的音调频率。R1、R5为多圈可调电阻,R1调节CTCSS音调频率,R5调节CTCSS音调强度。
图4是用CML公司的FX315专用CTCSS编码片。外围元件少,不用调整,元件选用质量好些的即可。
FX315的14脚是电源正极,7脚是电源负极,11脚为CTCSS编码输出。SB0~SB5开关可设置不同的频率,其中,常见的88.5Hz的开关设置为:

注:1为开 0为关
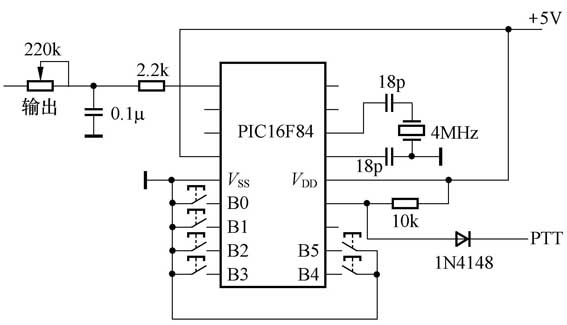
图5是用单片机PIC16F84制作的CTCSS电路。电路简单,外围元件少,不需要调整,只是要烧写单片机程序,读者可访问http://www.qsl.net/bd6cr/jsham下载该程序。图6为其印制电路板图。

文/王伟



