首页
全文搜索
分类目录
作者目录
资料
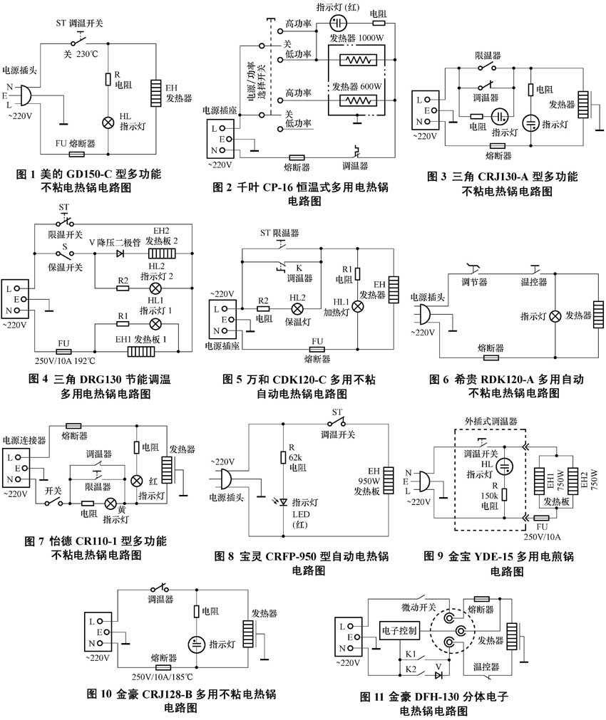
小家电电路精选 电热锅
🏠 首页
《无线电》杂志
2005年 🔗
第8期 🔗
第24页
分类:
家电与维修 🔗
孙铁骑 🔗
文/孙铁骑
图1
🔍原图 (850×1011)