长虹C-2919PK画中画彩电,为提高图像和伴音质量,采用了很多新技术。如数字式动态梳状滤波器Y/C分立电路、水平轮廓校正电路、彩色瞬态校正电路等,电路复杂,元件多,给维修造成困难。特别是一些新技术电路引起的故障,是常规彩电中见不到的,有的故障又时有时无,更是让人头痛,有时找到故障元件或电路组件,由于元件紧缺而无法修复。下面是笔者遇到的两例由数字式动态梳状滤波器Y/C分离电路引起的软故障和由于元件紧缺采取的应急维修方法,供同行们参考。
例1:长虹C2919PK彩电,小画面一切正常,大画面AV状态播放DVD影碟时正常,TV状态接收电视信号时,刚开机有严重的横道干扰,数十分钟后干扰逐渐减轻,但图像肤色不正常,脸色发青,红色发紫。

分析与检修:
根据AV状态正常,只是TV状态产生干扰后色调异常的故障现象,初步判断故障范围在AV/TV切换电路之前的TV信号接收电路、高频放大和视频检波电路中。拆开电视机检查,发现中高频电路多处被焊过,经了解用户,该机已被多位维修人员维修过,都是判断故障在中高频电路中,曾采取更换中放电路板,用副调谐器代换主调谐器等方法,均未能排除故障。看来故障不在中高频电路中,而是另有原因。
为了作出准确地判断,笔者进行多种调整和信号输入试验,发现大画面不但接收TV信号时图像色调异常,而且在AV状态播放DVD影碟时,也只是在输入NTSC制式彩色信号时,电视机彩色正常,如果将DVD输出的彩色制式改为PAL制式,电视机也会产生色调异常的现象。由此判断故障范围在AV/TV切换电路或切换之后的亮度或色度信号处理电路中。
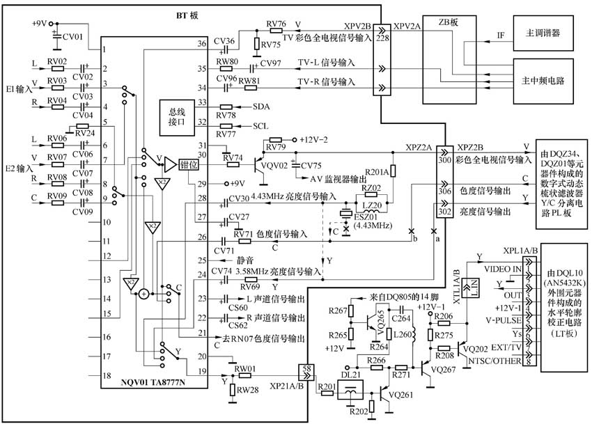
与图像有关的AV/TV切换电路如附图所示。从主板(ZB板)输出的TV全电视信号V,经过ZB板接插件XPV2A、BT板接插件XPV2B的228脚送到AVTV转换电路板(BT板),经过RV76、RV75分压后,由CV36送入AV/TV切换电路NQV01(TA8777N)的36脚,两组AV端子E1和E2的图像信号V分别输入到NQV01的3脚和7脚。NQV01在微处理器总线系统的控制下,AV信号和TV信号经NQV01内部切换后,从30脚输出彩色全电视信号V,该信号经VQV02射极跟随器后,从发射极分三路输出:第一路经过RZ01、RZ02、LZ20、ESZ01简易分离电路,滤除色度信号分离出亮度信号Y,经CV30送入NQV01的28脚;第二路经过CV75等元件送到AV监视器输出电路;第三路经过接插件XPZ2A/B的第300脚送至PL板的数字动态梳状滤波器Y/C分离电路。全电视信号在PL板分离出亮度Y信号和色度C信号后,又送回AV/TV转换电路板(BT板),其中亮度Y信号从XPZ2A/B的第302脚输出,经RV69、CV74送入NQV01的24脚,色度C信号从XPZ2A/B的306脚输出,经RV71、CV71送入NQV01的26脚。分立后的亮度Y信号和色度C信号与AV端子输入的亮度信号Y和色度信号C,经NQV01内部切换后,分别从19脚和21脚输出。其中从19脚输出亮度信号Y,经过亮度延迟线DL21和VQ261、VQ267、VQ202与外围元件构成的射极跟随器放大后,经过插接件XTL1A/B的LIN脚送到图像水平轮廓增强电路(LT板);从21脚输出色度信号C,经RN07送到色度信号解调电路。
对如附图中的BT板(黑框内所示)的AV/TV切换电路NQV01(TA8777N)与亮度、色度信号相关的引脚进行检测,发现刚开机出现横道干扰时,NQV01的亮度信号输出端19脚的电压随干扰信号波动,向前检查亮度信号的输入端24脚电压也波动,看来波动来自24脚以前的亮度信号处理电路。24脚的亮度信号来自PL板的Y/C分离电路,对Y/C分离电路进行检查,该板上的外围分立元件未见异常,怀疑是该板上的动态梳状滤波器集成电路DQZ01(SBX1765-01)、时钟发生器电路DQZ34(CXA1686M)内部发生故障,造成PAL信号畸变,引起横道干扰和色调异常故障,对XPZ2A/B的第302、306脚输出亮度信号和色度信号电压进行测量,均微微抖动。
由于本地购不到DQZ01(SBX1765-01)、DQZ34(CXA1686M),更无PL电路板进行更换,使检修陷入困境。
考虑到没有采用数字动态梳状滤波器Y/C分离电路的彩电,用简单的带通滤波器同样可以分离出亮度和色度信号,根据该电路的现状并参考普通彩电的Y/C分离电路,采用如下应急方法进行维修,获得成功,现介绍给读者。
具体改动在电视机后部的AV/TV转换电路板(BT板)上进行,如图中虚线所示:首先将原数字动态梳状滤波器Y/C分离电路输出的亮度信号和色度信号从a点和b点断开,从VQV02射极跟随器的发射极输出端获取亮度信号和色度信号,送到NQV01的24脚和26脚。具体方法是:先从XPZ2A/B的第302脚的输出端,断开PL电路板输出的亮度信号,将NQV01的28脚外围输入电容CV30的负极用导线与RV69相连接,取得亮度信号输入到NQV01的24脚。再从XPZ2A/B的第306脚的输出端,断开PL电路板输出的色度信号,将NQV01的28脚外围的色度信号陷波器ESZ01的接地端断开,通过导线与RV71相连接,将ESZ01陷波器改为带通滤波器,取得色度信号输入到NQV01的26脚。
该机经上述改动后,开机输入AV/TV信号收看,无论收看TV电视信号还是输入PAL制式、NTSC制式DVD信号,大画面和小画面的彩色和图像均恢复正常。
例2:长虹C-2919PK彩电,大画面TV状态接收电视信号时,图像场同步正常,行同步大面积正常,从上到下个别部位无规律的左右抽动,特别是上部左右抽动更厉害;当大画面扭动时,小画面无论接收TV还是播放DVD时图像也随之扭动;大画面AV状态播放DVD影碟时正常,此时小画面不论是接收TV还是播放DVD时图像一切正常。
分析与检修:
根据大画面AV状态正常,只是TV状态产生图像抽动,判断故障范围在AV/TV切换电路之前的TV信号接收电路、高频放大、视频检波电路中,至于小画面随大画面抽动,判断是大画面抽动时干扰造成的。
重点对大画面的TV信号接收电路、高频放大、视频检波电路进行检测,考虑到该机具有大画面和小画面两套中、高频放大、视频检波电路,决定采用代换的方法,判断故障范围。先代换高频IF信号,将大画面的高频头IF信号输出端断开,将小画面高频头输出的IF信号送入大画面的中放电路的输入端,开机观察图像仍然左右抽动;再恢复高频IF信号,将大画面中放板视频检波后的全电视信号断开,将小画面的中放板视频检波后的全电视信号接入主电路,开机观察图像还是左右抽动,使检修陷入困境。
后来想起例1的故障检测经历,进行信号输入试验,发现该机在AV状态播放DVD影碟时,也只是输出NTSC彩色信号时图像正常,如果将DVD输出的彩色制式改为PAL制式,图像也产生左右抽动故障。由此判断故障范围在AV/TV切换电路或切换之后的亮度或色度信号处理电路中。
对如附图 BT板(黑框内所示)的AV/TV切换电路NQV01(TA8777N)与亮度、色度信号相关的引脚进行检测,发现图像左右抽动时,NQV01的亮度信号输出端19脚的电压也随干扰信号波动,向前检查亮度信号的输入端24脚电压也波动,判断该例也是数字动态梳状滤波器Y/C分离电路发生故障,造成PAL信号畸变,引起图像左右抽动。
由于本地购不到数字动态梳状滤波器Y/C分离电路和内部集成电路,决定采用例1相同的方法,用简单的带通滤波器代换数字动态梳状滤波器Y/C分离电路,具体改动与例1的图中虚线所示。经上述改动后,开机输入AV/TV信号收看,无论收看TV电视信号还是输入PAL制式、NTSC制式DVD信号,大画面和小画面的彩色和图像均恢复正常。
长虹C-2919PK画中画彩电的数字动态梳状滤波器Y/C分离电路,是故障易发部位,其故障特点是大画面工作于PAL制式时图像不良,工作于NTSC制式时正常。此后笔者又多次接修长虹C-2919PK画中画彩电类似故障,笔者都是先采用上述应急方法维修,如果未果再进行下一步,大多收到立竿见影的效果。由于该应急方法比较简单,不必拆除整机电路板,只要拆除电视机外壳和后部的AV/TV切换电路的挡板,即可见到BT板(附图黑框内所示)AV/TV转换电路,并进行改动。如果同行们遇到该系列彩电相同的故障现象,建议采用本文的应急方法进行维修试试,往往会收到事半功倍的效果。
小结:
1.以上两例都是由于数字动态梳状滤波器Y/C分离电路发生故障引起的图像不良,根据经验,当数字动态梳状滤波器Y/C分离电路发生故障时,主要对PAL制式信号产生影响。当发现彩电NTSC制式正常,只是PAL制式发生故障时,除对PAL解码电路进行检测外,不要忽视了对数字动态梳状滤波器Y/C分离电路的检测。
2.以上两例在检修开始时,由于未能对电视机做全面的调试和输入不同制式的信号试验,未能发现该机只是在输入PAL信号才会产生故障,致使对故障部位做出了在高、中频电路的错误判断,使检修走了弯路。该例提醒我们,维修彩电时不要忙于检修,要仔细观察故障现象,并进行与故障相关的必要调整,同时输入TV、AV信号试之,对多制式彩电建议输入不同制式的彩色、伴音信号,以便对故障现象做全面的了解,对故障部位做出更准确的判断,避免走弯路,甚至陷入困境。
3.对于采用新技术的画面、伴音处理电路发生故障,因元件短缺或技术原因不能维修时,如果能找到该电路输入、输出信号的接口,可采用以上两例类似的应急方法,考虑用相同功能的常规电路替代或越过该特殊电路,使之起死回生。
文/许亚军
相关知识链接
Y/C分离电路
彩色电视视频信号中包含有亮度信号和色度信号。如果没有色度信号,则电视画面是黑白的;如果没有亮度信号,则电视画面只能显示一些朦胧的色块。从电视台送来的信号中,亮度信号和色度信号是混在一起传送的,其中,色度信号插在亮度信号频谱的高端。彩色电视机最终在显像管上显示画面的时候,是需要单独的亮度信号和单独的色度信号才能进行工作。在彩电中将视频信号中色度信号和亮度信号分离的电路叫Y/C分离电路,其中Y代表亮度信号,C代表色度信号。
Y/C亮色分离电路经过了三个阶段的发展,第一阶段: 1D Y/C分离,由普通的LC带通滤波器和陷波器所组成。将视频信号通过一个窄带(4.43MHz)带通滤波器,得到色度信号。再将视频信号经过一个4.43MHz的陷波器,抑制掉色度信号,从而得到亮度信号。 缺点是存在较严重的亮色串扰,亮度信号受损,清晰度下降。第二阶段:2D Y/C分离,采用由两行延迟线、加法器、减法器等部分组成的梳状滤波器进行亮色分离,以频谱分离的方式分离出亮度和色度信号。其缺点是由于实际的视频信号有时会有非相关性,如垂直方向有色度跳变,则会造成造成Y与C分离不彻底。第三阶段:3D Y/C分离,这种滤波器称为3D动态数字式梳状滤波器,它是利用三行彩色信号来完成垂直方向的相关检测,仅提取所需要的彩色信号,从而克服了前述梳状滤波器的缺点,使图像的清晰度提高了100多线。
文/赵荣