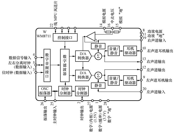
WM8711是英国Wolfson 公司研发的内含DAC变换功能的低功耗耳机功率放大器,它具有 “D/A转换器”+“耳机功率放大器”的功能,这个多功能集成的特点非常有利于产品的小型化、微型化设计。WM8711是28-pin SSOP封装,输出功率可达到55mW。WM8711的主要电气参数见附表,其内部功能框图见图1。

WM8711主要应用在CD机和VCD机等便携式音响产品中,本文以广东步步高电子公司F117便携式VCD机音频输出电路为例介绍其应用电路,这是一款带有FM收音功能的便携式VCD机,电路原理见图2。本电路可以大致分为四个功能模块:线性输入、放大电路、线性输出和耳机输出,下面分别讲述。
(1)线性输入
这一部分电路非常简单,FM_L、FM_R分别是来自于收音模块TEA5768的音频输出,C56、C64是隔直、耦合电容;电阻R38和电容C57、电阻R39和电容C58分别构成简单的一阶RC滤波器,滤波后的信号输入到WM8711。
(2)放大部分
该模块是本电路的核心部分。稳定的3.2V供电一路经R9(10Ω)加在WM8711的1脚;另一路经R12(2.2Ω)加在WM8711的8、14脚。电解电容C66容量较大,一方面作为滤波;另一方面作为储能之用,特别是在输出功率较大且3.2V不稳之时尤甚。此外,WM8711内核电压由Q21提供,R9后级电压经R48、R49分压后加在Q21基极,其射极输出电压为1.6V左右。
按线控器“MODE”键切换到FM收音机模式,系统转到收音状态,此时左右分离时钟、数据、位时钟和主时钟(16.9344MHz)都没有信号。从收音模块TEA5768解调出来的FM_L、FM_R分别经隔直电容C56、C64耦合,RC滤波器后输入到WM8711的20、19脚→WM8711内部电压放大→线性输出和功率放大器→功率输出。
参考图1,Σ符号实际上是一个“加和放大”电路,具体电路见图3。WM8711通过23、24脚(网络信号SCL、SDA)与其他控制IC相连,SCL、SDA是符合飞利浦公司定义的标准I2C通讯总线时钟和数据信号,理论上可以挂256个设备。它在F117中连接6片IC:线控器CPU(按键扫描于显示)、TEA5768(FM收音)、SPCA800(MCU)、WM8711(功率放大器)、24C010(掉电记忆)和SPCA716(MPEG1解码)。
当系统工作于“播放机状态”,WM8711被设置“线性选择=OFF”,“D/A选择=ON”。这时,线性输入信号被静噪,经D/A转换的信号被放大(放大倍数为1),放大后的信号一路直接输出,另一路经放大/衰减后输入到耳机功率放大器。
同理,当系统工作于“收音机状态”,WM8711被设置“线性选择=ON”,“D/A选择=OFF”,这时,D/A转换的信号与放大器被切断,线性输入信号则被放大,放大后的信号一路直接输出,另一路经放大/衰减后输入到耳机功率放大器。
由此可知:线性输出的电压是不可以调节的,耳机输出的电压是可以调节的;相对于线性输出电压、耳机输出电压的放大/衰减范围在+6~-73dB之间,且增大/衰减的步距为1dB,即WM8711可以通过I2C总线设置音量以1dB的间距增大/衰减。F117耳机音量被设置为0~32挡,初始上电时为16挡。因此,它和WM8711增大/衰减控制不能一一对应,为此,我们设计时把WM8711放大+6dB对应F117最大耳机音量32,每降低几dB对应F117耳机一挡音量。当WM8711衰减到-55dB时耳机音量已经很微弱,所以,从-55dB以下全部设置静音,即WM8711在-55dB的音量设置对应F117为“静音”(0挡),用户可以通过按面板或线控器音量+/-键调节耳机音量在0~32中任何一挡。
(3)线性输出
线性输出的左、右声道音频信号分别经C50(10μF/6.3V/1206,其中1206表示电容封装尺寸:12表示120mm长,06表示60 mm宽,)、C52(10μF/6.3V/1206)隔直、耦合到后级。电阻R26、R28是电容C50、C52的放电电阻,因为静态时R26、R28和WM8711内部电阻网络组成放电闭合回路,放掉残存在C50、C52的电荷,使它们静态时端电压为0V,这样在下次连接外部功放设备时不会出现插拔噪音。此外,电阻R31和电容C54、电阻R33和电容C55分别构成简单的一阶RC滤波器,确保线性输出的信噪比符合要求(实测F117线性输出音频信/噪比约为94dB)。
另外,CVBS是F117的视频输出信号,通过C48、R24到4芯插座。初期产品中并没有C48、R24,市场反应烧坏视频编码IC的故障比较多,后来增加了这部分电路隔直、限流电路,市场反馈相对好一些,但问题还没有彻底解决。
(4)耳机输出
耳机输出左、右声道音频信号分别经C51、C49隔直、耦合到后级,R36、R37是静态时电容C49、C51的放电电阻(同R26、R28的作用)。对该电路需要说明两点: 一是耦合电容C416、C417要求要尽量大一点,这是甲乙类功放电路的特点,电容容量愈大,电路低频特性将愈好。二是R34、C62和R35、C63组成“茹贝尔”电路,具有消除自激、改善音质、保护WM8711输出管的作用。
线控器CPU的数字“地”(DGND)与耳机回路的模拟“地”(AGND)在主板上是连在一起的(GND),但是,它们通过独立的导线到线控器板上,在线控器板上这两个“地”必须各自独立,否则会造成严重的噪音干扰,特别是线控器上LED点亮/熄灭(线控制器供电电流突变)时尤为严重。耳机回路的模拟“地”和耳机左、右声道信号并行连到三芯耳机插座——连接可插拔立体声耳机。
另外,耳机回路的模拟“地”在主板上和“GND” 不是直接相连,而是通过L13,为什么呢?因为线控器模拟“地”同时是FM收音模块的“天线”!L13对音频信号而言几乎没有任何影响和直接连到“GND”一样,但是对FM无线电高频信号的阻抗很大,所以,从“天线”感应到的信号能顺利送到收音模块的输入端。
文/殷向阳 葛中海

