通常扬声器的作用是将音频电信号转换为声音,即扬声器是电→声器件。但扬声器也可以逆向运用,即作为声→电器件使用,例如将扬声器变通作为话筒或传声器应用在扩音、对讲、声控、报警等场合,会给我们的制作带来方便。
一、扬声器作传声器应用的连接形式
扬声器变通作为传声器使用时,在声波的作用下扬声器音圈输出的电信号十分微弱,需经放大器进行放大。由于扬声器的阻抗很低(一般为4~32Ω),与放大器输入端要求的输入阻抗相差甚远,因此扬声器与放大器之间通常采用变压器耦合连接。
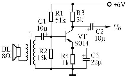
1.与晶体管放大器的连接。
图1所示为扬声器作传声器与晶体管放大器连接电路,T为耦合变压器,C1为耦合电容器。变压器T的作用有两个:(1)阻抗变换,将扬声器的8Ω低阻变换为数百Ω的高阻,以实现与放大器输入阻抗的基本匹配; (2)提高信号电压,可将扬声器输出的微弱音频电压提升数十倍。变压器T可采用晶体管收音机的输出变压器倒置代用,即将其原来的次级作为初级接扬声器,将其原来的初级作为次级接放大器即可。

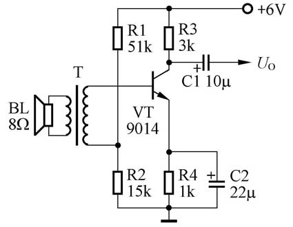
耦合电容器C1的作用是隔直流,以保证晶体管VT的基极偏置电压不被变压器T的次级线圈短路到地。也可将变压器T的次级线圈串接在晶体管VT 基极与偏置电路(R1、R2)之间,如图2所示,则可以省去耦合电容器C1。

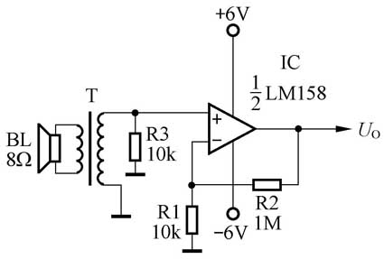
2.与集成运算放大器的连接。
集成运算放大器可以构成同相放大器,也可以构成反相放大器;大多使用正、负双电源,也可以使用单电源。图3为扬声器作传声器与使用双电源的集成运放同相放大器连接电路,T为耦合变压器,放大器的放大倍数A = R2 / R1。由于采用正、负对称的双电源,放大器输入端直流电位为0V,因此无需隔直流耦合电容器。图4为扬声器作传声器与使用双电源的集成运放反相放大器连接电路。


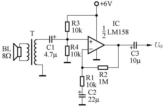
图5所示为扬声器作传声器与使用单电源的集成运放同相放大器连接电路。由于使用单电源,放大器输入端直流电位不再为0V,而是被偏置电阻R3、R4偏置在电源电压的一半(图5中为3V),因此必须有隔直流输入电容器C1,以保证IC“+”输入端的偏置电压不被变压器T的次级线圈短路到地。C3为输出耦合电容器。

二、扬声器变通运用实例 —— 声控音乐盒
声控音乐盒是一种趣味电子制作,它受声音信号的控制。当您发出声音指令时(口哨声、击掌声等任何声音),声控音乐盒便演奏一首世界名曲。当您再次发出声音指令时,声控音乐盒便演奏另一首世界名曲。
1.电路工作原理。
图6所示为声控音乐盒电路图,图7为其方框图。整机包括:(1)扬声器BL、变压器T构成的声电、电声转换电路;(2)CMOS非门D1~D3构成的放大电路;(3)C2、R3、VT2构成的微分触发电路;(4)音乐IC构成的音乐信号源电路; (5)晶体管VT3构成的电压放大电路;(6)晶体管VT4构成的单管变压器输出功放电路; (7)二极管VD1、VD2等构成的倍压整流电路;⑧晶体管VT1构成的电子开关。
扬声器BL在这里既是扬声器又是传声器。电路设计中巧妙地利用变压器T,使BL在声控音乐盒处于待命状态时作为传声器,在声控音乐盒处于演奏状态时作为扬声器。
电路工作过程为:当您发出声音指令时,扬声器BL将声音转换为电信号,经变压器T阻抗变换和升压、C1耦合至D1~D3构成的CMOS放大器放大后,由C2、R3微分电路产生一触发脉冲使VT2导通,将音乐IC的触发端短路到地,触发音乐IC播放乐曲。乐曲信号经VT3电压放大后分为两路:一路经C3耦合至VT4作功率放大,并通过变压器T驱动扬声器BL发声。另一路经C5、VD1、VD2倍压整流后使电子开关VT1导通,将变压器T次级的上半绕组短路,使BL在乐曲播放期间不起传声器的作用。当乐曲播放结束并经一定延时后(延时时间由R8、C6决定),VT1截止,BL恢复作传声器等待您的下一个声音指令。
2.元器件选择与整机制作。
T选用晶体管收音机的推挽输出变压器,原次级接BL,原初级的中心抽头接地,另两端分别接VT1、VT4。音乐IC选用KD482,内储12首世界名曲,触发一次演奏一首,再次触发则演奏下一首。KD482有两种封装,应选用触发端接地触发的那种,如图8所示。VT4选用9012等PNP型功放管。其余元器件如图6所示。调试时,调节R7使声音清晰明亮即可。
文/莫恩