信噪比高达100dB的立体声音频放大器TS4984
TS4984是意法半导体(ST)公司推出的新型立体声音频放大器。
特点:
TS4984的信噪比(SNR)典型值为100dB,且输入接地时,在217Hz时的电源抑制比(PSRR)为62dB,可为小型便携设备提供高质量音频信号。在5V供电时可向8Ω负载每路提供1W的连续输出功率(RMS),THD+N低于1%,工作电压为2.2~5.5V。
该器件还具有热关断保护功能,每个通路采用外接电阻设定增益。此外,外接待机模式控制将每个通路的电流降至10nA以下。
应用范围:
TS4984适用于手机、笔记本电脑、PDA、LCD监视器、液晶电视机和便携式音频设备的音频放大电路。
编者注:
TS4984的详细资料见http://www.st.com/stonline/books/pdf/docs/11017.pdf。
大功率白光LED驱动器LTC3453
LTC3453是凌特公司推出的同步降压/升压DC-DC转换器,可以输出高达500mA的电流驱动大功率白光LED。
特点:
LTC3453可以根据不同的输入电压和LED最大正向电压,自动地选择以同步降压、同步升压或降压-升压模式工作。LTC3453的降压/升压电路结构可以在2.7~4.2V的整个锂离子电池电压范围内达到90%的效率。 在关机时,电源电流仅为6μA。LTC3453还具有完善的保护电路,当LED开路或短路情况出现时,就会自我保护。
应用范围:
LTC3453可以通过两个电流设置电阻和两个使能引脚进行编程,很容易地实现电流调整,非常适用于闪光灯和手电筒的白色LED驱动器电路。
编者注:
LTC3453的详细资料见http://www.linear.com.cn。
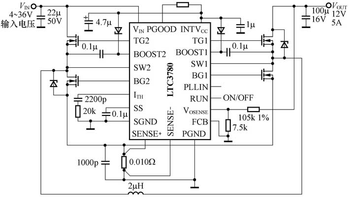
单电感大功率降压/升压 DC-DC 控制器LTC3780
LTC3780是凌特公司推出的高性能降压/升压开关稳压控制器,该器件的输入电压可高于、低于或等于输出电压。
特点:
LTC3780采用单电感器工作,可提供高达 75W 的输出功率,四开关同步整流可实现高达 97% 的效率。其恒定频率电流模式架构允许高达400kHz的可锁相频率。LTC3780 具有4~30V(最高36V)的宽输入电压范围和0.8~30V的输出电压范围。
LTC3780采用了专有的电流控制电路,在降压或升压模式下以恒定频率工作。此外,在所有工作模式下,均可对过压、过流和短路等异常情况进行保护。LTC3780具有恒定频率、突发模式和断续电流三种工作模式。
应用范围:
LTC3780可在工作模式之间实现无缝变换,非常适用于汽车、电信和由电池供电的系统。
编者注:
LTC3780的详细资料见http://www.linear.com.cn。


