目前,电灯调光、电风扇调速大多采用触摸式、键控式等,需人近前用手操作。本文介绍的“红外遥控步进式调光/调速器”,可以借助家电中任一红外遥控器,对电灯的灯光、电风扇的转速进行“弱→中等→强→关→弱……”步进式顺序控制,可循环选择,使用方便,且制作简易。
电路工作原理
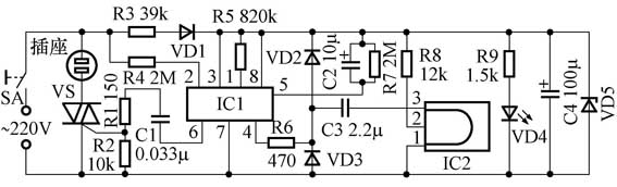
红外遥控步进式调光/调速器的电路,如图1所示。图中,IC1(BA2101)是调光台灯专用集成电路,为BEC公司生产的产品,电路采用CMOS工艺制造,8脚双列直插式塑封,其引脚排列如图2所示。其中,引脚1(OSC),为内部时钟输入,外接振荡电阻器。引脚2(SYN),为交流同步输入端。引脚3(VDD),为电源正极。引脚4(SP),为触摸信号输入端。引脚5(CI),为控制电容的放电量,外接放电电阻与电容。引脚6(TGO),为控制信号输出端,输出的触发信号送至晶闸管的控制极(门极)。引脚7(VSS),为电源负极。引脚8(50/60),为交流电频率选择端,50Hz时接VDD;60Hz时悬空。


BA2101的主要特性及极限参数见附表。

IC2为一体化红外接收头,它将红外接收管(光电二极管)、放大器、滤波器及解调器等集成在一个硅片上,最后输出标准的脉冲信号,不仅尺寸小,无需外部元件,并且具有抗光电干扰性能好(不需外加屏蔽及滤光片)、接收角度宽等特点。工作电压为5V,工作频率是38kHz。
红外遥控步进式调光/调速器工作过程如下:用家中任意成品红外遥控器对准红外接收头IC2的窗孔,将遥控器上任意按键按压一下,一体化红外接收头IC2的3脚便有脉冲信号输出,由于二极管VD3反向截止,信号经电容C3、电阻R6加至IC1的触摸信号输入端4脚,在IC1内部步进控制电路的作用下,由IC1的控制信号输出端6脚输出控制信号,送至双向晶闸管VS的门极,使VS导通,电灯点亮或电风扇运转。由于触发电压较弱,使晶闸管导通角开得小,则流经灯泡或风扇电机的电压低、电流小,故电灯发出弱光或电风扇转动慢。当用红外遥控器第二次照射一下IC2窗孔时,IC1的6脚输出电压增强,VS导通角度大,加至灯泡或风扇的电压增高、电流增大,则电灯亮度变大或电风扇转动加快。第三次用遥控器照射IC2的窗孔时,IC1的6脚输出信号最强,VS导通角最大,加至灯泡或风扇电机的电压几乎接近交流电源电压,故电灯最亮或电风扇转速最快。第四次用遥控器照射一体化红外接收头IC2窗孔时,在IC1内部电路作用下,IC1的6脚无控制信号输出,VS在220V交流电过零时,因门极无触发电压而关断,随之电灯熄灭或电风扇停转。这种步进控制,均是BA2101专用集成电路的特有功能,在外界施予的操作信号下,按“弱→中等→强→关→弱……”步进顺序进行,无需另设外围电路。
元器件选择
IC1为调光专用集成电路,可选BA2101。VS为双向晶闸管,可选工作电流1A、工作电压大于400V的塑封型。IC2为一体化红外接收头,可选SFH506-38或RPM-638型,如图3所示。VD5选9.1V稳压二极管。电阻R1、R2、R4~R9选1/4W金属膜或碳膜电阻,R3选1W金属膜电阻。C1为瓷介电容器,C2~C4为普通电解电容器,耐压16V即可。VD1~VD3选1N4148或1N4004型二极管。VD4选红色高亮度型发光二极管,用来显示供电是否正常及红外接收窗孔所在位置,以便夜间操作方便。开关SA可用墙壁上原开关或另设,以便长时间不用时关断装置电源,避免耗电。

安装与使用
红外遥控步进式调光/调速器的印制电路如图4所示。

电路组装正确无误即能正常工作。为使用方便,最好将组装好的印制电路板单独固装在一相应大小塑料盒体中,盒面存有发光二极管及红外接收头窗孔,并将盒体安装在被控电灯或电风扇就近处墙壁或天棚上,应注意避开电视机、VCD等红外遥控方向。
文/杨国治