ISD1800系列录放电路属CMOS大规模集成电路,片内含有主时钟振荡器、自动增益控制(AGC)电路、防混淆滤波器、平滑滤波器、传声器前置放大器、128K高密度多电平闪烁存储EEPROM阵列、差动音频放大器以及电源控制等单元模块。
ISD1800系列具有以下5大显著特点:
⑴ 独特的模拟信号直接存储与还原处理技术,语音录放不需要经过A/D、D/A数字化转换和压缩手段处理,音色自然、纯正,保真度高。重复录音周期长达10万次(典型值)。
⑵ 自动节省功率模式,录音或放音周期结束后,IC自动进入微功耗节电状态,掉电后的维持电流约为0.5μA。
⑶ 零功率存储语音信息,免接后备电池,采用片内不易挥发存储器EEPROM,不通电情况下可完好保存语音信息长达100年之久(典型值)。
⑷ 传声器音频信道直通工作模式。
⑸ 使用IC不需要编程器和开发系统。
ISD1800系列录放音时间为6~20s,通过调整IC外部振荡电阻值改变录放时间长短;使用3~5.5V单电源供电;ISD1800系列有ISD1806和ISD1810两种型号,通常采用COB、DIP、SOIC封装,工作温度分为0℃ ~70℃民用级和-40℃ ~85℃工业级、军用级。表1是IC型号参数指标。

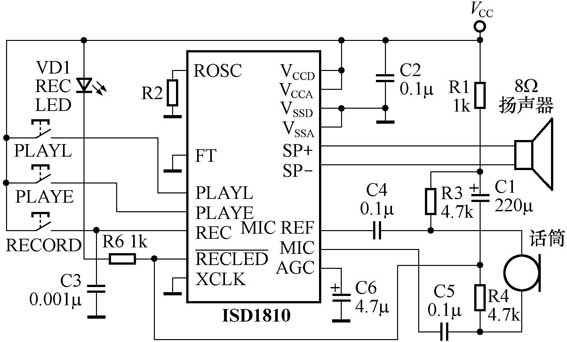
图1是ISD1810典型应用电路原理图。IC的外部电路非常简单,只需外接少量阻容元件、按键、传声器(驻极体话筒)、扬声器和电池等,就能组成功能完备的录放电路系统。

1.主要引脚功能(参见图2)。

V\(_{CC}\)A为模拟正电源端,V\(_{CCD}\)数字正电源端,去耦合电容器应尽量靠近IC,可使电路噪声最小;V\(_{SSA}\)、V\(_{SSD}\)——地线端;REC——录音控制端,录音时该引脚端高电平有效,REC的脉冲上升沿有84ms防颤作用,以防止按键误触发;PLAYE——边沿触发放音端,当放音开始时,便可以释放 “PLAYE”按键;PLAYL——电平触发放音端,该端从低电平变高电平时,IC开始放音;RECLED————————录音指示端,当IC处于录音状态时,可驱动LED发亮指示录音状态;MIC——传声器输入端;MIC REF——传声器参考点;AGC——自动增益控制端;SP+、SP-——扬声器正、反相信号输出端,可直接驱动8Ω以上扬声器;ROSC——振荡电路输入端,该引脚接振荡电阻器至地,由外接振荡电阻器的电阻值决定录/放音的时间长短(见表2);FT——直通模式控制端,该引脚允许接在MIC输入端的外部语音信号经过IC内部的AGC电路、滤波器和扬声器驱动器而直接到达扬声器输出端,平时FT端为低电平,要实现直通功能,需将FT端接高电平,同时REC、PLAYE、PLAYL三引脚端应保持低电平; NC——空置引脚端。

2.录/放音操作
按住REC键,开始录音操作;放开REC键或录满时自动停止。录音期间发光二极管VD1点亮。
按住PLAYL键开始放音,松开即停止;按一下PLAYE键全段放音一遍,放音结束时LED瞬间闪亮一次。放音操作模式有以下3种:(1)边沿触发放音:当PLAYE 引脚端处于低电平时,则进入回放状态,放音直到该信息结束为止。PLAYE引脚端的上升沿对操作没有影响。(2)电平触发放音:保持PLAYL引脚端为高电平时,则使器件进入回放状态,直到PLAYL变成低电平或该信息结束时,器件便自动停止播放,并自动进入掉电状态。(3)循环触发放音:当循环放音开关闭合时,按动PLAYE键即开始循环放音,只有断电或按一下PLAYE键才能停止循环播放。
IC录音操作的优先权大于PLAYL和PLAYE回放操作的优先权。当REC端为高电平时,无论IC当前处于什么状态,都立即中断操作,开始执行新的录音操作直到存储阵列录“满”或REC端变成低电平时,才结束录音操作。
3.直通工作模式
将直通开关闭合,电路即工作在直通模式。这时对着传声器说话会从扬声器里扩音播放出来,实现喊话器功能。由于该模式下的传声器放大,是经过片内AGC电路自动增益调节和带通滤波器的处理之后输出的,其音质比通常的传声器放大器的效果要好得多,而且不会出现扬声器过载。
4.特殊应用举例
(1)变调应用电路:
ISD1800系列可用来制作变调电路。原来的ISD系列IC的内部时钟固定,几乎不能产生变调效果,而ISD1800系列可以方便地实现,只需要改变录音和放音时的外接振荡电阻就能改变声音的录入和播放速度,详见表2。将ROSC端所接的振荡电阻改为电位器可以无级调节语音的快慢,录入的时间越短音质越好,录入的时间越长音质越差。
(2)IC批量拷贝:
ISD1810P的批量拷贝,可以借助ISD1425编程拷贝机加ISD1810P拷贝模块的方案。使用时,可先将需要的语音编程制作在ISD2532或ISD2560IC上,然后即可向ISD1820P拷贝模块上的IC拷贝即可,时间长度在模块上事先设定。
有关更详细的技术问题,可与作者联系,E-mail: hhyy8@163.net。
文/王南阳