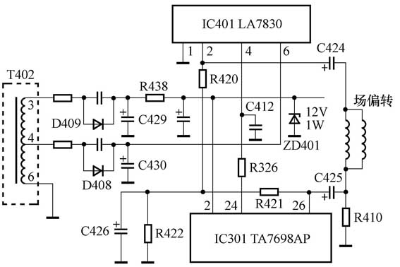
首先检查三无故障,重点检测开关电源与行输出电路。打开机壳通电,发光管亮,测+B105V输出电容C919两端电压(见图1),高达170V,迅速关机。该电压升高的原因在无线电杂志上已有介绍,直接用同规格电容更换电源开关管Q904基极的振荡耦合电容C911,立即奏效,电压恢复为标称值105V。此时显像管灯丝已亮,手靠近屏幕似有高压,但仍为黑屏,怀疑加速极电压偏低,调行输出变压器上的加速极电位器,屏幕上出现一条水平亮线,该机的又一个故障显现。一条水平亮线当为场扫描电路故障,检查范围应在场输出级、场振荡、场推动电路,以及两者之间的交直流反馈电路,如图2所示。测场输出集成电路LA7830电源端6脚电压24V,正常。用吸枪将锯齿波信号输入端4脚与电路板脱开,设法给该脚施加一个50Hz的干扰信号,发现屏幕光栅可展开,说明故障不在场输出级,将4脚焊复。场振荡与场推动电路由集成电路TA7698AP局部电路及相关外围元件组成,测与该功能有关的24~29脚电压,其值几乎为0V。测TA7698AP场电路电源端2脚电压也为0V,断电测该脚与地短路。TA7698AP的2脚电压由行输出变压器T402的3-6绕组电压经二极管D409整流、电容C429滤波及稳压管ZD401稳压后提供,接在该电源上的负载支路较多,但引起击穿短路的很可能是电解电容或稳压管,分别焊下测量,发现稳压管ZD401击穿,用日立1W稳压管1N4742代换之,因ZD401击穿短路而烧断的电阻R438也同时更换,光栅恢复正常。光栅正常后插入天线搜索电视节目,但搜索存储完节目回头观看效果时,发现已存入节目的1~10号台位竟然有一半没有图声,其余有图声的台位中也不是刚才存入的节目。由于搜索时停台位置准确,电视机的各项控制功能未见异常,判断CPU没有问题。屏幕上显示的图像仍是送修前用户自己存储的节目,且原存节目还能调出,说明CPU与存储器之间的数据交换通道畅通,故推断存储器异常,不能写入新的数据。用相同型号的存储器PCF8581P更换后图声信号存储正常。此时欲用遥控器关机结束修理,发现关掉的仅是音量,而图像并未消失。该机遥控关机时一方面从CPU的2脚发出VOL控制信号以关掉音量;另外CPU的41脚电位也由低变高,使三极管Q908饱和(见图1),相应的Q907、Q905、Q906截止,切断+B的输出通路,从而使行输出电路以及由行电路供电的相关电路失去电源,达到遥控关机的目的。在操作遥控器关机时,用万用表测CPU的41脚电位,高低转换正常,推断故障应在由Q905~Q908组成的开关电路,且承担高电压并负荷大电流的Q906最容易损坏。首先将Q906焊下检查,证实确已击穿损坏。用同型号的C2335替换后遥控关机功能恢复正常。

小结:
由于用户在电视机出了小故障后不及时送修,因此在电视机中留有很多隐患。本机故障首先是电容器C911质量劣化,使输出电压不稳定,有时输出电压正常能开机;有时输出电压升高,通过稳压管ZD301启动X射线保护而不能开机(见图1)。收看中电压突然升高则会击穿电源开关管Q906和12V稳压管ZD401,呈现三无故障。另外还有因阻容元件变值引起的场线性不良、行中心移位等,因而造成一机多故障。
文/杨德印
