这里介绍的“一拍亮”延时小夜灯,是你卧室里的“好伙伴”。每当你拍一下手掌,这盏延时小夜灯就会自动点亮1分钟,待你起床小便或看完钟表后,它又会自动熄灭。多么实用而有趣呀,赶快动手制作吧!
一、工作原理
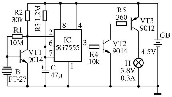
“一拍亮”延时小夜灯的电路如图1所示,它实际上是一个“声控延时小灯”电路。压电陶瓷片B与晶体三极管VT1、电阻器R1和R2等组成了声控脉冲触发电路,时基集成电路IC与电阻器R3、电容器C等组成了典型单稳态延时电路,晶体三极管VT2、VT3和电阻器R4、R5等组成了小电珠H的功率驱动放大电路。整个电路的电源由干电池GB提供。

平时,由于晶体三极管VT1的偏流电阻器R1取值较大,所以VT1趋于截止状态,其集电极输出电压高于1/3V\(_{DD}\)=1.5V(V\(_{DD}\)等于电源电压, 即4.5V),与之相连的时基集成电路I\(_{C}\)的低电位触发端2脚处于高电平,单稳态电路处于稳态,电容器C两端通过I\(_{C}\)的7、1脚被I\(_{C}\)内部导通的三极管短路,I\(_{C}\)的3脚输出低电平,VT2、VT3均无偏流而截止,小电珠H不发光。
当在有效作用距离范围内拍一下手掌时,突发的声波被压电陶瓷片B接收,并转换成为微弱的电信号。该信号的正半周经VT1放大后,从其集电极输出负脉冲,时基集成电路I\(_{C}\)的2脚即获得瞬间低于1/3 V\(_{DD}\)=1.5V的低电平触发信号,使I\(_{C}\)组成的单稳态电路受触发进入暂稳态(即延时状态),I\(_{C}\)的3脚输出高电平信号,VT2获得合适偏流导通,VT3进入完全饱和导通状态,小电珠H通电发出亮光。随着I\(_{C}\)的3脚变为高电平,I\(_{C}\)内部导通的三极管截止,解除了对电容器C的短路,电池GB通过电阻器R3开始向C充电。当C两端充电电压(即I\(_{C}\)的高电位触发端6脚电位)达到2/3 V\(_{DD}\)=3V时,单稳态电路翻转恢复稳态,I\(_{C}\)内部三极管重新导通,C通过I\(_{C}\)的7、1脚放电并被再次短路,I\(_{C}\)的3脚重新输出低电平,导致VT2、VT3失去偏流而截止,H断电自动熄灭。
电路中,小电珠H每次延时点亮的时间长短,取决于单稳态电路中电阻器R3、电容器C的时间常数,具体可通过公式:t=1.1R3C来估算。按图1选择R3和C的数值,H延时点亮的时间约为1min。在晶体三极管VT1电流放大系数β、R1电阻值确定的情况下,通过改变R2电阻值,可调整静态时IC的2脚电位高低;也就是说,通过适当调整R2电阻值大小,可以控制声控灵敏度。
二、元器件选择
IC选用静态功耗很小的CMOS时基集成电路(又称“555”时基集成电路),如5G7555或ICM7555、CB7555、CH7555、SG7555型等,它是一种模拟、数字混合集成电路,其引脚排列和功能如图2所示。这种CMOS时基集成电路的静态电流极小,只有75μA左右(4.5V工作电压下测定),而且工作电压低(实测不低于2V就能正常工作)。常用的普通TTL工艺生产的“555”时基集成电路,因其功耗大,要求工作电压较高(≥4.5V),所以不适宜在本制作中使用。

VT1、VT2均选用9014(集电极最大允许电流I\(_{CM}\)=0.1A,集电极最大允许功耗P\(_{CM}\)=310mW)或3DG8型硅NPN小功率晶体三极管,要求VT1的电流放大系数β>200,VT2的电流放大系数β>100;VT3选用9012(I\(_{CM}\)=-0.5A,P\(_{CM}\)=625mW)或3CG23型硅PNP中功率晶体三极管,要求电流放大系数β>50。
R1~R5均用RTX-1/8W型碳膜电阻器。C用漏电很小的优质CD11-10V型电解电容器。B用φ27mm压电陶瓷片,如FT-27、HTD27A-l型等,要求配上简易塑料或金属共振腔盒。H用手电筒常用的3.8V、0.3A小电珠(三节干电池供电的手电筒专用)。GB用三节5号干电池串联(须配塑料电池架)而成,电压4.5V。
三、制作与使用
图3所示为“一拍亮”延时小夜灯的印制电路板焊接图,印制电路板实际尺寸约为50mm×30mm。焊接时注意:电烙铁外壳一定要良好接地,以免交流感应电压击穿IC内部CMOS集成电路!

全部电路可装入一体积合适的市售塑料动物玩具或其他造型的工艺品硬壳体内,以起到装饰美化作用。笔者装配时采用了图4所示的一个“鱼”造型塑料储钱罐(高度约16cm)。具体做法:首先,将“鱼”的底部“取钱口”处用刀开大,以便放入电路板和电池架等大件。然后,用电烙铁头在“鱼”嘴部烫一φ9mm的小孔,引出电路板上焊接小电珠H的引线,焊接好小电珠,并由外向里装牢小电珠。在靠近“鱼”底座的适当位置处,用小电钻打上一个φ3mm的小孔,作为压电陶瓷片B的受音孔;在“鱼”体内部正对着小孔的位置,用强力胶紧粘压电陶瓷片的助声腔体。最后,用胶带纸粘封住“鱼”底座的开口。当然,以后更换干电池就通过此开口处进行。
使用时,可将延时小夜灯放置在床头桌上的钟表旁边,或者距离床头3~5m以内的其他地方。在床头处通过击掌来检验电路工作性能。如果嫌声控灵敏度不高,可通过适当增大电阻器R2的阻值加以调整;反之,如果嫌声控灵敏度太高,可通过适当减小R2的阻值加以调整。R2阻值一般的选择范围为10~150kΩ。R2阻值太大,IC的2脚在静态时就已处于低电平(<1.5V),单稳态电路便不能正常工作,小电珠H就会常亮不灭。如果嫌1min的延时时间太短,可通过适当增大电阻器R3的阻值来加以调整; 反之,如果嫌延时时间太长,可通过适当减小R3的阻值来加以调整。例如,当R3阻值分别取560kΩ、1.8MΩ、2.4MΩ、3MΩ和3.6MΩ时,所对应的延时时间依次约为30s、1.5min、2min、2.5min和3.1min。
该延时小夜灯由于采用了谐振频率较高(约4kHz左右)的压电陶瓷片B作为声波传感器,所以对猝发的击掌声、硬物相碰撞声反应灵敏,而对于人们的说话声以及环境其他低频率的嘈杂声,却反应不灵敏。这就是说,电路具有比较好的防误触发性能。当然,将电路声控灵敏度调得比较高时,防误触发能力就会相应降低。这一点在调试声控灵敏度时,要掌握并统筹兼顾好。
由于整个电路平时静态耗电很小,实测静态总电流小于130μA,故电路未设置电源开关。每换一次干电池,一般可使用数个月时间。但长时间不使用小夜灯时,应将干电池从电池架上取出,以免电能消耗尽后,电池流液腐蚀损坏电路。
文/张晓东