CMOS门电路典型运用时处理的是二进制数字信号,其输入、输出端只有“1”或“0”两种状态。但电路状态在两者之间变换时依然是需要时间的,也就是说在“1”和“0”之间变换时有一个短暂的过渡过程,利用这个特性可以将CMOS门电路变通作模拟应用,例如作小信号交流放大器,这在某些场合会给我们的电子制作带来很大的方便。
一、CMOS门电路模拟应用的原理与形式
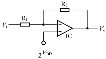
给CMOS门电路加上适当的偏置电压,可使其工作于线性放大状态。如图1所示,在非门D的输出端与输入端之间并接一个反馈电阻R\(_{f}\),将非门D的工作点偏置于转移特性曲线的中间,就构成了一个线性模拟放大器,其工作点及输入、输出信号波形如图2所示。


1.单个非门构成的放大器。
图1所示放大器工作于开环状态,其放大倍数等于非门D的开环放大倍数,但电路失真严重。图3是加入了负反馈的采用单个非门构成的放大器,R\(_{f}\)为反馈电阻,R\(_{i}\)为输入电阻,放大器的放大倍数与反馈电阻R\(_{f}\)与输入电阻R\(_{i}\)的比值有关。加入了负反馈可以改善放大器的失真,但由于单个非门的开环增益有限,所以该放大器的放大倍数较小。

2.三个非门串联构成的放大器。
采用奇数个非门串联可以大大提高开环增益。图4是采用三个非门D1、D2、D3串联构成的模拟放大器,三级非门串联可以获得很高的开环增益,因此该放大器可等效于一个同相输入端接1/2V\(_{DD}\)的运算放大器(如图5所示),其放大倍数仅等于反馈电阻R\(_{f}\)与输入电阻R\(_{i}\)之比,即放大倍数A=R\(_{f}\)/R\(_{i}\)。由于可以采用较深的负反馈,因此该电路在小信号时具有良好的线性,加上输入耦合电容和输出耦合电容后,便是一个实用的小信号交流放大器。


将与非门(或非门)的几个输入端并接起来作为非门使用,也可以用来构成模拟放大器。图6所示为三个与非门D1、D2、D3串联构成的模拟放大器,图7所示为三个或非门D1、D2、D3串联构成的模拟放大器。

二、CMOS门电路变通运用实例 —— 助听器
利用CMOS门电路制作助听器,具有灵敏度高、耗电极少、体积小巧、重量很轻的突出优点。助听器使用一枚3V钮扣电池做电源,用普通8Ω耳机收听,声音清晰明亮。
1.电路结构与工作原理。
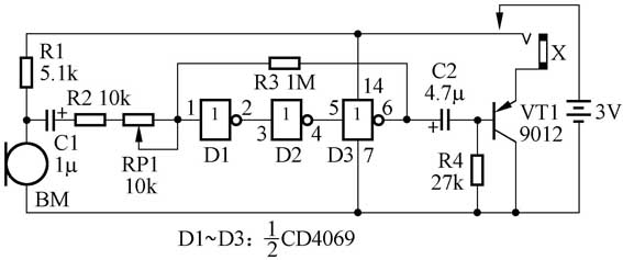
图8为CMOS助听器电路图,非门D1、D2、D3串联后,与R2、R3、RP1等构成小信号交流放大器,放大倍数A=R3/(R2+RP1),调节RP1可改变放大倍数。C1为输入耦合电容,C2为输出耦合电容。晶体管VT1接成射极跟随器形式,对CMOS放大器通过C2耦合输出的交流信号进行电流放大,以推动普通8Ω耳机。R4是VT1的偏置电阻。整机采用耳机插座兼作电源开关。X为耳机插座,当耳机插头插入时电源接通,插头拔出时电源自动切断,既简化了电路结构、缩小了整机体积,使用又更加方便。

电路工作原理是:声音被驻极体话筒BM接收后转换为电信号,通过C1耦合至CMOS放大器进行电压放大,再经C2耦合至VT1进行电流放大,驱动耳机发声。
2.制作与使用。
D1~D3选用CMOS六非门集成电路CD4069,只使用其中的三个非门,对于另外三个不用的非门,制作时应将其输入端接地,以免损坏。由于耳机插座兼作电源开关,因此要对购买来的耳机插座进行改造。原插座下面的两个接点是常闭型,应将其改造成为常开型,插头插入后两点闭合,如图9所示。RP1可采用微调电位器。试用时,将耳机插头插入插座X接通电源,调节RP1增减音量直至满意。以后使用助听器时,一般可不必再调节RP1,只需插入耳机插头即可。不用时拔出耳机插头即关断助听器电源。

文/莫恩
