外触发是通用数据采集系统必备的,分为电平触发和脉冲触发。目前常用的脉冲触发大多采用边沿触发,利用上升沿或下降沿启动A/D转换过程或CPU的中断。在强干扰地区,如果触发信号源离采集系统较远,工频干扰信号有可能引起采集系统误触发或误启动。
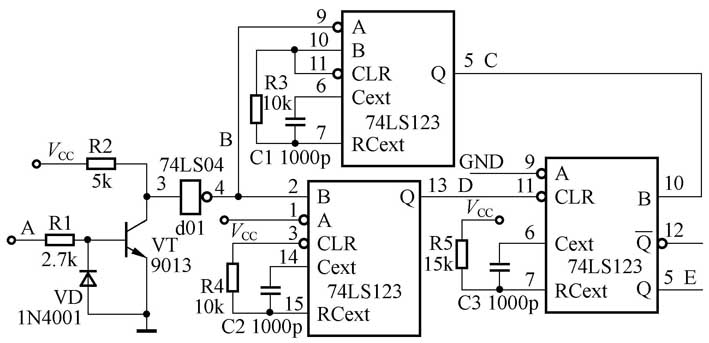
本人利用两片74LS123单稳态触发器实现一种新颖实用的触发脉冲检测电路,有效地消除了强干扰对外触发电路的影响,其电路图见图1。 工作原理及时序如下。

1.外界同步信号A经过三极管和非门限幅整形后,变成TTL电平的脉冲信号B。
2.B脉冲信号上升沿和下降沿分别控制两个单稳态触发器(设定其外接电阻、电容相等),单稳态触发器的正脉冲输出端分别输出两个脉冲信号C、D。
3.C、D脉冲信号分别控制第三个单稳态触发器的正脉冲触发端和清零端。
4.如果经过限幅整形后外界同步信号B的宽度小于单稳态触发器的输出端脉冲信号C、D的宽度,则在第三个单稳态触发器的输出端E将有正脉冲信号产生,其时序如图2左边所示。

如果B信号的宽度大于C、D信号的宽度,则在第三个单稳态触发器的输出端E没有正脉冲信号产生,其时序如图2右边所示。
从图2可以看出,通过这种触发脉冲检测电路后,正常的窄脉冲可以产生有效的脉冲信号,启动A/D转换过程或CPU的中断;而外界较强的工频干扰信号则被完全屏蔽。
分析触发脉冲产生电路原理,记录脉冲波形,根据脉冲波形的宽度来选择单稳态触发器外接电阻电容值,使C、D脉冲信号宽度为有效脉冲波形宽度的120%左右,能够消除强干扰对外触发电路的影响,避免误触发或误中断。
本人开发的DST-4A型声波数据采集系统的外触发电路就是根据图1的原理实现的,使用效果很好。
文/黄跃