本文向青少年电子爱好者介绍一种实验性强、趣味性浓,而且还有一定使用价值的电子小制作——趣味音效发生器。
本制作采用的是ANT8895-02型8键8曲模拟声响集成电路。具体介绍如下。
电路特性:
工作电压为3~5V; 工作电流为2mA; 静态电流为0.5μA; 触发方式为边沿非保持触发; 直接驱动压电陶瓷蜂鸣器,或者外接三极管推动阻抗为8Ω、额定功率为0.25W扬声器。IC采用软封装PCB印制板结构。图1是IC压焊点脚位图。为确保电路工作稳定可靠, 芯片的衬底必须接PCB印制电路板V\(_{SS}\)端。

适用范围:
主要用于制作生产八音玩具枪、玩具警车、有声钥匙圈吊牌、趣味音乐装饰品、玩具电子琴等小电子产品以及游乐装备、安防报警系统等。
电路原理:
IC内部包含有主时钟RC振荡器、分频器、按键输入控制逻辑电路、节拍控制器和音调产生器等单元电路模块。RC振荡器产生128kHz电路系统主时钟频率。RC振荡器的输入端和输出端的外部引脚OSC1、OSC2两端连接一只阻值为270kΩ~390kΩ的电阻器,适当调节该电阻器的阻值,可以调整系统的主时钟频率。分频器则将主时钟频率进行分频,为片内的其他电路模块提供各自所需要的时钟信号。速度节拍控制器输出信号去控制ROM的地址变化,也就是控制每个声音码的输出时间(音长)。音调产生器是IC的核心部分,内部的主要结构为64×8的音乐码ROM和一个7位可预置数的伪随机计数器。在速度节拍控制器的作用下,音乐码依次从ROM中读出,并置入计数器,对输入的时钟进行分频,得到一串连续的频率周期性变化的方波信号。音乐码的高7位用来控制音乐的频率,最低位控制包络信号。按键输入控制逻辑电路模块,担负对外部按键做出迅速响应,并激活RC振荡器,使得整个电路从等待状态进入工作状态。
IC内部是一个非常复杂的电路系统,然而它的外部电路却极其简单。图2是ANT8895-02的电路原理图。

IC共有17个外部引出端,各引脚功能说明见表2。触发引脚TG1~TG8端,分别接8个按钮开关SB1~SB8。当轮流触发SB1~SB8时,IC输出端V\(_{O}\)1、V\(_{O}\)2两端产生反相180°的音频电压信号,可直接驱动压电陶瓷蜂鸣器发出8种不同声响。

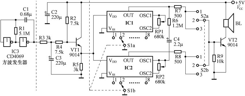
采用2片(或多片)ANT8895-02型8键8声模拟声音乐集成电路可以设计制作一个趣味音效发生器电路。具体电路参见图3。它由方波发生器、扫描电压发生器、音效发生器和功率放大电路等部分组成。通电后,由CD4069和C1、R1构成的低频振荡电路连续输出一串方波脉冲,周期性地控制三极管VT1的导通状态,使VT1的发射极产生一个锯齿波扫描电压,而IC1、IC2集成电路的正电源V\(_{DD}\)端与VT1的e极相连接,所以,扫描电压发生器在方波发生器的作用下有规律地改变IC1、IC2的电源电压,使其输出的模拟声信号受到控制,从而产生许多有趣的声音。
由图3可见,IC1的输出端控制IC2的振荡器输入端(或者IC2输出端控制IC1的振荡器输入端),这样的电路设计增加了声响输出的不确定性(因为改变振荡电阻,可令声响的音调高低与节奏快慢发生变化)。另外,通过选择开关S1、S2的挡位,还可以制造更多的声响效果。图3所示电路可产生近百种声响效果,诸如蟋蟀低鸣、青蛙鼓噪、金蝉竞唱等。只要耐心调整电路参数,就会产生出许多意想不到和特别有趣的声响效果来。

我们不妨设想一下,应用两片ANT8895-02“枪、炮、爆炸声”组合起来的声响,将会是一个什么样的效果呢?“如果你想知道梨子的滋味,就一定要亲口去尝一尝”。亲爱的朋友们,还不赶快动手,亲自去解开这个谜底!
文/王南阳
