HFC系列语音IC是温州丰华电子有限公司(http://www.wzfhdz.com)产品,该系列有多种产品型号,均系CMOS大规模集成电路,产品封装形式主要为COB黑膏软封装,外围元件可直接插焊在芯片自带的小印板上以方便用户使用。
HFC5209A是内储四句女声的语音集成电路,芯片外形尺寸为14mm×24mm,工作电压范围为2.4~5V,典型值为3V。芯片上有四个触发端TG1~TG4,均为高电平触发有效,触发TG1,芯片输出女声:“您好!”;触发TG2,输出女声:“您好!欢迎光临!”;触发TG3,芯片输出女声:“您好!谢谢光临!”;触发TG4,输出女声:“谢谢光临!”。
图1是用HFC5209A制作的语音电子门铃,本电路只使用TG2触发端,客人来访按下门铃按钮SB时,TG2受触发,芯片即输出电路内储的“您好!欢迎光临!”语音信号,经三极管VT放大后即推动扬声器BL放音。接在OS端的电阻R是芯片外接振荡电阻器,调节其阻值,可改变输出语音声的音调。
HFC5228是内储娃娃哭笑声的语音集成电路,芯片典型工作电压为3V,它是制作玩具娃娃的理想芯片,图2就是用HFC5228集成电路制作的哭笑玩具娃娃电路。该芯片有两个触发端TG1与TG2,当TG1受到触发即按压一次按键SB1时,芯片轮流输出三声“爸爸好!妈妈好!”及娃娃笑声;如果TG2受到触发,即按压一次SB2时,芯片即输出娃娃哭声。R1为芯片的外接振荡电阻器,更改其阻值可以微调输出语音声的音调。
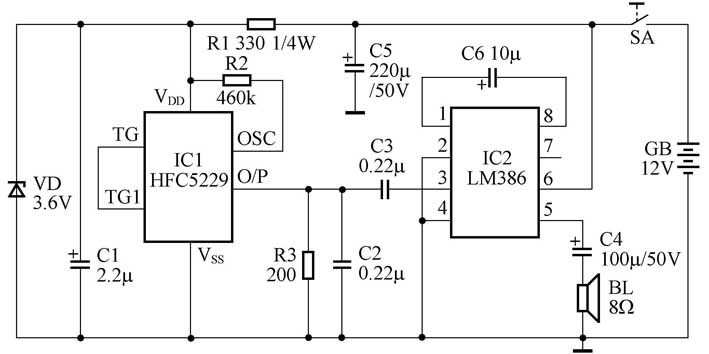
HFC5229是内储三句语音的新型语音集成电路,芯片外形如图3所示,尺寸为14mm×24mm。当触发端TG1与TG相碰时,O/P端输出“现在为您提供冰水!”语音;当TG2与TG相碰时,输出“现在为您提供碎冰!”语音;当TG3与TG相碰时,输出“现在为您提供块冰!”语音。它的外接功放三极管可直接插焊在芯片c、b、e三个小焊孔里。芯片工作电压为3V。
图4是用HFC5229为核心器件制作的小贩卖冰水吆喝器,图中将HFC5229的触发端TG1与TG直接相连,所以通电后,O/P端就连续不断地输出内储的“现在为您提供冰水!”语音信号,经C3耦合到功放集成电路IC2(LM386)输入端3脚,放大后信号由5脚输出推动扬声器BL发声。如打开SA,切断电源,发声停止。

HFC5230是一种新型的语音集成电路,芯片外形见图5,尺寸为14mm×20mm,芯片工作电压典型值为3V。它内储有四种语音:(1)“嘀、嘀、嘀,请注意!有故障!”;(2)“请注意!有故障!”;(3)“嘀、嘀、嘀,有故障!”;(4)“嘀、嘀、嘀,请注意!” 。
图6是用HFC5230为核心器件制作的语音警示提醒器,它能全天候工作,只要有人走近它的监控范围,它就会发出响亮的“嘀、嘀、嘀,请注意!”语音警示提醒声。图中,IC1采用日本松下公司生产的新颖热释电红外传感器AMN1,它采用TO-5金属壳封装,尺寸为Φ11mm×14.5mm,有三个引出脚:电源正端VDD、信号输出端OUT和电源负端GND。它内部将菲涅耳透镜、热释电传感器、数据处理与放大电路等整合在一起,当有人在其前方运动时,OUT端即输出与人体运动频率基本同步的正脉冲信号。此信号直接加至HFC5230的触发端TG,使其触发工作,O/P端即输出内储的语音信号经VT放大后,推动扬声器BL放音。本电路HFC5230应采用内储“嘀、嘀、嘀,请注意!”第4种语音的芯片。
图中,VD、R2与C1构成稳压电路,为HFC5230提供3V左右的工作电压。R1是HFC5230的外接振荡电阻,调整其阻值可以调节语音声的音调。制作时,IC1的透镜面应对准来人的方向,其最大探测距离为5m,IC1工作电压范围为3~6V,电压高,探测距离远,反之则低。GB可采用4节大号电池串联或用6V稳压电源供电。
5. HFC5605语音IC
HFC5605是内储三段语音的新型语音集成电路,芯片外形见图7,它有三个触发端TG1、TG2与TG3,均为高电平触发有效,触发TG1,O/P端即输出内储的“有电危险,请勿靠近!”语音声;触发TG2,输出语音声为“抓贼啊!”;触发TG3,输出语音声为“请随手关门!”。芯片工作电压典型值为3V。
图8是用HFC5605为核心器件制作的压控式语音防盗报警器,采用重物压控方式进行触发报警,平时贵重物品如电视机等放在常闭按键开关SB上,SB受压,其触点打开,晶闸管VS因无门极触发电流处于关断状态,集成块IC1与IC2均失电不工作,整机几乎不耗电。如果盗贼搬动重物,SB触点因自身弹性复位闭合,VS可通过R1获得门极触发电流而开通,IC1(HFC5605)与IC2(LM386)得电工作,IC1因TG2与VDD端相连,所以O/P端就连续不断地输出“抓贼啊!”语音信号,经IC2功率放大后,推动扬声器BL发出响亮的报警声。VT一旦开通后,其门极就失去了控制作用,即使盗贼将物品搬回原处,虽然SB触点打开,但“抓贼啊!”呼喊声不会停止,只有主人打开开关SA,切断电源后,才能使电路回复到静止状态。
文/陈有卿



