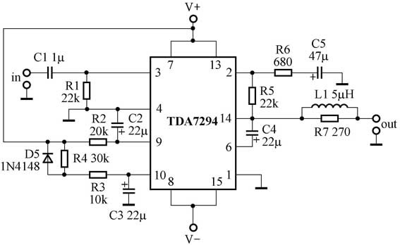
集成功放电路TDA7294是欧洲著名的SGS—THOMSON公司推出的一款Hi—Fi大功率DMOS集成功放电路。它综合现代功放电路最佳设计,兼具双极型信号处理电路和功率MOS的优点,并运用“失真伺服技术”以提高输出级的线性,而且仅需很少的静态偏置电流,提高了效率。通过在输出级和电压放大级之间直接连接密勒电容以引入一个局部交流负反馈,降低输出级的失真,这又是频率相关的反馈,即前馈技术的引用。内部设计的用心良苦使TDA7294具有极好的开环特性,其开环增益为(80dB),用TDA7294设计的放大器只需加少量的大环路负反馈,有利于放大器瞬态指标的提高。TDA7294的电压放大级和电流放大级可分开供电,这也是减小通过电源有害调制的高保真手段。该集成块还具有待机、静音、过热及短路保护功能,彻底消除了开关机电源冲击声,而且可免去扬声器保护电路。两片TDA7294还可以方便地桥接工作,以组成功率更大的放大器。TDA7294的各项指标见附表,本文介绍采用TDA7294集成功放块制作的三种功放电路。

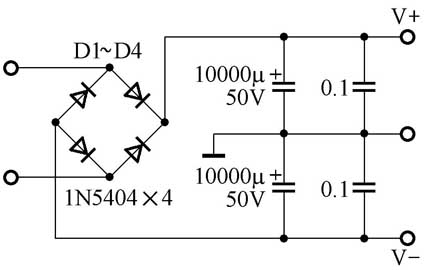
OCL电路图见图1,印制板图见图5。本电路是用两片TDA7294组成的双声道70W功放。外围元件少,电路简单,当电源电压为±35V时,在8Ω负载上可获得70W的连续输出功率。非常适合30m2以下的环境放音。整流电路见图4,如音箱阻抗小于8Ω,电源电压应相应降低。


2. BTL电路
BTL电路见图2,印制板图见图6,整流电路见图4。利用两片TDA7294桥接组成BTL功放电路,输出功率可达150W以上,适合歌舞厅等需要大功率的地方,立体声时需要4块TDA7294。当电源电压为±25V时,在 8Ω负载上可获得150W的连续输出功率。当电源电为±35V时,在16Ω负载上可获得180W的连续输出功率。用TDA7294作BTL功放,负载不得低于8Ω。
3.恒流功放
恒流功放电路见图3,印制板图见图7,整流电路见图4。本功放电路与前面两种结构有些不同,其反馈电路为电流取样、电压求和负反馈。这种电路结构就是人们常说的恒流功放,电路的具体分析不作详述,只介绍与传统恒压功放相比后较突出的优点。
①功放输出电流与负载阻抗无关,即使负载短路,也不会造成功放块过热现象。
②输出功率随着负载阻抗的增大而增大,在一定功率储备之内推动扬声器负载,可以很好地保证原来音乐信号的低音力度和高频解析力。
③作用在扬声器音圈上的力只依赖于电流。用流控振荡方式推动扬声器必然要快于压控振荡方式,使扬声器振动系统中质量惯性引起的瞬态失真大大降低。
④输入、输出阻抗容易做到匹配。恒流功放电路实际上是一个受输入信号电压控制的受控电流源。它的内部反馈电路为电流取样,电压求和负反馈,具有输入、输出阻抗均高的特点。输入阻抗高,正好是前级恒压放大电路所需要的,有利于信号电压无损失地送到功放输入端。而输出阻抗高,能减少内阻对信号的分流,有利于把输出信号电流都加在负载上。
图3中,电源电压选择为±35V,其放大倍数由扬声器与R6的比值决定,即Avs=1+Zo/Rf。Zo为扬声器标称阻抗,Rf为R6的阻值。制作时可根据扬声器的阻抗,选择适当的R6。R5为防止功放空载时自激的电阻。
以上三种功放电路在自制时,印制板按图5、图6、图7制作。对元件的要求应该严格一些。TDA7294集成块也出现了大量的假冒品,应该向有信誉的经销商购买。图中所用电阻,电容也应该选用一些发烧级的品种,以保证做好后有靓声的表现。电源变压器的容量应根据电路结构不同来选择:图1,图3中的用300VA的即可,图2中的应大于500VA。三种电路中的散热器,都应选用专用的散热器,图2电路由于输出功率较大,建议加装仪表风扇,以解决散热问题。
以上三种电路,只要元件参数正确,焊接无误,一装即成。惟一需调试的是图2电路中每声道两块TDA7294的对称性,只需检测两块TDA7294静态电流大小即可判断。如静态电流偏差较大需要重新配对。
文/田凯
