在大型的电路以及大规模集成电路的设计中常常要使用网络标号、总线以及跳线,许多电子爱好者往往不知如何设计。本文以ATMEGA8(AVR单片机)控制的报警计数器电路为例,对用Protel99SE设计该电路中如何使用网络标号、总线及跳线进行介绍。
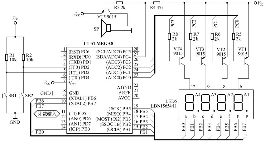
图1是用ATMEGA8单片机控制的自动报警计数器电路,共阳数码管和驱动三极管构成扫描驱动电路,数码管能显示出通过SB1、SB2按键预设的调整值。电路的工作原理是当按键时间短时加/减1,按键时间长则加/减10,最大计数值9999。设置完成,释放按键5秒后,自动进入计数状态。在计数状态下,信号脉冲由单片机计数器T1输入,每个有效脉冲输入单片机时计数器T1加1,数码管显示当前计数值,当计数值达到预设值时,单片机输出方波,控制蜂鸣器报警提示用户作相关处理。

一、网络标号
网络标号就是导线与单个网络的关联,给导线放上网络标号相当于给信号命名,同样名字的信号等同于用导线连接,如图2所示。

1.网络标号放置的方法。
将元件引脚与一段导线相连,然后将网络标号(如图2中的A1)放在导线上。
2.网络标号的作用。
作用之一是使复杂的电路原理图变得简单漂亮,避免了连线绕来绕去,在图1中的V\(_{CC}\)就是电源网络标号,所有的V\(_{CC}\)信号线是连在一起的; 网络标号作用之二是连接总线和总线入口,如图1中的PB0~PB7、PC0~PC3,特别注意的是在此的网络标号一定要放在短的导线上; 网络标号作用之三是在PCB印制板图中用来修改和定义元件焊盘的连接关系,比如在PCB图中添加了一个新元件封装X1,元件X1的第1焊盘要与PCB图已经存在的Y1元件第1焊盘相连,我们可以双击X1的第1焊盘,将它的网络属性改为与Y1元件第1焊盘相连的网络标号,这时X1的第1焊盘与Y1元件第1焊盘就连在一起,可以看到它们之间有一根预拉线。
3.使用技巧。
当电路中连接点较远时可使用网络标号。当PCB图中某一元件的焊盘本应与其他元件相连而又没有连上的时候,双击该元件的焊盘修改其网络标号,这种方法常常用来修改PCB图中的错误。在进行层次原理图设计时,各分原理图之间要使用网络标号。
二、总线
1.原理图中的总线是指用一根较粗的线代表一组并行的信号线,如图1中的粗线。
2.放置原理图总线的方法。如何放置总线是有技巧的,一般来说放置总线至少要涉及到总线、总线分支、短的细导线、网络标号四部分。通过比较笔者认为按下面的方法是最佳的。
(1)在元件的引脚处放置一端较短的导线,其作用是用来连接元件引脚与总线分支,并且在它的上下方用来放置网络标号。
(2)在导线的外侧(远离元件引脚的一侧)放置总线分支,方法是用鼠标单击连线工具条中120图标或者执行Place/Bus Entry菜单命令,这时工作平面上出现带着“/”或“\”等形状总线分支的十字形光标,按一下键盘上的[Space]键可以调整总线分支的形状,移动光标,将总线分支带到要放置的位置,单击鼠标左键即可将之定位。
(3)放置网络标号。由于总线代表一组导线,总线两边的导线如何连接,需要由网络标号来确定,即网络标号相同端是连接在一起的,放置方法是用鼠标单击连线工具条中121图标或者执行Place/Net Label菜单命令,这时光标变成十字形并且将有一虚线框在工作区内移动,再按一下键盘上的[Tab]键,系统弹出网络标号属性对话框,在Net项定义网络标号比如PB0,单击[OK],将设置好的网络标号放在第(1)步放置的短导线上(注意一定是上面),单击鼠标左键即可将之定位。
(4)放置总线将各总线分支连接起来,方法是单击放置工具条中122图标或执行Place/Bus菜单命令,这时工作平面上将出现十字形光标,将十字光标移至要连接的总线分支处单击鼠标左键,系统弹出十字形光标并拖着一条较粗的线,然后将十字光标移至另一个总线分支处,单击鼠标的左键,一条总线就画好了。
3.使用技巧。当电路中多根数据线、地址线、控制线并行时使用总线设计。
三、跳线
跳线在电路板设计中经常使用,但在一般的教科书中往往没有谈及这个问题,只有靠设计者在设计中自己去摸索。跳线,简单地说就是在电路板中用一根将两焊盘连接的导线,也有人把它称为跨接线。多使用于单面板、双面板设计中,特别是单面板设计中使用得更多。在单面板的设计中,当有些铜膜线无法连接,即使Protel99SE给连通了,进行电气检查也是错的,系统会显示错误标志。通常解决的办法是使用跳线,跳线的长度应该选择如下几种:6mm、8mm和10mm。放置跳线的方法是在布线层(底层布线)用人工布线的方式放置,当遇到相交线的时候就用过孔走到背面(顶层)进行布线,跳过相交线然后回到原来层面(底层)布线。值得说明的是为了便于识别,最好在顶层的印丝层(Top Overlay)做上标志,在图3中有两根跳线。在PCB板安装元件的时候,跳线就用短的导线或者就用剪下元件引脚上多余的部分安装。
文/李精华