电视机出现无图像无伴音现象,故障一般在公共通道和高频调谐器电路。开机,在自动搜索状态下,监测调谐器VT端电压在0~30V之间变化,但屏幕无图像出现。测调谐器4脚AGC端电压为1.8V,说明高放增益太低,导致屏幕无图像无伴音。调谐器4脚AGC输入端电压,在没有信号输入时应该在8V以上,输入强信号时应在6V以下。该机在没有图像时,高频调谐器AGC端电压仅1.8V,说明高放增益自动控制(RF·AGC)电路故障。
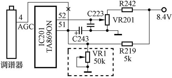
怀疑调谐器4脚内AGC端对地漏电,断开4脚AGC输入端连线(见附图),测IC201(TA8690N)51脚RF·AGC输出端电压仍1.8V,调节VR201,改变RF·AGC启控点,但IC201的51脚电压无变化,测R219右端电压为8.4V,说明IC201的51脚内部RF·AGC电路损坏。
IC201为单片机,价格较贵,购买和更换也麻烦。考虑该机接收的是有线电视信号,各频道的信号电平基本一致,且较稳定,可将输入调谐器AGC端的电压为一固定值,对收视效果不会产生影响。断开IC201的51脚连线,在R219左端对地接入一只50kΩ可调电阻“VR1”。恢复调谐器4脚连线,调节“VR1”,使送入调谐器AGC端的电压为6V。电视机在出厂调试时,一般是以调谐器输入信号为60dB作为启控点,即在接收60dB标准彩条信号时,调节V201,以使IC201的51脚有6V电压输出为标准。
为保证维修后的收视质量,上门调试。开机,进行自动搜索,电视机能储存当地有线电视台的所有频道节目,但个别台信号稍弱,调节“VR1”,使所有频道图像质量良好,测高频调谐器AGC端的电压为6.7V。调谐器4脚AGC输入端电压设置不可过高,过高会使高放增益过大,导致强信号的同步头被压缩,个别台图像出现不同步现象。经过以上对电路的改进和调整,故障排除,经过半年使用,图像质量良好。
文/高密林
