TCL9529Z是一款伴音为双声道带3D超重低音(低音炮)的彩色电视机,其重低音电路的前级音频放大用两个三极管作推动,末级功率放大采用了双通道音频芯片LA4445,使电路结构非常简单,具有较高的性价比。下面介绍电路工作原理及常见故障检修实例,供参考。
LA4445是日本三洋公司的产品,常用于汽车收音机、立体声装置、电视机等音响末级功放电路中。该集成电路为5.5W×2的低失真、低噪声音频功率放大器,有双通道和BTL(无变压器)平衡式输出两种电路工作方式。其电源工作电压范围为8~18V,负载的典型值为4Ω,电压增益的标准值为51.5dB(可以通过在反馈端子1和6上的外接电阻来调节增益),内部电路含静噪功能和过压、过流、过热以及直流短路等各种保护电路。另外,它具有输出大电流和驱动低内阻的特点,能带动低阻抗负载,输出较大功率。
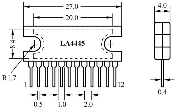
LA44445为12脚单列直插式塑料封装芯片。其外形如图1所示。两侧半圆卡槽用来固定散热片,使芯片能获得大的功率输出。图2所示为芯片内部电路结构方框简图。由图2可知:两路声道的接线端子为非对称排列。2与5脚分别为两路音频信号输入端子。1与6脚分别为两路运算放大器引进电压负反馈端子。用反馈电阻来调节电压增益。3与12脚分别为前置级和功放级接地端子。4脚为去耦滤波端子,外接去耦电容,以消除交流噪声。7与11脚分别为两通道自举端子,外接自举电容,保证电路稳定工作和足够的功率输出。8与10脚分别为输出1和输出2端子。9脚为工作电压输入端子。

LA4445主要特性参数见附表。在BTL电路形式工作状态下,LA4445的典型应用电路如图3所示。其各引脚对地直流参考电压(V\(_{CC}\)=13.2V)值,依次是1脚为1.4V、2脚为0V、3脚为0V、4脚为12.5V、5脚为0V、6脚为1.6V、7脚为12V、8脚为6.5V、9脚为13.2V、10脚为6.5V、11脚为12V、12脚为0V。

在维修中当确定外围元件无虚焊无损坏时,如果测量各脚电压数值异常或差别很大,可能是芯片LA4445不良,需要更换,这是维修者经常使用的电压检测法。
2.超重低音电路
TCL9529Z超重低音的实际电路如图4所示。由图可知:该电路末级功放LA4445芯片采用BTL两路同相平衡输出,获得大功率推动扬声器。从伴音中放送来的音频信号,输入到连接CN807与CN003的①与②点,经C018、R020选频电路使低音通过,并加至三极管Q003(2SC1815)进行放大,然后通过由C020、R026和C021组成的RC低音提升网路,进一步提升低音域,并由三极管Q004(2SC1815)再放大。经前置放大后的音频信号,由CO28电容耦合到射随器Q005(2SC1815)的基极,由射极低阻抗输出,经C037电容输入到IC002(LA4445)低输入阻抗的2脚,以确保阻抗匹配,获得最大输出增益。C036、C038为交流旁路电容。C030为电源去耦电容。C039、C040为自举电容。C041为电源滤波电容。C029、C034与R038和C031、C033与R037分别为两路低频输出补偿网路,使同相平衡输出的中、高、低音进一步衰减,而输出的超重低音(10~200Hz)得到最大提升。最终,电视机伴音将获得清丽、醇厚的音色和最大输出功率可达30W(8Ω)的强劲震颤重低音效果。X·B/BLACK为重低音输出插座。
3.故障检修实例
故障现象:重低音箱无声响。
分析与检修:重低音箱无声响的故障可能有以下几种原因;①供电电源断路。②X·B复合输出插座,低音箱和插头及连线等不良。③前级音频放大器或射随器有问题。④LA4445的外围电路不良。⑤功放芯片损坏。
首先,用DT-830数字万用表测量重低音箱插头及连线,没发现有断线,用插头碰击干电池的正负极,扬声器有“咔啦”声,说明重低音箱内扬声器良好。
接下来,检查内部电路,打开TCL9529Z的机壳,找到重低音电路,先检查X·B插座和连线及CN004 1、2两点,没发现断路和虚焊。在通电的情况下,测量CN005的3、2两点间的电压为+18V正常值。再测量限流电阻R029(4.7Ω/5W)两端对地电压均正常,说明供电电源正常。
然后,用小螺丝刀触及IC002的2脚,重低音箱发出“嘟嘟”声响,初步判断末级功放工作正常。假如触及重低音箱时没有反应,且检测IC002的所有外围元件无损坏、无虚焊、断裂和碰接短路,若测量LA4445各引脚对地直流电压,发现其值与前述,正常工作的直流电压值不符,则IC002损坏。此时,可用同型号的芯片更换,还可用TA7227P、KA2210、AN7156N和M51102L芯片代换,但是,代换芯片的引脚不能直接装焊,需对应变动焊接。是例如: 若用TA7227P代换,则它的1脚对7脚、2脚对8脚、3脚对4脚、4脚对1脚、5脚对2脚、6脚对12脚、7脚对3脚、8脚对5脚、9脚对6脚、10脚对10脚、11脚对11脚、12脚对9脚。
再用同样的方法继续向前级检查,当触及Q005的基极时,发现重低音箱无“嘟嘟”声响,测量C037、R033均正常,通路又无焊点开路和短路碰接,怀疑Q005损坏。于是,测量2SC1815(硅NPN、V\(_{CBO}\)=60V,P\(_{C}\)=400mW、I\(_{C}\)=150mA)e、b极间电压为0V(正常时约0.7V),焊下测量证明该管击穿,用同型号管更换(或用国产管3DG130C代换)。与此同时,检测前级音频放大电路,没发现问题,而且,触及CN003和CN807的信号输入点1,重低音箱有“嘟嘟”声响,但试听时有交流声。根据维修经验,交流声的产生多半是电源滤波电容不良,检查结果发现C024电解电容漏电。换新后,交流声消除。
最后,装好电视机后盖壳,把重低音箱铁脚嵌入电视机后盖第二排通风孔上,再将重低音箱的输入插头插入电视机后底座立板的重低音输出插座X·B/BLACK,调节电视机及重低音箱的音量,重低音声响恢复正常。
文/阮殿清
